Kia Optima: Система управления двигателем/датчик детонации (KS)

Руководство по ремонту и обслуживанию Kia Optima DL3 2019-2023 гг. / Управление двигателем/топливная система / Система управления двигателем / Датчик детонации (КС)

Технические характеристики
Спецификация

Элемент
Спецификация
Емкость (пФ)
850 - 1150

Описание и работа
Описание

Стук – это состояние, характеризующееся нежелательной вибрацией и шумом. и может привести к повреждению двигателя.

Датчик детонации (KS) установлен на блоке цилиндров и определяет двигатель стук.

При появлении детонации применяется вибрация от блока цилиндров. как давление на пьезоэлектрический элемент.

В это время этот датчик передает сигнал напряжения выше, чем указанное значение в ECM, и ECM задерживает угол опережения зажигания.

Если стук исчез после увеличения угла опережения зажигания, ECM опережает угол опережения зажигания.

Это последовательное управление может улучшить мощность двигателя, крутящий момент и экономию топлива.

Компоненты и расположение компонентов
Расположение компонентов

1. Датчик детонации (КС)


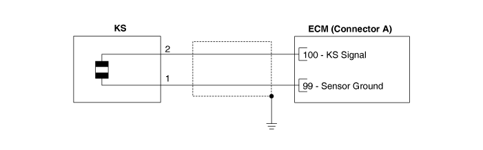
Принципиальные диаграммы
Принципиальная электрическая схема

Соединитель жгута

Процедуры ремонта
осмотр
1.

Систему управления двигателем можно быстрее диагностировать на наличие неисправностей. с помощью системы диагностики автомобиля (KDS). (См. «Руководство по кодам неисправности»)

KDS предоставляет следующую информацию.

(1)

Самодиагностика: проверяет и отображает диагностический код неисправности (код неисправности)

(2)

Данные датчика: проверяет состояние входных/выходных значений системы.

(3)

Принудительная работа: проверяет рабочее состояние системы.

(4)

Дополнительные функции: управление опциями системы, регулировка нулевой точки и другие функции

Проверка компонентов
1.

Выключите зажигание.

2.

Отсоедините разъем датчика детонации.

3.

Измерьте сопротивление между выводами 1 и 2 датчика детонации.

4.

Убедитесь, что сопротивление находится в пределах спецификации.

Спецификация: Приблизительно. 4,87 МОм [20°C (68°F)]

Удаление
1.

Отсоедините отрицательную клемму аккумулятора.

2.

Снимите впускной коллектор.

(См. Механическая система двигателя — «Впускной коллектор»)

3.

Снимите датчик детонации (А), предварительно ослабив крепежный болт.

Болт крепления датчика детонации:

18,6–23,5 Н·м (1,9–2,4 кгс·м, 13,7–17,4 фунт-фут)

Монтаж

Установите компонент с указанным крутящим моментом.

Обратите внимание, что внутреннее повреждение может произойти при падении компонента. В этом случае используйте его после проверки.

1.

Установите в порядке, обратном снятию.

Датчик положения распределительного вала (CMPS)
Описание и работа Описание • Датчик положения распределительного вала (CMPS) — это датчик Холла, который определяет положение распределительного вала. положение с помощью элемента зала. ...
Датчик кислорода с подогревом (HO2S)
Описание и работа Описание • Датчик кислорода с подогревом (HO2S), состоящий из циркония и оксида алюминия, установлен как на входе, так и на выходе коллектора ...
Дополнительная информация:

Руководство по эксплуатации Kia Optima DL3 2019-2023: Замена лампы фонаря заднего хода


1. Откройте крышку багажника. 2. Ослабьте стопорный винт крышки багажника и снимите крышку. 3. Снимите гайки с автомобиля. 4. Отсоедините разъем заднего комбинированного фонаря (внутри). 5. Снимите задний комбинированный фонарь (внутри) в сборе с кузова автомобиля. 6. ...

Kia Optima DL3 2019-2023 Руководство по ремонту и обслуживанию: Задний брызговик


Процедуры ремонта Замена Наденьте перчатки, чтобы защитить руки. • Используйте инструмент для снятия пластиковой панели, чтобы удалить ...