Kia Sorento: Schematic Diagrams - ESC(Electronic Stability Control) System - Brake System - Kia Sorento XM 2011-2023 Service Manual Киа Соренто: принципиальные схемы

XM второго поколения (2011-2023 гг.) / Kia Sorento XM 2011-2023 Руководство по ремонту / Тормозная система / Система ESC (электронный контроль устойчивости) / Принципиальные схемы

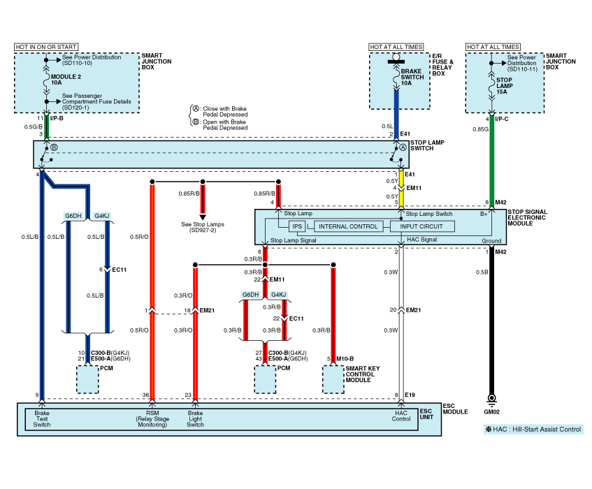
Принципиальная схема - ESC (1)

Принципиальная схема - ESC (2)

Принципиальная схема - ESC (3)

Принципиальная схема - ESC (4)

Вход/выход разъема ESC

Соединительный терминал
Спецификация
Пин №
Описание
29
ЗАЖИГАНИЕ1(+)
Высокий уровень напряжения пробуждения:
4,5 В < В < 16,0 В
Низкий уровень напряжения пробуждения:
В < 2,4 В
Макс. ток: I < 50 мА
25
ПОС. АККУМУЛЯТОР 1.(СОЛЕНОИД)
Диапазон перенапряжения: 17,0 ± 0,5 В
Диапазон рабочего напряжения:
10,0 ± 0,5 В < В < 16,0 ± 0,5 В
Диапазон низкого напряжения:
7,0 ± 0,5 В < В < 9,5 ± 0,5 В
Макс. ток: I < 40A
Макс. ток утечки: I <0,25 мА
1
ПОС. АККУМУЛЯТОР 2.(МОТОР)
Диапазон рабочего напряжения:
10,0 ± 0,5 В < В < 16,0 ± 0,5 В
Пусковой ток: I < 110 А
Максимальный ток: I < 40 А
Максимальный ток утечки: I < 0,25 мА
38
ЗЕМЛЯ
Номинальный ток: I <550 мА
Макс. ток: I < 40А
13
ЗАЗЕМЛЕНИЕ ДВИГАТЕЛЯ НАСОСА
Пусковой ток: I < 110 А
Максимальный ток: I < 40 А
23
ВЫКЛЮЧАТЕЛЬ СТОП-СИГНАЛА
Входное напряжение (низкое): В <2 В
Входное напряжение (высокое): В > 6 В
Макс. Входной ток: I < 3 мА (при 12,8 В)
10
ПЕРЕКЛЮЧАТЕЛЬ ВКЛ/ВЫКЛ ESC
28
ДАТЧИК ПЕРЕДНИЙ ПРАВЫЙ ВЫХОД
Внешнее сопротивление подтягивания: 1 кОм < R
Выходная нагрузка: 50 ± 20%
14
ЛИНИЯ CAN-ШИНЫ (НИЗКАЯ)
Макс. Входной ток: I < 10 мА
26
ЛИНИЯ CAN-ШИНЫ (ВЫСОКАЯ)
18
ДАТЧИК ПЕРЕДНИЙ ЛЕВЫЙ ПИТАНИЕ
Выходное напряжение: V_BAT1-0,6 В ~ V_BAT1-1,1 В
Выходной ток: макс. 30 мА
34
ДАТЧИК ПИТАНИЯ ПЕРЕДНИЙ ПРАВЫЙ
19
ДАТЧИК ЗАДНИЙ ЛЕВЫЙ ПИТАНИЕ
33
ДАТЧИК ЗАДНИЙ ПРАВЫЙ ПИТАНИЕ
31
ДАТЧИК ПЕРЕДНИЙ ЛЕВЫЙ СИГНАЛ
Входной ток НИЗКИЙ: 5,9 ~ 8,4 мА
Входной ток ВЫСОКИЙ: 11,8 ~ 16,8 мА
Диапазон частот: 1 ~ 2500 Гц
Входная нагрузка: 50 ± 10%
21
ДАТЧИК ПЕРЕДНИЙ ПРАВЫЙ СИГНАЛ
32
ДАТЧИК ЗАДНИЙ ЛЕВЫЙ СИГНАЛ
20
ДАТЧИК ЗАДНИЙ ПРАВЫЙ СИГНАЛ
12
ЛИНИЯ ДАТЧИКА CAN (ВЫСОКИЙ)
Макс. входной ток: I < 10 мА
24
ЛИНИЯ ДАТЧИКА CAN (НИЗКАЯ)
8
ПРИВОД РЕЛЕ HAC
Макс. Ток: I < 180 мА
Максимальное выходное низкое напряжение: В < 1,2 В
9
ТОРМОЗНОЙ ВЫКЛЮЧАТЕЛЬ
Входное напряжение (низкое): В < 2 В
Входное напряжение (высокое): В > 6 В
Макс. Входной ток: I < 10 мА
36
КОНТРОЛЬ СОСТОЯНИЯ РЕЛЕ
35
ВЫКЛЮЧАТЕЛЬ СЦЕПЛЕНИЯ
Входное напряжение (низкое): В < 2 В
Входное напряжение (высокое): В > 6 В
Макс. Входной ток: I < 50 мА (при 12,8 В)

Режим работы регулятора скорости
Схема гидравлической системы ESC 1. ESC не работает: нормальное торможение. Соленоидный клапан Преемственность Клапан Мотор ...
Диагностика отказа
1. В принципе, управление ESC и TCS запрещено при АБС. отказ. 2. При отказе ESC или TCS срабатывает только неисправный элемент управления системой ...
Смотрите также:

Снятие цепи привода ГРМ
1. Снимите крышку головки блока цилиндров. (См. раздел Головка цилиндра в сборе — «Крышка головки цилиндра») 2. Поверните шкив коленчатого вала и...

Поиск неисправностей
Симптом Возможная причина Средство Одна лампа не горит (все снаружи) Лампочка перегорела Замените лампочку Розетка, проводка или заземление неисправны ...

Принципиальная электрическая схема
Принципиальная схема (2) Принципиальная схема (3) ...