Kia Optima: электрическая система двигателя / система зарядки

Руководство по ремонту и обслуживанию Kia Optima DL3 2019-2023 гг. / Электрическая система двигателя / Система зарядки

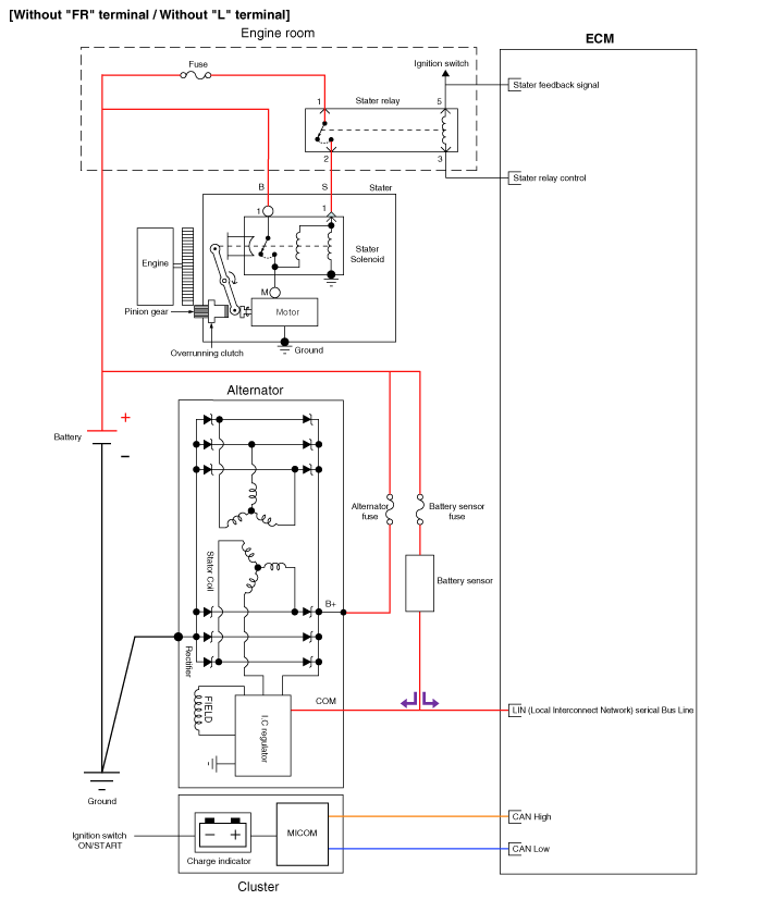
Компоненты и расположение компонентов
Компоненты

① ЭБУ

② Аккумулятор

③ Генератор

④ Стартер

⑤ Комбинация приборов

⑥ Выключатель зажигания или кнопка пуска/остановки

⑦ Датчик батареи

⑧ Выключатель капота

Описание и работа
Описание

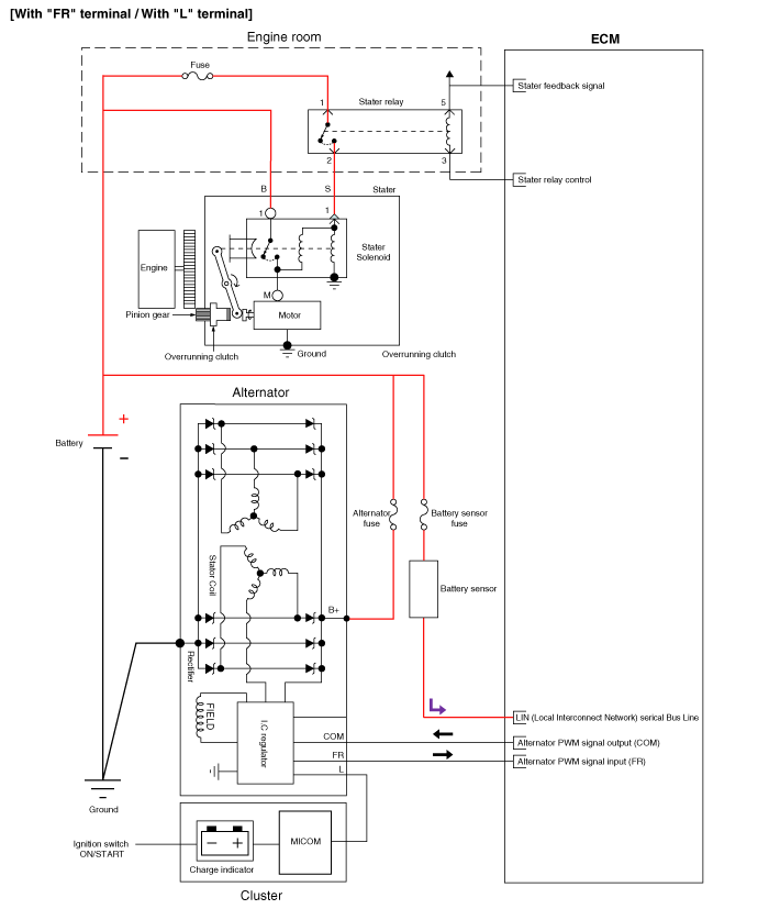
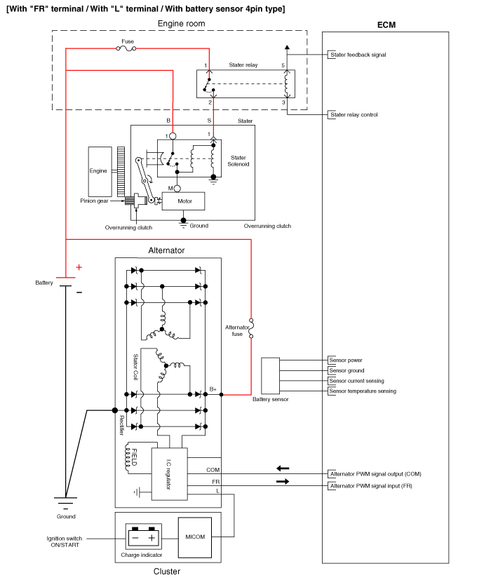
В систему зарядки входили аккумулятор, генератор со встроенным регулятором, и индикатор зарядки и провод.

Генератор переменного тока имеет восемь встроенных диодов, каждый из которых преобразует переменный ток в постоянный.

Поэтому на клемме «В» генератора появляется постоянный ток.

Кроме того, зарядное напряжение этого генератора регулируется аккумуляторной батареей. система определения напряжения.

Генератор регулируется системой определения напряжения аккумуляторной батареи. Главный Составными частями генератора являются ротор, статор, выпрямитель, конденсаторные щетки, подшипники и шкив с поликлиновым ремнем. Щеткодержатель содержит встроенный электронный регулятор напряжения.

Система управления генератором

Система управления генератором регулирует уставку зарядного напряжения, чтобы для улучшения экономии топлива, управления нагрузкой генератора в различных условиях эксплуатации, Держите аккумулятор заряженным и защищайте аккумулятор от перезарядки. Блок управления двигателем генерация напряжения по рабочему циклу (управление зарядкой, управление разрядкой, нормальный управления) в зависимости от состояния аккумуляторной батареи и условий эксплуатации автомобиля.

Система осуществляет управление разрядкой при разгоне автомобиля. Транспортное средство снижает нагрузку на генератор и потребляет электроэнергию от аккумулятора.

Система осуществляет управление зарядкой при торможении автомобиля. Транспортное средство увеличивается нагрузку от генератора и заряжает аккумулятор.

Принципиальные диаграммы
Принципиальная электрическая схема

Процедуры ремонта
осмотр
Пункт проверки

Проверка эффективности батареи

Проверка напряжения батареи

Проверка зарядного напряжения

Общий осмотр

Проверка состояния затяжки клемм

Проверка состояния двигателя/коробки передач

Проверка состояния заземления жгута проводов

Проверка заданного электрического значения

Контроль паразитных токов автомобиля

Проверка емкости аккумулятора

Эффективность батареи осмотр

Убедитесь, что кабели аккумуляторной батареи подключены к правильным клеммам.

Отсоедините кабели аккумулятора, когда батарея быстро разрядится. заряжать.

Никогда не отсоединяйте аккумуляторную батарею при работающем двигателе.

Проверьте тест батареи с помощью нагрузочного тестера и тестера батареи.

Проверка напряжения батареи

1.

После вождения автомобиля и в случае, если прошло 20 минут. не прошло после остановки двигателя, включите зажигание и включите электрическую систему (фары, электродвигатель вентилятора, обогреватель заднего стекла). д.) в течение 60 секунд для снятия поверхностного заряда.

2.

Выключите зажигание и выключите электрические системы.

3.

Измерьте напряжение аккумулятора между отрицательным (-) и положительным (+) клеммы аккумулятора.

Стандартное напряжение:

Приблизительно 12,5–12,9 В [20°C (68°F)]

Если напряжение ниже указанного, зарядите аккумулятор.

Общий осмотр

1.

Убедитесь, что клеммы аккумулятора не ослаблены и не повреждены коррозией.

(См. Система зарядки — «Аккумулятор»)

2.

Проверьте предохранители на непрерывность.

(1)

Проверьте предохранитель генератора на непрерывность.

(2)

Измерьте напряжение, как показано на рисунке ниже.

Стандартное значение: приблизительно 0 В

(3)

Если предохранитель генератора перегорел, замените его в соответствии с процедурой ниже:

а.

Выключите зажигание и отсоедините отрицательную клемму аккумуляторной батареи. (-) Терминал.

б.

Снимите гайки крепления положительного (+) кабеля аккумуляторной батареи.

в.

Замените обычный предохранитель генератора или кабель аккумулятора.

д.

Установите в порядке, обратном снятию.

(4)

Проверьте предохранитель датчика аккумуляторной батареи на непрерывность.

(5)

Замените обычный предохранитель датчика аккумулятора.

(6)

Измерьте напряжение.

Стандартное значение: приблизительно 0 В

3.

Осмотрите приводной ремень

(1)

Визуально проверьте ремень на наличие чрезмерного износа, потертых шнуров и т. д.

При обнаружении дефекта замените приводной ремень.

Трещины на ребре ремня считаются приемлемый. Если на ремне отсутствуют куски ребра, его следует заменить.

4.

Измерьте и отрегулируйте натяжение приводного ремня.

(См. Механическая система двигателя — «Приводной ремень»)

5.

Визуально проверьте проводку генератора и прислушайтесь к ненормальным шумам.

(1)

Убедитесь, что проводка находится в хорошем состоянии.

(2)

Убедитесь в отсутствии ненормального шума от генератора во время двигатель работает.

6.

Проверьте цепь сигнальной лампы разрядки

(1)

Прогрейте двигатель, а затем выключите его.

(2)

Выключите все аксессуары.

(3)

Включите зажигание. Убедитесь, что предупреждение о разрядке свет горит.

(4)

Запустить двигатель. Убедитесь, что свет горит.

Если индикатор не гаснет, как указано, устраните неисправность разряда световая цепь.

Затяжка клемм Государственная инспекция

Состояние клемм B+ генератора

Затяжная гайка клеммы B+ генератора

Состояние положительной (+) клеммы аккумулятора

Состояние затяжки положительной (+) клеммы аккумулятора

Состояние отрицательной (-) клеммы аккумулятора

Состояние затяжки отрицательной (-) клеммы аккумуляторной батареи

Состояние затяжки болта крепления отрицательной (-) клеммы аккумуляторной батареи (Заземление)

Состояние клеммы отрицательного (-) датчика аккумулятора (с датчиком аккумулятора)

Состояние затяжки отрицательной (-) клеммы датчика аккумуляторной батареи (с датчик батареи)

Затяжка болта крепления отрицательной (-) клеммы датчика аккумуляторной батареи состояние (масса шасси) [с датчиком батареи]

Положительное (+) состояние жгута проводов блока предохранителей и реле в моторном отсеке

Затяжка положительного (+) жгута проводов блока предохранителей и реле в моторном отсеке ореховое состояние

Проверьте состояние замыкания на землю по окраске шасси.

Расположение контрольного компонента

1. Клемма B+ генератора
2. Положительная (+) клемма блока предохранителей и реле в моторном отсеке.
3. Отрицательная (+) клемма аккумулятора
4. Отрицательная (-) клемма аккумуляторной батареи
5. Заземление шасси

Двигатель/коробка передач Государственная инспекция

Основное состояние

Состояние затяжки крепежных болтов (шасси)

Состояние затяжки крепежных болтов (двигатель)

Проверьте состояние замыкания на землю по окраске шасси.

Масса жгута проводов государственная инспекция

Основное состояние

Состояние затяжки крепежных болтов (шасси)

Состояние затяжки крепежных болтов (двигатель)

Проверьте состояние замыкания на землю по окраске шасси.

1. Масса двигателя (двигатель ↔ шасси)
2. Масса коробки передач (коробка передач ↔ шасси)

Проверьте точку заземления.

(См. Схема жгута ETM — «Точка заземления»)

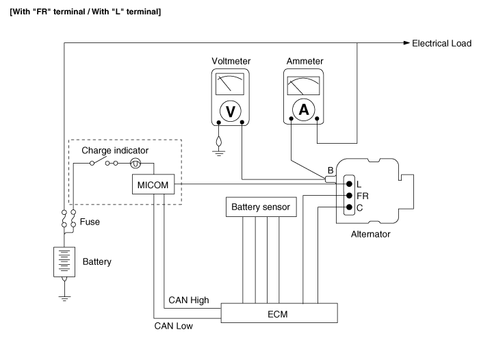
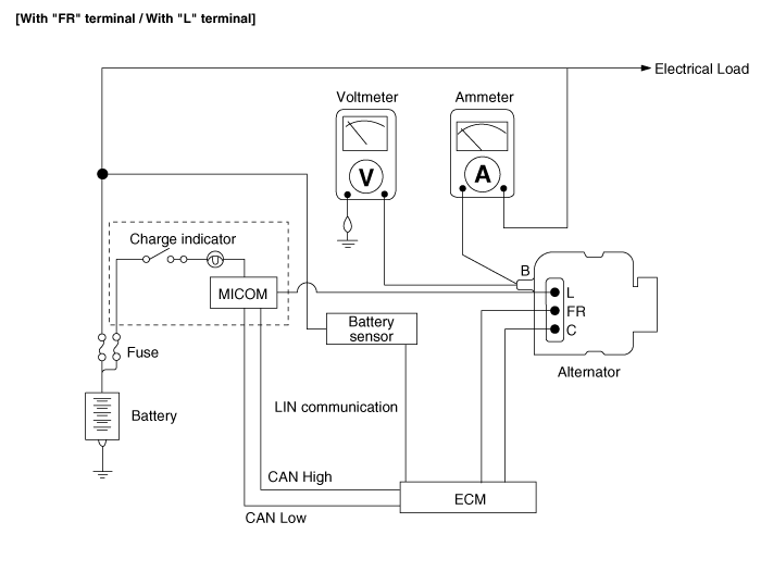
Электрические характеристики Проверка значения (с помощью вольтметра и амперметра)

1.

Испытание на падение напряжения выходного провода генератора переменного тока

Этот тест определяет, подключена ли проводка между генератором Клемма «В» и клемма аккумулятора (+) исправны по методу падения напряжения.

(1)

Подготовка

а.

Поверните ключ зажигания в положение «ВЫКЛ».

б.

Отсоедините выходной провод от клеммы «В» генератора. Подсоедините провод (+) амперметра к клемме «В». генератора и (-) подводящий провод амперметра к выходу проволока. Подсоедините провод (+) вольтметра к «B». клемма генератора и провод (-) вольтметра к клемме (+) аккумулятора.

(2)

Тест

а.

Запустить двигатель.

б.

Включите фары и мотор вентилятора, отрегулируйте двигатель скорость до тех пор, пока амперметр не покажет 20А, и снимите показания вольтметра.

(3)

Результат

а.

Вольтметр может показывать стандартное значение.

Стандартное значение: 0,2 В макс.

б.

Если значение вольтметра выше ожидаемого (выше 0,2 В макс.), подозревается неисправность проводки. В этом случае проверьте проводку от клеммы "В" генератора до клемма аккумулятора (+). Проверьте наличие ослабленных соединений, цвет менять из-за перегрева жгута и т.д. Исправить их перед повторным тестированием.

в.

По завершении проверки установите обороты двигателя на на холостом ходу. Выключите фары, двигатель вентилятора и зажигание. выключатель.

2.

Тест выходного тока

Этот тест определяет, дает ли генератор выходной ток что эквивалентно нормальному выходу.

(1)

Подготовка

а.

Перед испытанием проверьте следующие пункты и исправьте как надо.

Проверьте аккумулятор, установленный в автомобиле, чтобы убедиться, что что он в хорошем состоянии. См. раздел «Аккумулятор». для проверки батареи.

Батарея, используемая для проверки выходного тока, должна быть частично разряжен.

При полностью заряженном аккумуляторе тест может не проводиться правильно из-за недостаточной нагрузки.

Проверьте натяжение ремня привода генератора. Ссылаться к разделу "Проверить приводной ремень" для проверки ремня напряжение.

б.

Выключите зажигание.

в.

Отсоедините кабель заземления аккумуляторной батареи.

д.

Отсоедините выходной провод генератора от генератора. Терминал «Б».

е.

Подключите амперметр постоянного тока (от 0 до 150 А) последовательно между Клемма «В» и отсоединенный выходной провод. Будь уверен подключите (-) подводящий провод амперметра к отключенному выходной провод.

Надежно затяните каждое соединение, так как ток пойдет. Не полагайтесь на клипсы.

ф.

Подключите вольтметр (от 0 до 20 В) между клеммой «В». и земля. Подсоедините провод (+) к генератору. Клемма «В» и провод (-) должны быть заземлены.

г.

Подсоедините кабель заземления аккумулятора.

час

Оставьте капот двигателя открытым.

(2)

Тест

а.

Убедитесь, что вольтметр показывает одинаковое значение как напряжение аккумулятора. Если вольтметр показывает 0 В, откройте замыкание в проводе между клеммой "В" генератора и клемма аккумулятора (+) или плохое заземление.

б.

Запустите двигатель и включите фары.

в.

Установите фары на дальний свет и вентилятор отопителя. переключитесь на HIGH, быстро увеличьте обороты двигателя до 2500 об/мин и считайте указанное максимальное значение выходного тока по амперметру.

После запуска двигателя зарядка ток быстро падает. Следовательно, вышеизложенное операция должна быть выполнена быстро, чтобы прочитать максимальное текущее значение правильно.

(3)

Результат

а.

Показания амперметра должны быть выше предельного значения. Если он ниже, несмотря на то, что выходной провод генератора находится в хорошем состоянии, снимите генератор с автомобиля и Попробуй это.

Предельное значение: 60% от текущей ставки

• Номинальное значение выходного тока отображается на заводская табличка на корпусе генератора.

Значение выходного тока изменяется с электрическая нагрузка и температура самого генератора. Следовательно номинальный выходной ток не может быть получен. Если это так, держите фары чтобы разрядить аккумулятор или использовать свет других транспортных средств для увеличения электрического нагрузка.

Номинальный выходной ток не может быть получается, если температура генератора сама или температура окружающей среды слишком высока. В таком случае уменьшите температуру перед снова тестирование.

б.

После завершения проверки выходного тока уменьшите скорость двигателя до холостого хода и выключите зажигание.

в.

Отсоедините отрицательную (-) клемму аккумуляторной батареи.

д.

Снимите амперметр, вольтметр и тахометр двигателя.

е.

Подсоедините выходной провод генератора к генератору. Терминал «Б».

ф.

Подсоедините отрицательную (-) клемму аккумуляторной батареи.

3.

Испытание регулируемым напряжением

Целью этого теста является проверка того, что электронный регулятор напряжения корректно регулирует напряжение.

(1)

Подготовка

а.

Перед испытанием проверьте следующие пункты и исправьте если необходимо.

Убедитесь, что аккумуляторная батарея, установленная на автомобиле, полностью заряжен. Обратитесь к разделу «Аккумулятор» для проверки батарея.

Проверьте натяжение ремня привода генератора. Обратитесь к Раздел «Проверить приводной ремень» для проверки натяжения ремня.

б.

Поверните ключ зажигания в положение «ВЫКЛ».

в.

Отсоедините отрицательную (-) клемму аккумуляторной батареи.

д.

Подсоедините цифровой вольтметр к клемме «В». генератора и массы. Подсоедините провод (+) вольтметр к клемме «В» генератора. Соединять провод (-) к хорошему заземлению или клемме аккумулятора (-).

е.

Отсоедините выходной провод генератора от генератора. Терминал «Б».

ф.

Подключите амперметр постоянного тока (от 0 до 150 А) последовательно между Клемма «В» и отсоединенный выходной провод. Подключить (-) провод амперметра к отключенному выходному проводу.

г.

Подсоедините отрицательную (-) клемму аккумуляторной батареи.

(2)

Тест

а.

Включите зажигание и убедитесь, что вольтметр показывает следующее значение.

Напряжение: напряжение батареи

Если он показывает 0 В, в проводе есть обрыв. между клеммой "В" генератора и аккумуляторной батареей и клемму аккумулятора (-).

б.

Запустить двигатель. Выключите все осветительные приборы и аксессуары.

в.

Запустите двигатель на скорости около 2500 об/мин и прочтите вольтметр, когда выходной ток генератора падает до 10А или менее

(3)

Результат

а.

Если показания вольтметра не соответствуют стандарту значение, регулятор напряжения или генератор неисправен.

Регулируемое напряжение: 11,7–15,3 В

б.

Если показания вольтметра не соответствуют стандарту значение, регулятор напряжения или генератор неисправен.

в.

Отсоедините отрицательную (-) клемму аккумуляторной батареи.

д.

Снимите вольтметр и амперметр.

е.

Подсоедините выходной провод генератора к генератору. Терминал «Б».

ф.

Подсоедините отрицательную (-) клемму аккумуляторной батареи.

Электрические характеристики Проверка значения (с помощью вольтметра и амперметра клещевого типа)

1.

Испытание на падение напряжения выходного провода генератора переменного тока

Этот тест определяет, подключена ли проводка между генератором Клемма «В» и клемма аккумулятора (+) исправны по методу падения напряжения.

(1)

Подготовка

а.

Поверните ключ зажигания в положение «ВЫКЛ».

б.

Установите амперметр клещевого типа между положительным (+) и клемма «В» генератора.

в.

Подсоедините провод (+) вольтметра к клемме «В». генератора и провод (-) вольтметра к (+) клемма аккумулятора.

(2)

Тест

а.

Запустить двигатель.

б.

Включите фары и мотор вентилятора, отрегулируйте двигатель скорость до тех пор, пока амперметр не покажет 20А, и снимите показания вольтметра.

(3)

Результат

а.

Вольтметр может показывать стандартное значение.

Стандартное значение: 0,2 В макс.

б.

Если значение вольтметра выше ожидаемого (выше 0,2 В макс.), подозревается неисправность проводки. В этом случае проверьте проводку от клеммы "В" генератора до клемма аккумулятора (+). Проверьте наличие ослабленных соединений, цвет менять из-за перегрева жгута и т.д. Исправить их перед повторным тестированием.

в.

По завершении проверки установите обороты двигателя на на холостом ходу. Выключите фары, двигатель вентилятора и зажигание. выключатель.

2.

Тест выходного тока

Этот тест определяет, дает ли генератор выходной ток что эквивалентно нормальному выходу.

(1)

Подготовка

а.

Перед испытанием проверьте следующие пункты и исправьте как надо.

Проверьте аккумулятор, установленный в автомобиле, чтобы убедиться, что что это хорошее состояние. См. раздел «Аккумулятор». для проверки аккумулятора.

Батарея, используемая для проверки выходного тока, должна быть частично разряжен.

При полностью заряженном аккумуляторе тест может не проводиться правильно из-за недостаточной нагрузки.

Проверьте натяжение ремня привода генератора. Ссылаться к разделу "Проверить приводной ремень" для проверки ремня напряжение.

б.

Выключите зажигание.

в.

Отсоедините отрицательную (-) клемму аккумуляторной батареи.

д.

Установите амперметр клещевого типа между положительным (+) и клемма «В» генератора.

е.

Подключите амперметр постоянного тока (от 0 до 150 А) последовательно между Клемма «В» и отсоединенный выходной провод. Будь уверен подключите (-) подводящий провод амперметра к отключенному выходной провод.

Надежно затяните каждое соединение, так как ток пойдет. Не полагайтесь на клипсы.

ф.

Подключите вольтметр (от 0 до 20 В) между клеммой «В». и земля. Подсоедините провод (+) к генератору. Клемма «В» и провод (-) должны быть заземлены.

г.

Подсоедините отрицательную (-) клемму аккумуляторной батареи.

час

Оставьте капот двигателя открытым.

(2)

Тест

а.

Убедитесь, что вольтметр показывает одинаковое значение как напряжение аккумулятора. Если вольтметр показывает 0 В, откройте замыкание в проводе между клеммой "В" генератора и клемма аккумулятора (+) или плохое заземление.

б.

Запустите двигатель и включите фары.

в.

Установите фары на дальний свет и вентилятор отопителя. переключитесь на HIGH, быстро увеличьте обороты двигателя до 2500 об/мин и считайте указанное максимальное значение выходного тока по амперметру.

После запуска двигателя зарядка ток быстро падает. Следовательно, вышеизложенное операция должна быть выполнена быстро, чтобы прочитать максимальное текущее значение правильно.

(3)

Результат

а.

Показания амперметра должны быть выше предельного значения. Если он ниже, несмотря на то, что выходной провод генератора находится в хорошем состоянии, снимите генератор с автомобиля и Попробуй это.

Предельное значение: 60% от нормы напряжения

• Номинальное значение выходного тока отображается на заводская табличка на корпусе генератора.

Значение выходного тока изменяется с электрическая нагрузка и температура самого генератора. Следовательно номинальный выходной ток не может быть получен. Если это так, держите фары чтобы разрядить аккумулятор или использовать свет других транспортных средств для увеличения электрического нагрузка.

Номинальный выходной ток не может быть получается, если температура генератора сама или температура окружающей среды слишком высока. В таком случае уменьшите температуру перед снова тестирование.

б.

После завершения проверки выходного тока уменьшите скорость двигателя до холостого хода и выключить зажигание

в.

Отсоедините отрицательную (-) клемму аккумуляторной батареи.

д.

Снимите амперметр, вольтметр и тахометр двигателя.

е.

Подсоедините выходной провод генератора к генератору. Терминал «Б».

ф.

Подсоедините отрицательную (-) клемму аккумуляторной батареи.

3.

Испытание регулируемым напряжением

Целью этого теста является проверка того, что электронный регулятор напряжения корректно регулирует напряжение.

(1)

Подготовка

а.

Перед испытанием проверьте следующие пункты и исправьте если необходимо.

Убедитесь, что аккумуляторная батарея, установленная на автомобиле, полностью заряжен. Обратитесь к разделу «Аккумулятор» для проверки батарея.

Проверьте натяжение ремня привода генератора. Обратитесь к Раздел «Проверить приводной ремень» для проверки натяжения ремня.

б.

Поверните ключ зажигания в положение «ВЫКЛ».

в.

Отсоедините отрицательную (-) клемму аккумуляторной батареи.

д.

Подсоедините цифровой вольтметр к клемме «В». генератора и массы. Подсоедините провод (+) вольтметр к клемме «В» генератора. Соединять провод (-) к хорошему заземлению или клемме аккумулятора (-).

е.

Отсоедините выходной провод генератора от генератора. Терминал «Б».

ф.

Подключите амперметр постоянного тока (от 0 до 150 А) последовательно между Клемма «В» и отсоединенный выходной провод. Подключите (-) подводящий провод амперметра к отключенному выходу проволока.

г.

Подсоедините отрицательную (-) клемму аккумуляторной батареи.

(2)

Тест

а.

Включите зажигание и убедитесь, что вольтметр показывает следующее значение.

Напряжение: напряжение батареи

Если он показывает 0 В, в проводе есть обрыв. между клеммой "В" генератора и аккумуляторной батареей и клемму аккумулятора (-).

б.

Запустить двигатель. Выключите все осветительные приборы и аксессуары.

в.

Запустите двигатель на скорости около 2500 об/мин и прочтите вольтметр, когда выходной ток генератора падает до 10 А или менее

(3)

Результат

а.

Если показания вольтметра не соответствуют норме значение, регулятор напряжения или генератор неисправен.

Регулируемое напряжение: 11,7–15,3 В

б.

Если показания вольтметра не соответствуют норме значение, регулятор напряжения или генератор неисправен.

в.

Отсоедините отрицательную (-) клемму аккумуляторной батареи.

д.

Снимите вольтметр и амперметр.

е.

Подсоедините выходной провод генератора к генератору. Терминал «Б».

ф.

Подсоедините отрицательную (-) клемму аккумуляторной батареи.

Паразитный ток автомобиля осмотр

[Использование амперметра]

1.

Выключите все электрические устройства, а затем включите зажигание. ВЫКЛЮЧЕННЫЙ.

2.

Закройте все двери, кроме капота двигателя, а затем заприте все двери.

(1)

Отсоедините разъем выключателя капота.

(2)

Закройте крышку багажника.

(3)

Закройте двери или снимите дверные выключатели.

3.

Подождите несколько минут, пока электрические системы автомобиля не перейдут в спящий режим. режим.

Для точного измерения паразитного тока автомобиля все электрические системы должны перейти в спящий режим. (Занимает не менее одного часа или не более одного дня.) Однако приблизительная Паразитный ток автомобиля можно измерить через 10-20 минут.

4.

Подключите амперметр последовательно между клеммой аккумулятора (-) и кабель заземления, а затем отсоедините зажим от клеммы аккумулятора (-). медленно.

Будьте осторожны, чтобы подводящие провода амперметра не от клеммы аккумулятора (-) и кабеля заземления к предотвратить сброс батареи. В случае, если батарея сброс, снова подсоедините кабель аккумулятора и запустите двигатель или включите зажигание более чем на 10 сек. Повторите процедуру с №1.

Для предотвращения сброса батареи во время проверки:

1)

Соедините соединительным кабелем клемму аккумулятора (-). и заземляющий кабель.

2)

Отсоедините кабель заземления от клеммы (-) аккумуляторной батареи.

3)

Подключите амперметр между клеммой аккумулятора (-) и заземляющий кабель.

4)

После отсоединения соединительного кабеля считайте текущий номинал амперметра.

5.

Считайте текущее значение амперметра.

Если паразитный ток превышает предельное значение, выполните поиск ненормальную цепь, удалив предохранители один за другим и проверив паразитный ток.

Подсоедините только предохранитель, подозреваемый в паразитном токе, и выполните поиск. неисправного блока, удалив компоненты, подключенные к замыкать один за другим до тех пор, пока паразитная тяга не упадет ниже предельного значения.

Предельное значение (через 10–20 мин.): Ниже 50 мА

[Использование амперметра клещевого типа]

1.

Выключите все электрические устройства, а затем включите зажигание. ВЫКЛЮЧЕННЫЙ.

2.

Закройте все двери, кроме капота двигателя, а затем заприте все двери.

(1)

Отсоедините разъем выключателя капота.

(2)

Закройте крышку багажника.

(3)

Закройте двери или снимите дверные выключатели.

3.

Подождите несколько минут, пока электрические системы автомобиля не перейдут в спящий режим. режим.

Для точного измерения паразитного тока автомобиля все электрические системы должны перейти в спящий режим. (Занимает не менее одного часа или не более одного дня.) Однако приблизительная Паразитный ток автомобиля можно измерить через 10–20 минут.

4.

Установите амперметр клещевого типа на отрицательную (-) клемму аккумуляторной батареи.

5.

Считайте текущее значение амперметра.

Если паразитный ток превышает предельное значение, выполните поиск ненормальную цепь, удалив предохранители один за другим и проверив паразитный ток.

Подсоедините только предохранитель, подозреваемый в паразитном токе, и выполните поиск. неисправного блока, удалив компоненты, подключенные к замыкать один за другим до тех пор, пока паразитная тяга не упадет ниже предельного значения.

Предельное значение (через 10–20 мин.): Ниже 50 мА

Поиск неисправностей
Поиск неисправностей

Будьте осторожны, чтобы не закоротить проводку кузовом или другими предметами. проводка.

В случае проблем с разрядкой постоянно измеряйте темновой ток.

(Система зарядки - "Проверка темнового тока").

При проверке главного предохранителя генератора выполните проверку целостности цепи. и проверка напряжения между клеммами, а также визуальная проверка для подтверждения Нормальная операция.

При проверке заземления отремонтируйте или замените после осмотра за неисправный заземляющий кабель, неправильную установку или неисправный контакт из-за постороннего предмета.

Не рекомендуется использовать неоригинальные детали при установке. неоригинальные детали могут привести к неисправности системы зарядки.

Будьте осторожны, так как неправильная сборка может привести к короткому замыканию проводки, что может привести к разрядке аккумулятора.

Поскольку он будет сброшен и будет отображаться как обычно, если аккумулятор отрицательный (-) клемма отключена во время измерения темнового тока, измерьте с помощью измерительного крючка, не отсоединяя отрицательную (-) клемму.

Обратите внимание, что могут быть различные явления / возможные причины / меры по ремонту помимо вышеперечисленного.

Для более эффективного ремонта обратитесь к руководству DTC и ETM.

Симптом
Подозреваемый район
Средство
Сигнальная лампа зарядки не загорается во время IG ON.
Перегорел главный предохранитель генератора
Осмотрите/отремонтируйте/замените предохранитель.
Перегорел предохранитель комбинации приборов
Осмотрите/отремонтируйте/замените предохранитель.
Разбитая внутренняя лампа комбинации приборов
Осмотр/ремонт/замена комбинации приборов.
Неисправное соединение разъема проводки
Осмотрите/отремонтируйте/замените проводное соединение.
Неисправен регулятор напряжения или генератор
Осмотрите/отремонтируйте/замените регулятор напряжения или генератор.
Неправильное соединение клеммы аккумулятора
Проверьте затяжку (+) и (-) клемм аккумуляторной батареи до указанного крутящего момента.
Ошибка связи
Осмотрите проводку между регулятором и ECM.
Проверьте сигнал передачи ECM.
Осмотрите / отремонтируйте / замените генератор, если проводка и ECM в норме.
Контрольная лампа зарядки не гаснет при работающем двигателе.
Износ приводного ремня или отсутствие натяжения
Осмотрите/отремонтируйте/замените приводной ремень.
Неисправное соединение, ржавый или изношенный аккумуляторный кабель
Осмотрите соединение кабеля аккумулятора и проверьте/отремонтируйте/замените кабель.
Перегорел главный предохранитель генератора
Осмотрите/замените главный предохранитель генератора или кабель аккумуляторной батареи.
Неисправен регулятор напряжения или генератор
Осмотрите/замените регулятор напряжения или генератор.
Неисправная проводка
Осмотрите/замените проводку.
Неисправная комбинация приборов
Осмотр/замена комбинации приборов
Проскальзывание шкива генератора
Осмотрите/замените шкив генератора.
Отрегулировать натяжение/Заменить приводной ремень.
Неправильное соединение клеммы аккумулятора
Проверьте затяжку (+) и (-) клемм аккумуляторной батареи до указанного крутящего момента.
Загорается сигнальная лампа зарядки.
Проскальзывание, износ или недостаточное натяжение приводного ремня
Отрегулировать натяжение/Заменить приводной ремень.
Осмотрите/замените автоматический натяжитель (только для типа автоматического натяжителя).
Ошибка в напряжении системы управления генератором (AMS)
Осмотрите соединительный жгут датчика аккумуляторной батареи и его соединение с кузовом.
Ошибка датчика батареи.
Осмотрите/отремонтируйте/замените датчик аккумуляторной батареи.
Короткое замыкание между проводкой датчика аккумулятора и кузовом
Осмотрите/отремонтируйте/замените датчик аккумуляторной батареи.
Выходная мощность клеммы L неисправного генератора
Осмотрите/отремонтируйте/замените генератор или регулятор.
Деградация из-за дефектного контакта клеммы аккумулятора (+)
Проверить затяжку до указанного крутящего момента / Осмотреть / Отремонтировать / Заменить аккумулятор проводка.
Короткое замыкание во внутреннем контакте удлинительного разъема генератора
Осмотрите/отремонтируйте/замените проводку.

Короткое замыкание между телом и землей миссии
Осмотрите/отремонтируйте/замените массу.
Ошибка связи
Осмотрите/отремонтируйте/замените проводку между регулятором и ECM.
Проверьте сигнал передачи ECM.
Осмотрите/отремонтируйте/замените генератор, если проводка и ECM в порядке.
Короткое замыкание в середине соединения с клеммой L генератора
(Модель транспортного средства с терминалом L)
Осмотрите/отремонтируйте/замените проводку.
Вращение приводного ремня прекращается из-за проскальзывания демпферного шкива коленчатого вала или неисправности шкив.
Осмотрите или замените демпферный шкив коленчатого вала / Осмотрите, отремонтируйте или замените подшипник натяжителя приводного ремня.
Проскальзывание, износ или недостаточное натяжение приводного ремня
Отрегулировать натяжение/осмотреть/отремонтировать/заменить приводной ремень.
Неисправный регулятор напряжения
Осмотрите/отремонтируйте/замените регулятор напряжения.
Неисправный генератор
Осмотрите/отремонтируйте/замените генератор.
Перегорел главный предохранитель генератора
Осмотрите/отремонтируйте/замените главный предохранитель генератора или проводку аккумуляторной батареи.
Дефектная земля
Осмотрите/отремонтируйте/замените массу.
Разряженный аккумулятор
Отрегулировать натяжение/осмотреть/отремонтировать/заменить приводной ремень.
Осмотрите/отремонтируйте/замените проводное соединение.
Осмотрите/отремонтируйте/замените главный предохранитель генератора.
Осмотрите/отремонтируйте/замените генератор.
Осмотрите/отремонтируйте/замените регулятор напряжения.
Осмотрите/отремонтируйте/замените аккумуляторный блок.
Проверить на темновой ток / отремонтировать / заменить.
Обучение/осмотр/ремонт/замена датчика батареи.
Проверить на короткое замыкание/отремонтировать/заменить кабель аккумулятора.
Осмотрите/отремонтируйте/замените ECM.
Осмотрите/отремонтируйте/замените электрические детали кузова.
Проверить/отремонтировать/заменить состояние установки разъема генератора.
Осмотрите/отремонтируйте/замените затяжку (+) и (-) клемм аккумуляторной батареи до упора. заданный крутящий момент.
Вздувшаяся батарея
Неисправный аккумулятор
Осмотрите/замените батарею.
Неисправен регулятор напряжения или генератор
Осмотрите/отремонтируйте/замените регулятор напряжения или генератор.
Неисправные детали или проводка, связанные с зарядкой
Осмотрите / отремонтируйте / замените детали и проводку, связанные с зарядкой.
После осмотра отремонтируйте или замените соответствующие детали в случае неисправности.

Свеча зажигания
Описание и работа Описание Свеча зажигания — это устройство для подачи электрического тока от системы зажигания. в камеру сгорания двигателя с искровым зажиганием для воспламенения...
Генератор
Описание и работа Описание Генератор переменного тока имеет восемь встроенных диодов, каждый из которых преобразует переменный ток в постоянный. Следовательно, на генераторе «В» появляется постоянный ток...
Дополнительная информация:

Kia Optima DL3 2019-2023 Руководство по эксплуатации: Ответственность владельца


✽ УВЕДОМЛЕНИЕ Техническое обслуживание и сохранение записей являются обязанностью владельца. Вы должны сохранить документы, свидетельствующие о том, что было выполнено надлежащее техническое обслуживание. на вашем автомобиле в соответствии с графиками планового технического обслуживания, представленными на следующих страницах. Вам нужна эта информация, чтобы...

Руководство по ремонту и обслуживанию Kia Optima DL3 2019-2023: Система поясничного подпора


Процедуры ремонта осмотр 1. Снимите спинку переднего сиденья. (См. Кузов — «Крышка спинки переднего сиденья») 2. Отсоедините разъем (А). 3. При подаче питания от аккумулятора на разъем двигателя проверьте...