#заголовок

Hyundai Sonata: дверные зеркала с электроприводом / принципиальные схемы переключателей дверных зеркал с электроприводом

Hyundai Sonata LF 2014-2019 Руководство по ремонту / Электрическая система кузова / Зеркала с электроприводом / Принципиальные схемы переключателей зеркал заднего вида с электроприводом

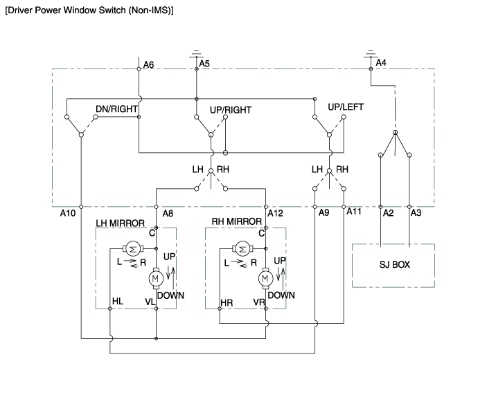
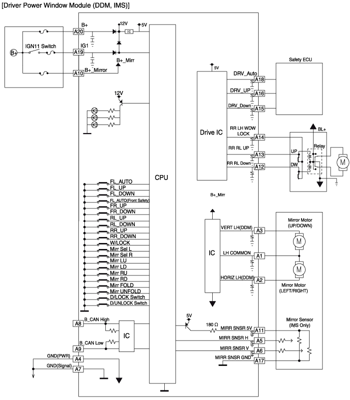
Принципиальная электрическая схема

Компоненты переключателя зеркала заднего вида с электроприводом и расположение компонентов
Компоненты ...
Процедуры ремонта переключателя зеркала заднего вида с электроприводом
осмотр [Модуль стеклоподъемника (IMS)] 1. Отсоедините отрицательную (-) клемму аккумуляторной батареи. 2. Снимите обшивку передней левой двери. (См. Кузов — «Облицовка передней двери») 3. Отключите питание ми...
Дополнительная информация:

Руководство по эксплуатации Hyundai Sonata LF 2014-2019: Включение стояночного тормоза
Чтобы включить EPB (электронный стояночный тормоз): 1. Нажмите на педаль тормоза. 2. Потяните переключатель EPB вверх. Убедитесь, что загорелась сигнальная лампа стояночного тормоза. EPB применяется автоматически, если переключатель [AUTO HOLD] включен, когда двигатель выключен. Однако, если вы нажмете переключатель EPB в течение o ...

Руководство по обслуживанию Hyundai Sonata LF 2014-2019: Компоненты педали тормоза и расположение компонентов
Компоненты 1. Тормозной элемент в сборе. Выключатель стоп-сигнала 3. Болт4. Возвратная пружина 5. Узел педали тормоза 6. Стопорная пластина...

avtotema.org