Kia Picanto: система зарядки / преобразователь постоянного тока в постоянный

Руководство по ремонту и обслуживанию Kia Picanto JA 2017-2023 гг. / Электрическая система двигателя / Система зарядки / Преобразователь постоянного тока в постоянный

Описание и работа
Описание
Должный к значительно более частому возникновению пусковых операций, возникающая электрическая нагрузка часто приводит к провалам напряжения в автомобильная сеть.
В для стабилизации питания для некоторых чувствительных к напряжению электрические компоненты, преобразователь постоянного тока в постоянный используется вместе с функция ИСГ.
Преобразователь постоянного тока в постоянный подает на реле напряжение, которое также остается постоянным во время операции пуска.
Преобразователь постоянного тока в постоянный установлен за перчаточным ящиком.
С помощью измерительные провода для входного напряжения и пускового реле, электроники решить, подается ли питание на выход через байпас или Преобразователь постоянного тока в постоянный.
В в режиме байпаса напряжение бортовой сети не подается через преобразователь DC/DC, а точнее передается непосредственно на выходы. В бустерная фаза, напряжение автомобиля адаптируется.
Принцип работы

В режим ISG, если питание аудиосистемы выключается по просадке во время работы функции «Автозапуск» или «Запуск на холостом ходу», замените Преобразователь постоянного тока в постоянный.
Компоненты и расположение компонентов
Расположение компонента

1. Преобразователь постоянного тока в постоянный


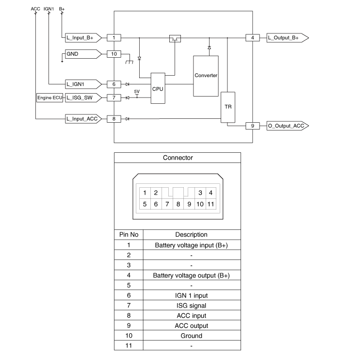
Принципиальные диаграммы
Принципиальная электрическая схема

Процедуры ремонта
Удаление
1.
Выключите зажигание и отсоедините отрицательную (-) клемму аккумуляторной батареи.
2.
Снимите нижнюю панель аварийной подушки.
(См. Кузов (внутри и снаружи) — «Нижняя панель аварийной площадки»)
3.
Отсоедините разъем преобразователя постоянного тока в постоянный (А).
4.
Снимите преобразователь постоянного/постоянного тока (В) после удаления гайки и винта.
Установочная гайка преобразователя постоянного тока в постоянный:
4,0–6,0 Н·м (0,4–0,6 кгс·м, 3,0–4,4 фунт-фут)

Монтаж
После повторное подключение отрицательного кабеля аккумулятора, функция ISG не работает пока система не стабилизируется, около 4 часов. Если отсоединить отрицательный (-) кабель аккумулятора от аккумулятора во время ремонтных работ для автомобиль, оснащенный функцией AMS, повторная калибровка датчика аккумулятора Процедуру следует выполнять после окончания ремонтных работ.
1.
Установите в порядке, обратном снятию.
Генератор
Технические характеристики Спецификация ▷ 13,5 В, 120 А [только ISG] Элемент Спецификация Номинальное напряжение 13,5 В, 120 А Частота вращения 1000 ...
Батарея
Технические характеристики Спецификация ▷ CMF45L-DIN Элемент Спецификация Емкость [20 ч/5 ч] (Ач) 45/36 Сила тока при холодном пуске ( ...
Дополнительная информация:

Руководство по ремонту и обслуживанию Kia Picanto JA 2017-2023: Топливный насос


Процедуры ремонта осмотр [Топливный насос] 1.Выключите зажигание и отсоедините отрицательный (-) провод аккумулятора. 2. Снимите узел топливного насоса. 3. Проверьте работу двигателя, подключив разъем топливного насоса (A), питание (№ 2) и массу (№ 4). Пин № ...

Kia Picanto JA 2017-2023 Руководство по эксплуатации: Обогрев форсунки омывателя


Подогрев форсунок омывателя с функцией размораживания форсунки омывателя замерзают погода. Включится обогрев форсунки омывателя и выключается автоматически при включении зажигания выключатель находится в положении ON или когда двигатель работает в следующих условиях: - Включается при температуре наружного воздуха ниже 5°C, ...