Kia Picanto: электрическая система двигателя/система зарядки
Компоненты и расположение компонентов
① ЭБУ
② Аккумулятор
③ Генератор
④ Стартер
⑤ Комбинация приборов
⑥ Выключатель зажигания или кнопка пуска/остановки
⑦ Датчик батареи
⑧ Выключатель капота
Описание и работа
Система зарядки состоит из аккумулятора, генератора переменного тока со встроенным регулятором, индикатора зарядки и провода.
Генератор переменного тока имеет восемь встроенных диодов, каждый из которых преобразует переменный ток в постоянный.
Поэтому на клемме «В» генератора появляется постоянный ток.
Зарядное напряжение этого генератора регулируется аккумуляторной батареей.
система определения напряжения. Основными элементами генератора являются
ротор, статор, выпрямитель, конденсаторные щетки, подшипники и поликлиновой ремень
шкив. Щеткодержатель содержит встроенный электронный датчик напряжения.
регулятор.
Система управления генератором
Генератор
система управления контролирует уставку зарядного напряжения, чтобы
улучшить экономию топлива, управлять нагрузкой генератора при различных условиях эксплуатации
условий, держите аккумулятор заряженным и защищайте аккумулятор от
перезарядка. ECM управляет генерирующим напряжением по рабочему циклу (зарядка
контроль, контроль разрядки, нормальный контроль) в зависимости от батареи
условиях и условиях эксплуатации автомобиля.
система осуществляет управление разрядкой, когда автомобиль ускоряется.
Транспортное средство снижает нагрузку на генератор и потребляет электроэнергию от
батарея.
система осуществляет управление зарядкой, когда автомобиль замедляется. Транспортное средство
увеличивает нагрузку на генератор и заряжает аккумулятор.
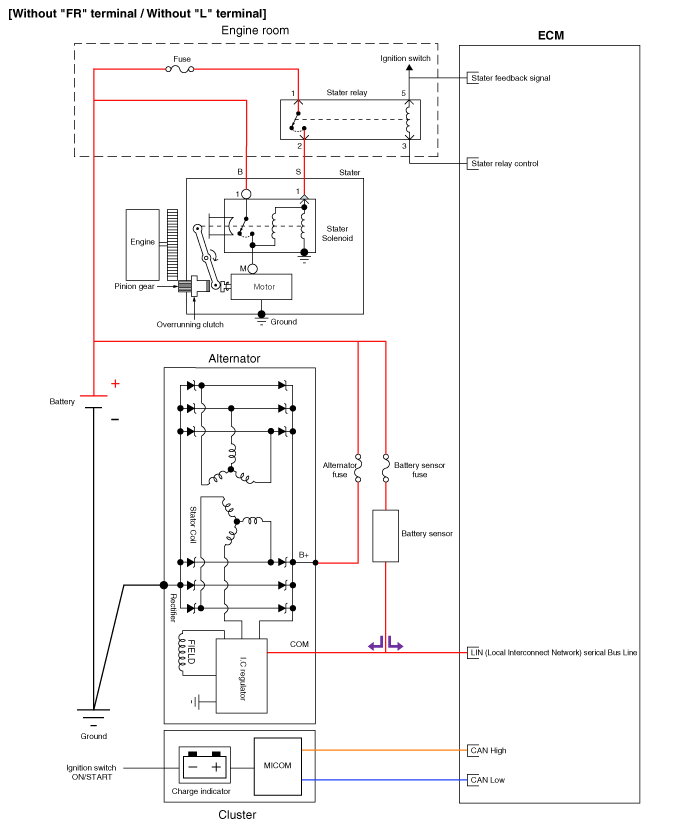
Принципиальные диаграммы
|
Принципиальная электрическая схема
|
Процедуры ремонта
|
•
|
Проверка эффективности батареи
|
|
•
|
Проверка напряжения батареи
|
|
•
|
Проверка зарядного напряжения
|
|
•
|
Проверка состояния затяжки клемм
|
|
•
|
Проверка состояния двигателя/трансмиссии
|
|
•
|
Проверка состояния заземления жгута проводов
|
|
•
|
Электрические характеристики Осмотр
|
|
•
|
Контроль паразитных токов автомобиля
|
|
•
|
Проверка емкости аккумулятора
|
Проверка эффективности батареи
|
•
|
Убедитесь, что кабели аккумуляторной батареи подключены к правильным клеммам.
|
|
•
|
Отсоедините кабели аккумулятора, когда аккумулятор быстро заряжается.
|
|
•
|
Никогда не отсоединяйте аккумуляторную батарею при работающем двигателе.
|
|
•
|
Выполните тест батареи с помощью нагрузочного тестера и тестера батареи.
|
|
Проверка напряжения батареи
|
1.
|
После
управляя транспортным средством и в случае, если 20 минут не
прошло после остановки двигателя, включите зажигание и
включите электрическую систему (фары, электродвигатель вентилятора, обогреватель заднего стекла)
д.) в течение 60 секунд для снятия поверхностного заряда.
|
|
2.
|
Выключите зажигание и выключите электрические системы.
|
|
3.
|
Измерьте напряжение аккумулятора между отрицательным (-) и положительным (+) полюсами аккумулятора.
|
Стандартное напряжение: примерно 12,5–12,9 В [при 20°C (68°F)]
|
Если напряжение ниже указанного, зарядите аккумулятор.
|
Общий осмотр
|
1.
|
Убедитесь, что клеммы аккумулятора не ослаблены и не повреждены коррозией.
(См. Система зарядки — «Аккумулятор»)
|
|
2.
|
Проверьте предохранители на непрерывность.
Предохранитель генератора
|
(1)
|
Проверьте предохранитель генератора на непрерывность.
|
|
(2)
|
Измерьте напряжение, как показано на рисунке ниже.
|
Стандартное значение: приблизительно 0 В
|
|
|
(3)
|
Если предохранитель генератора перегорел, замените его, как описано ниже:
|
а.
|
Выключите зажигание и отсоедините отрицательную (-) клемму аккумуляторной батареи.
|
|
б.
|
Снимите гайку крепления положительного (+) кабеля аккумуляторной батареи.
|
|
в.
|
Замените штатный предохранитель генератора или кабель аккумулятора.
|
|
д.
|
Установите в порядке, обратном снятию.
|
|
|
|
3.
|
Осмотрите приводной ремень.
|
(1)
|
Визуально проверьте ремень на наличие чрезмерного износа, потертых шнуров и т. д.
При обнаружении дефекта замените приводной ремень.
|
•
|
Трещины на ребре ремня считаются допустимыми. Если на ремне отсутствуют куски ребер, его следует заменить.
|
|
|
|
|
4.
|
Измерьте и отрегулируйте натяжение приводного ремня.
(См. Механическая система двигателя — «Приводной ремень»)
|
|
5.
|
Визуально проверьте проводку генератора и прислушайтесь к ненормальным шумам.
|
(1)
|
Убедитесь, что проводка находится в хорошем состоянии.
|
|
(2)
|
Убедитесь в отсутствии ненормального шума от генератора при работающем двигателе.
|
|
|
6.
|
Проверьте цепь сигнальной лампы разряда.
|
(1)
|
Прогрейте двигатель, а затем выключите его.
|
|
(2)
|
Выключите все аксессуары.
|
|
(3)
|
Включите зажигание. Убедитесь, что контрольная лампа разряда горит.
|
|
(4)
|
Запустить двигатель. Убедитесь, что лампа горит.
Если лампа не выключается, как указано, устраните неисправность в цепи газоразрядной лампы.
|
|
Государственная инспекция клеммной затяжки
|
•
|
Состояние клемм B+ генератора
|
|
•
|
Гайка затяжки клеммы B+ генератора
|
|
•
|
Состояние положительной (+) клеммы аккумулятора
|
|
•
|
Состояние затяжки положительной (+) клеммы аккумулятора
|
|
•
|
Состояние отрицательной (-) клеммы аккумулятора
|
|
•
|
Состояние затяжки отрицательной (-) клеммы аккумуляторной батареи
|
|
•
|
Состояние затяжки болта крепления отрицательной (-) клеммы аккумулятора (масса шасси)
|
|
•
|
Состояние клеммы отрицательного (-) датчика аккумулятора (с датчиком аккумулятора)
|
|
•
|
Состояние затяжки отрицательной (-) клеммы датчика аккумуляторной батареи (с датчиком аккумуляторной батареи)
|
|
•
|
Состояние затяжки крепежного болта отрицательной (-) клеммы датчика аккумуляторной батареи (масса шасси) [с датчиком аккумуляторной батареи]
|
|
•
|
Положительное (+) состояние жгута проводов блока предохранителей и реле в моторном отсеке
|
|
•
|
Состояние затяжки гайки положительного (+) жгута проводов блока предохранителей и реле в моторном отсеке
|
|
•
|
Проверьте состояние замыкания на землю по окраске шасси.
|
|
|
Расположение контрольного компонента
|
1. Клемма B+ генератора
2. Положительная (+) клемма блока предохранителей и реле в моторном отсеке.
3. Отрицательная (+) клемма аккумулятора
|
4. Отрицательная (-) клемма аккумуляторной батареи
5. Заземление шасси
|
Проверка состояния двигателя/ коробки передач
|
•
|
Состояние затяжки крепежных болтов (шасси)
|
|
•
|
Состояние затяжки крепежных болтов (двигатель)
|
|
•
|
Проверьте состояние замыкания на землю по окраске шасси.
|
|
Проверка состояния заземления жгута проводов
|
•
|
Состояние затяжки крепежных болтов (шасси)
|
|
•
|
Состояние затяжки крепежных болтов (двигатель)
|
|
•
|
Проверьте состояние замыкания на землю по окраске шасси.
|
|
1. Масса двигателя (двигатель ↔ шасси)
2. Масса коробки передач (трансмиссия ↔ шасси)
|
|
|
Проверьте точку заземления.
(См. Схема жгута ETM — «Точка заземления»)
|
Проверка заданного электрического значения (с помощью вольтметра и амперметра)
|
1.
|
Испытание на падение напряжения выходного провода генератора переменного тока
Этот
Проверка определяет, подключена ли проводка между генератором "B"
клемма и клемма аккумулятора (+) исправны по падению напряжения
метод.
|
(1)
|
Подготовка
|
а.
|
Поверните ключ зажигания в положение «ВЫКЛ».
|
|
б.
|
Отключить
выходной провод от клеммы "В" генератора. Подсоедините провод (+)
провод амперметра к клемме "В" генератора и подводящему проводу (-)
амперметра к выходному проводу. Подсоедините провод (+) вольтметра к
клемму «В» генератора и провод (-) вольтметра к
клемма (+) аккумулятора.
|
|
|
(2)
|
Тест
|
б.
|
Включите фары и двигатель вентилятора, отрегулируйте скорость двигателя, пока амперметр не покажет 20 А, и снимите показания вольтметра.
|
|
|
(3)
|
Результат
|
а.
|
Вольтметр должен показывать, как указано.
|
Стандартное значение: 0,2 В макс.
|
|
|
б.
|
Если
значение вольтметра выше ожидаемого (выше 0,2 В макс.),
есть подозрения на плохую проводку. В этом случае проверьте проводку от
клемму «В» генератора к клемме (+) аккумуляторной батареи. Проверьте, не ослаблены ли
соединений, изменение цвета из-за перегрева жгута и т. д. Исправить
их перед повторным тестированием.
|
|
в.
|
По завершении проверки установите обороты двигателя на холостом ходу. Выключите фары, двигатель вентилятора и замок зажигания.
|
|
|
|
2.
|
Тест выходного тока
Этот тест определяет, дает ли генератор переменного тока выходной ток, эквивалентный нормальному выходному току.
|
(1)
|
Подготовка
|
а.
|
Перед испытанием проверьте следующие пункты и при необходимости исправьте.
Проверять
батарея, установленная в транспортном средстве, чтобы убедиться, что она в хорошем состоянии
состояние. Обратитесь к разделу «Батарея» для проверки батареи.
Батарея, используемая для проверки выходного тока, должна быть частично разряжена.
При полностью заряженном аккумуляторе тест может быть проведен некорректно из-за недостаточной нагрузки.
Проверьте натяжение ремня привода генератора. См. раздел «Проверка приводного ремня» для проверки натяжения ремня.
|
|
в.
|
Отсоедините кабель заземления аккумуляторной батареи.
|
|
д.
|
Отсоедините выходной провод генератора от клеммы «В» генератора.
|
|
е.
|
Соединять
амперметр постоянного тока (от 0 до 150 А) последовательно между клеммой «В» и
отсоединенный выходной провод. Обязательно подсоедините (-) подводящий провод
амперметр к отключенному выходному проводу.
|
Надежно затяните каждое соединение, так как будет протекать сильный ток. Не полагайтесь на клипсы.
|
|
|
ф.
|
Соединять
вольтметр (от 0 до 20 В) между клеммой «В» и массой. Подключить
(+) подводящий провод к клемме «B» генератора и (-) подводящий провод к
хорошая земля.
|
|
г.
|
Подсоедините кабель заземления аккумулятора.
|
|
час
|
Оставьте капот двигателя открытым.
|
|
|
(2)
|
Тест
|
а.
|
Проверять
чтобы убедиться, что показания вольтметра совпадают с напряжением аккумулятора. Если
вольтметр показывает 0 В, обрыв в проводе между генератором "В"
клемма и клемма аккумулятора (+) или плохое заземление.
|
|
б.
|
Запустите двигатель и включите фары.
|
|
в.
|
Набор
фары переключаются на дальний свет, а вентилятор отопителя переключается на HIGH. Затем,
быстро увеличить обороты двигателя до 2500 об/мин и считать максимальное
значение выходного тока, указанное амперметром.
|
•
|
После
двигатель заводится, зарядный ток быстро падает. Следовательно
вышеуказанная операция должна быть выполнена быстро, чтобы прочитать максимальное значение тока
правильно.
|
|
|
|
|
(3)
|
Результат
|
а.
|
показания амперметра должны быть выше предельного значения. Если он ниже
несмотря на то, что выходной провод генератора в хорошем состоянии, снимите
генератор от автомобиля и проверьте его.
|
Предельное значение: 60% от нормы напряжения
|
|
• Номинальное значение выходного тока указано на паспортной табличке, прикрепленной к корпусу генератора.
|
|
•
|
значение выходного тока изменяется в зависимости от электрической нагрузки и
температура самого генератора. Поэтому номинальная мощность
ток можно не получить. В таком случае не выключайте фары
разрядить аккумулятор или использовать фары других транспортных средств для увеличения
электрическая нагрузка.
Номинальный выходной ток не может быть
получается, если температура самого генератора или окружающей среды
температура слишком высокая. В таком случае снизьте температуру перед
снова тестирование.
|
|
|
|
б.
|
По завершении проверки выходного тока уменьшите обороты двигателя до холостого хода и выключите зажигание.
|
|
в.
|
Отсоедините отрицательную (-) клемму аккумуляторной батареи.
|
|
д.
|
Снимите амперметр, вольтметр и тахометр двигателя.
|
|
е.
|
Подсоедините выходной провод генератора к клемме «В» генератора.
|
|
ф.
|
Подсоедините отрицательную (-) клемму аккумуляторной батареи.
|
|
|
|
3.
|
Испытание регулируемым напряжением
Целью этого теста является проверка того, что электронный регулятор напряжения правильно управляет напряжением.
|
(1)
|
Подготовка
|
а.
|
Перед испытанием проверьте следующие пункты и при необходимости исправьте.
Убедитесь, что аккумуляторная батарея, установленная на автомобиле, полностью заряжена. См. раздел «Аккумулятор» для проверки аккумулятора.
Проверьте натяжение ремня привода генератора. См. раздел «Проверка приводного ремня» для проверки натяжения ремня.
|
|
б.
|
Поверните ключ зажигания в положение «ВЫКЛ».
|
|
в.
|
Отсоедините отрицательную (-) клемму аккумуляторной батареи.
|
|
д.
|
Соединять
цифровой вольтметр между клеммой «В» генератора и
земля. Подсоедините провод (+) вольтметра к клемме «В»
генератор. Подсоедините провод (-) к хорошему заземлению или аккумулятору (-).
Терминал.
|
|
е.
|
Отсоедините выходной провод генератора от клеммы «В» генератора.
|
|
ф.
|
Соединять
амперметр постоянного тока (от 0 до 150 А) последовательно между клеммой «В» и
отсоединенный выходной провод. Подсоедините провод (-) амперметра к
отсоединенный выходной провод.
|
|
г.
|
Подсоедините отрицательную (-) клемму аккумуляторной батареи.
|
|
|
(2)
|
Тест
|
а.
|
Включите зажигание и убедитесь, что вольтметр показывает следующее значение.
|
Напряжение: напряжение батареи
|
Если
показывает 0В, обрыв в проводе между
Клемма "B" генератора, аккумулятор и клемма (-) аккумуляторной батареи.
|
|
б.
|
Запустить двигатель. Выключите все осветительные приборы и аксессуары.
|
|
в.
|
Запустите двигатель на скорости около 2500 об/мин и снимите показания вольтметра, когда выходной ток генератора упадет до 10 А или меньше.
|
|
|
(3)
|
Результат
|
а.
|
Если показания вольтметра не соответствуют нормативному значению, неисправен регулятор напряжения или генератор.
|
Регулируемое напряжение: 11,7–15,3 В
|
|
|
б.
|
Если показания вольтметра не соответствуют нормативному значению, неисправен регулятор напряжения или генератор.
|
|
в.
|
Отсоедините отрицательную (-) клемму аккумуляторной батареи.
|
|
д.
|
Снимите вольтметр и амперметр.
|
|
е.
|
Подсоедините выходной провод генератора к клемме «В» генератора.
|
|
ф.
|
Подсоедините отрицательную (-) клемму аккумуляторной батареи.
|
|
|
Проверка электрических характеристик (с использованием вольтметра и амперметра клещевого типа)
|
1.
|
Испытание на падение напряжения выходного провода генератора переменного тока
Этот
Проверка определяет, подключена ли проводка между генератором "B"
клемма и клемма аккумулятора (+) исправны по падению напряжения
метод.
|
(1)
|
Подготовка
|
а.
|
Поверните ключ зажигания в положение «ВЫКЛ».
|
|
б.
|
Установите амперметр клещевого типа между положительной (+) аккумуляторной батареи и клеммой «В» генератора.
|
|
в.
|
Соединять
(+) подводящий провод вольтметра к клемме «В» генератора и
(-) подводящий провод вольтметра к (+) клемме аккумулятора.
|
|
|
(2)
|
Тест
|
б.
|
Включите фары и мотор вентилятора. Затем регулируйте скорость двигателя до тех пор, пока амперметр не покажет 20 А, и снимите показания вольтметра.
|
|
|
(3)
|
Результат
|
а.
|
Вольтметр должен показывать, как указано.
|
Стандартное значение: 0,2 В макс.
|
|
|
б.
|
Если
значение вольтметра выше ожидаемого (до 0,2 В), плохое
есть подозрения на проводку. В этом случае проверьте проводку от генератора
Клемма «В» к клемме (+) аккумуляторной батареи. Проверьте наличие ослабленных соединений,
изменение цвета из-за перегрева жгута и т. д. Исправьте их перед
снова тестирование.
|
|
в.
|
По завершении проверки установите обороты двигателя на холостом ходу. Выключите фары, электровентилятор и замок зажигания.
|
|
|
|
2.
|
Тест выходного тока
Этот тест определяет, дает ли генератор переменного тока выходной ток, эквивалентный нормальному выходному току.
|
(1)
|
Подготовка
|
а.
|
Перед испытанием проверьте следующие пункты и при необходимости исправьте.
Проверять
батарея, установленная в транспортном средстве, чтобы убедиться, что это хорошо
состояние. См. раздел «Аккумулятор» для проверки аккумулятора.
Батарея, используемая для проверки выходного тока, должна быть частично разряжена.
При полностью заряженном аккумуляторе тест может быть проведен некорректно из-за недостаточной нагрузки.
Проверьте натяжение ремня привода генератора. См. раздел «Проверка приводного ремня» для проверки натяжения ремня.
|
|
в.
|
Отсоедините отрицательную (-) клемму аккумуляторной батареи.
|
|
д.
|
Установите амперметр клещевого типа между положительной (+) аккумуляторной батареи и клеммой «В» генератора.
|
|
е.
|
Соединять
амперметр постоянного тока (от 0 до 150 А) последовательно между клеммой «В» и
отсоединенный выходной провод. Обязательно подсоедините (-) подводящий провод
амперметр к отключенному выходному проводу.
|
Надежно затяните каждое соединение, так как будет протекать сильный ток. Не полагайтесь на клипсы.
|
|
|
ф.
|
Соединять
вольтметр (от 0 до 20 В) между клеммой «В» и массой. Подключить
(+) подводящий провод к клемме «B» генератора и (-) подводящий провод к
хорошая земля.
|
|
г.
|
Подсоедините отрицательную (-) клемму аккумуляторной батареи.
|
|
час
|
Оставьте капот двигателя открытым.
|
|
|
(2)
|
Тест
|
а.
|
Проверять
чтобы убедиться, что показания вольтметра совпадают с напряжением аккумулятора. Если
вольтметр показывает 0 В, обрыв в проводе между генератором "В"
клемма и клемма аккумулятора (+) или плохое заземление.
|
|
б.
|
Запустите двигатель и включите фары.
|
|
в.
|
Набор
фары переключаются на дальний свет, а вентилятор отопителя переключается на HIGH. Затем,
быстро увеличить обороты двигателя до 2500 об/мин и считать максимальное
выходной ток на амперметре.
|
•
|
После
двигатель заводится, зарядный ток быстро падает. Следовательно
вышеуказанная операция должна быть выполнена быстро, чтобы прочитать максимальное значение тока
правильно.
|
|
|
|
|
(3)
|
Результат
|
а.
|
показания амперметра должны быть выше предельного значения. Если он ниже
несмотря на то, что выходной провод генератора в хорошем состоянии, снимите
генератор от автомобиля и проверьте его.
|
Предельное значение: 60% от нормы напряжения
|
|
• Номинальное значение выходного тока указано на паспортной табличке, прикрепленной к корпусу генератора.
|
|
•
|
значение выходного тока изменяется в зависимости от электрической нагрузки и
температура самого генератора. Поэтому номинальная мощность
ток можно не получить. В таком случае не выключайте фары
разрядить аккумулятор или использовать фары других транспортных средств для увеличения
электрическая нагрузка.
Номинальный выходной ток не может быть
получается, если температура самого генератора или окружающей среды
температура слишком высокая. В таком случае снизьте температуру перед
снова тестирование.
|
|
|
|
б.
|
По завершении проверки выходного тока уменьшите обороты двигателя до холостого хода и выключите зажигание.
|
|
в.
|
Отсоедините отрицательную (-) клемму аккумуляторной батареи.
|
|
д.
|
Снимите амперметр, вольтметр и тахометр двигателя.
|
|
е.
|
Подсоедините выходной провод генератора к клемме «В» генератора.
|
|
ф.
|
Подсоедините отрицательную (-) клемму аккумуляторной батареи.
|
|
|
|
3.
|
Испытание регулируемым напряжением
Целью этого теста является проверка того, что электронный регулятор напряжения правильно управляет напряжением.
|
(1)
|
Подготовка
|
а.
|
Перед испытанием проверьте следующие пункты и при необходимости исправьте.
Убедитесь, что аккумуляторная батарея, установленная на автомобиле, полностью заряжена. См. раздел «Аккумулятор» для проверки аккумулятора.
Проверьте натяжение ремня привода генератора. См. раздел «Проверка приводного ремня» для проверки натяжения ремня.
|
|
б.
|
Поверните ключ зажигания в положение «ВЫКЛ».
|
|
в.
|
Отсоедините отрицательную (-) клемму аккумуляторной батареи.
|
|
д.
|
Соединять
цифровой вольтметр между клеммой «В» генератора и
земля. Подсоедините провод (+) вольтметра к клемме «В»
генератор. Подсоедините провод (-) к хорошему заземлению или аккумулятору (-).
Терминал.
|
|
е.
|
Отсоедините выходной провод генератора от клеммы «В» генератора.
|
|
ф.
|
Соединять
амперметр постоянного тока (от 0 до 150 А) последовательно между клеммой «В» и
отсоединенный выходной провод. Подсоедините провод (-) амперметра к
отсоединенный выходной провод.
|
|
г.
|
Подсоедините отрицательную (-) клемму аккумуляторной батареи.
|
|
|
(2)
|
Тест
|
а.
|
Включите зажигание и убедитесь, что вольтметр показывает следующее значение.
|
Напряжение: напряжение батареи
|
Если
показывает 0В, обрыв в проводе между
Клемма "B" генератора, аккумулятор и клемма (-) аккумуляторной батареи.
|
|
б.
|
Запустить двигатель. Держите все источники света и аксессуары выключенными.
|
|
в.
|
Запустите двигатель на скорости около 2500 об/мин и снимите показания вольтметра, когда выходной ток генератора упадет до 10 А или меньше.
|
|
|
(3)
|
Результат
|
а.
|
Если показания вольтметра не соответствуют нормативному значению, неисправен регулятор напряжения или генератор.
|
Регулируемое напряжение: 11,7–15,3 В
|
|
|
б.
|
Если показания вольтметра не соответствуют нормативному значению, неисправен регулятор напряжения или генератор.
|
|
в.
|
Отсоедините отрицательную (-) клемму аккумуляторной батареи.
|
|
д.
|
Снимите вольтметр и амперметр.
|
|
е.
|
Подсоедините выходной провод генератора к клемме «В» генератора.
|
|
ф.
|
Подсоедините отрицательную (-) клемму аккумуляторной батареи.
|
|
|
Контроль паразитных токов автомобиля
[Использование амперметра]
|
1.
|
Выключите все электрические устройства, а затем выключите зажигание.
|
|
2.
|
Закройте все двери, кроме капота двигателя, а затем заприте все двери.
|
(1)
|
Отсоедините разъем выключателя капота.
|
|
(2)
|
Закройте крышку багажника.
|
|
(3)
|
Закройте двери или снимите дверные выключатели.
|
|
|
3.
|
Подождите несколько минут, пока электрические системы автомобиля не перейдут в спящий режим.
|
•
|
Для
точное измерение паразитного тока автомобиля, всех электрических
системы должны находиться в спящем режиме. (Это занимает не менее одного часа или не более
один день.) Тем не менее, приблизительный паразитный ток автомобиля может быть
измеряется через 10-20 минут.
|
|
|
|
4.
|
Соединять
амперметр последовательно между клеммой аккумулятора (-) и землей
кабель, а затем отсоедините зажим от клеммы аккумулятора (-).
медленно.
|
•
|
Делать
убедитесь, что подводящие провода амперметра надежно подключены к
клемму аккумулятора (-) и массу, чтобы предотвратить сброс аккумулятора.
В случае сброса батареи снова подсоедините кабель батареи, а затем
запустите двигатель или включите зажигание более чем на 10
секунды. Повторите процедуру с №1.
Для предотвращения сброса батареи во время проверки:
|
|
1)
|
Подсоедините соединительный кабель между клеммой аккумулятора (-) и кабелем заземления.
|
|
2)
|
Отсоедините кабель заземления от клеммы (-) аккумуляторной батареи.
|
|
3)
|
Подключите амперметр между клеммой аккумулятора (-) и кабелем заземления.
|
|
4)
|
После отсоединения соединительного кабеля считайте текущее значение амперметра.
|
|
|
|
5.
|
Считайте текущее значение амперметра.
|
•
|
Если
паразитный ток превышает предельное значение, поиск ненормального
цепь, удаляя предохранители один за другим и проверяя паразитные
текущий.
|
|
•
|
Подсоедините только предохранитель, подозреваемый в паразитном токе, и найдите
проблемный блок, удалив компоненты, подключенные к цепи
один за другим, пока паразитная тяга не упадет ниже предельного значения.
|
|
Предельное значение (через 10–20 мин.): ниже 50 мА.
|
|
[Использование амперметра клещевого типа]
|
1.
|
Выключите все электрические устройства, а затем выключите зажигание.
|
|
2.
|
Закройте все двери, кроме капота двигателя, а затем заприте все двери.
|
(1)
|
Отсоедините разъем выключателя капота.
|
|
(2)
|
Закройте крышку багажника.
|
|
(3)
|
Закройте двери или снимите дверные выключатели.
|
|
|
3.
|
Подождите несколько минут, пока электрические системы автомобиля не перейдут в спящий режим.
|
•
|
Для
точное измерение паразитного тока автомобиля, всех электрических
системы должны находиться в спящем режиме. (Это занимает не менее одного часа или не более
один день.) Тем не менее, приблизительный паразитный ток автомобиля может быть
измеряется через 10-20 минут.
|
|
|
|
4.
|
Установите амперметр клещевого типа на отрицательную (-) клемму аккумуляторной батареи.
|
|
5.
|
Считайте текущее значение амперметра.
|
•
|
Если
паразитный ток превышает предельное значение, поиск ненормального
цепь, удаляя предохранители один за другим и проверяя паразитные
текущий.
|
|
•
|
Повторное подключение
только предохранитель, подозреваемый в паразитном токе, и поиск
проблемный блок, удалив компоненты, подключенные к цепи один
на единицу до тех пор, пока паразитное потребление не упадет ниже предельного значения.
|
|
Предельное значение (через 10–20 мин.): ниже 50 мА.
|
|
Поиск неисправностей
Симптом
|
Подозрительная зона
|
Средство
|
Индикатор предупреждения о зарядке не
включить во время зажигания ключ "ON"
и двигатель выключен.
|
Перегорел предохранитель
|
Проверьте предохранители
|
Перегорела лампа
|
Заменить свет
|
Ослаблено соединение проводки
|
Затянуть ослабленное соединение
|
Электронный регулятор напряжения
|
Если лампа гаснет, замените регулятор напряжения.
|
Индикатор предупреждения о зарядке не
выключается при работающем двигателе.
(аккумулятор требует частой подзарядки)
|
Приводной ремень ослаблен или изношен
|
Отрегулируйте натяжение ремня или замените ремень
|
Кабель аккумулятора ослаблен, корродирован или изношен
|
Осмотрите кабельное соединение, отремонтируйте или замените кабель
|
Электронный регулятор напряжения или генератор
|
Если индикатор гаснет, замените регулятор напряжения или генератор.
|
Электропроводка
|
Ремонт или замена проводки
|
Перезарядка
|
Электронный регулятор напряжения
|
Если индикатор гаснет, замените регулятор напряжения.
|
Провод датчика напряжения
|
Ремонт или замена проводки
|
Увольнять
|
Приводной ремень ослаблен или изношен
|
Отрегулируйте натяжение ремня или замените ремень
|
Ослабление соединения проводки или короткое замыкание
|
Проверьте соединение проводки, отремонтируйте или замените проводку
|
Электронный регулятор напряжения или генератор
|
Если индикатор гаснет, замените регулятор напряжения или генератор.
|
Плохое заземление
|
Проверьте или отремонтируйте заземление.
|
Изношенный аккумулятор
|
Заменить батарею
|
Технические характеристики
Спецификация
Система зажигания
Свеча зажигания
Элемент
Спецификация
Тип ELR11ISPC8+ Зазор 0,7 - 0,8 мм (0,0 ...
Технические характеристики
Спецификация
▷ 13,5 В, 120 А [только ISG]
Элемент
Спецификация
Номинальное напряжение 13,5 В, 120 А Частота вращения 1000 ...
Дополнительная информация:
Технические характеристики
Спецификация
▷ CMF45L-DIN
Элемент
Спецификация
Емкость [20 ч/5 ч] (Ач) 45/36 Сила тока при холодном пуске (А) 410 (SAE) / 410 (EN) Резервная емкость (мин) 80
▷ AGM50L-DIN
Элемент
...
Процедуры ремонта
Замена
1. Ослабьте болт крепления регулировочной шайбы (А) передней двери.
Момент затяжки :
19,6–29,4 Н·м (2,0–3,0 кгс·м, 14,5–21,7 фунт·фут)
2. Отсоедините зажимы, а затем снимите боковой уплотнитель передней двери (A).
3. Установить в обратном порядке или...