Kia Cee'd: ABS (антиблокировочная система тормозов) / Описание и работа

Описание
Эта спецификация относится к HCU (гидравлическому блоку управления) и ECU (электронному блоку управления). Блок управления) HECU.(Гидравлический и электронный блок управления)
Эта спецификация предназначена для проектирования проводки и установки ЭБУ АБС.
Этот блок имеет следующие функции.
Ввод сигнала от датчиков скорости вращения колес, прикрепленных к каждому колесу.
Контроль тормозной силы.
Отказоустойчивая функция.
Функция самодиагностики.
Интерфейс с внешним диагностическим тестером.
Место установки: моторный отсек
Длина тормозной трубки от порта главного цилиндра до впускного порта HECU должна быть макс. 1м
Положение не должно быть близко к блоку двигателя и не ниже колесо.
Операция
ЭБУ должен быть приведен в действие включением рабочего напряжения (IGN).
По завершении фазы инициализации ЭБУ должен быть готов к работе.
В рабочем состоянии ЭБУ должен быть готов, в указанных пределах (напряжение и температура), для обработки сигналов, предлагаемых различными датчиками и переключается в соответствии с алгоритмом управления, заданным программным обеспечением и для управления гидравлическими и электрическими приводами.
Обработка сигнала датчика колеса
ЭБУ должен получать сигнал скорости вращения колеса от четырех активных колесных датчиков.
Сигналы колес преобразуются в сигнал напряжения с помощью устройства формирования сигнала. схема после получения текущего сигнала от активных колесных датчиков и задается как вход в MCU.
Электромагнитный клапан управления
Когда одна сторона катушки клапана подключена к положительному напряжению, т.е. обеспечивается через реле клапана, а другая сторона подключена к земле по полупроводниковой схеме срабатывает электромагнитный клапан.
Электрическая функция катушек всегда контролируется тестом клапана. импульс в нормальных условиях эксплуатации.
Пределы напряжения
Перенапряжение
При обнаружении повышенного напряжения (выше 16,8 В) ЭБУ отключает питание. реле клапана и отключает систему.
Когда напряжение возвращается в рабочий диапазон, система возвращается к нормальное состояние после фазы инициализации.
Пониженное напряжение
В случае пониженного напряжения (ниже 9,3 В) управление АБС блокируется. и сигнальная лампа должна быть включена.
Когда напряжение возвращается в рабочий диапазон, контрольная лампа включается выключается, и ЭБУ возвращается в нормальный режим работы.
Проверка двигателя насоса
ЭБУ выполняет тест электродвигателя насоса на скорости 30 км/ч один раз после включения зажигания. на.
Диагностический интерфейс
Неисправности, обнаруженные ECU, кодируются в ECU, сохраняются в EEPROM и считывается диагностическим оборудованием при включении зажигания.
Интерфейс диагностики также можно использовать для тестирования ЭБУ в процессе производства. ECU и для приведения в действие HCU (линия стравливания воздуха или Roll and Brake Test линия).
Модуль сигнальной лампы

1.
Контрольная лампа АБС
Активная контрольная лампа АБС указывает на самопроверку и состояние неисправности. АБС. Контрольная лампа АБС должна гореть:
Во время фазы инициализации после IGN ON. (непрерывно 3 секунды).
В случае торможения работы АБС по отказу.
В режиме диагностики.
Когда разъем ECU отделен от ECU.
2.
Контрольная лампа EBD/стояночного тормоза
Активная контрольная лампа EBD указывает на состояние самопроверки и неисправности. из ЕБД. Однако, если переключатель стояночного тормоза включен, контрольная лампа EBD всегда включена независимо от функций EBD. Контрольная лампа EBD должна гореть:
Во время фазы инициализации после IGN ON. (непрерывно 3 секунды).
Когда переключатель стояночного тормоза включен или уровень тормозной жидкости низкий.
Когда функция EBD вышла из строя.
В режиме диагностики.
Когда разъем ECU отделен от ECU.
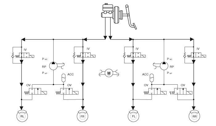
Управление АБС
1.
Обычное торможение без ABS

Впускной клапан (IV)
Выпускной клапан (ОВ)
Обратный насос
Операция
Открыть
Закрывать
ВЫКЛЮЧЕННЫЙ

IV : Впускной клапан
ОВ: выпускной клапан
RL : Заднее левое колесо
FR : Переднее правое колесо
FL: переднее левое колесо
RR : Заднее правое колесо
РП: Обратный насос
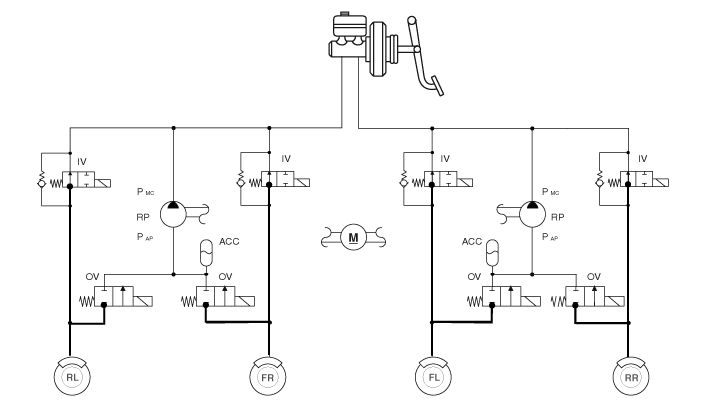
2.
Режим уменьшения

Впускной клапан (IV)
Выпускной клапан (ОВ)
Обратный насос
Операция
Закрывать
Открыть
ВКЛ (управление скоростью двигателя)

IV : Впускной клапан
ОВ: выпускной клапан
RL : Заднее левое колесо
FR : Переднее правое колесо
FL: переднее левое колесо
RR : Заднее правое колесо
РП: Обратный насос
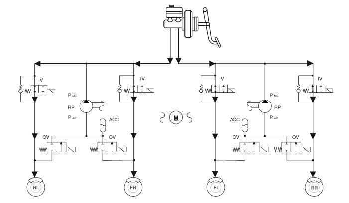
3.
Режим удержания

Впускной клапан (IV)
Выпускной клапан (ОВ)
Обратный насос
Операция
Закрывать
Закрывать
ВКЛ (управление скоростью двигателя)

IV : Впускной клапан
ОВ: выпускной клапан
RL : Заднее левое колесо
FR : Переднее правое колесо
FL: переднее левое колесо
RR : Заднее правое колесо
РП: Обратный насос
4.
Режим увеличения

Впускной клапан (IV)
Выпускной клапан (ОВ)
Обратный насос
Операция
Открыть
Закрывать
ВКЛ (управление скоростью двигателя)

IV : Впускной клапан
ОВ: выпускной клапан
RL : Заднее левое колесо
FR : Переднее правое колесо
FL: переднее левое колесо
RR : Заднее правое колесо
РП: Обратный насос
Компоненты и расположение компонентов
Компоненты 1. Модуль управления АБС (HECU) 2. Датчик скорости переднего колеса 3. Датчик скорости заднего колеса 4. Контрольная лампа АБС 5. Предупреждение EBD/стояночного тормоза...
Принципиальные диаграммы
Принципиальная схема — АБС (1) Принципиальная схема — АБС (2) Принципиальная схема — АБС (3) Входной/выходной разъем ECU (ABS) ...
Дополнительная информация:

Kia Cee'd JD Service Manual: Описание и работа
Описание Ограничения навигационной системы Состояние приема сигнала GPS Поскольку частота спутников GPS принимается/передается по прямым линиям, прием может не работать, если на антенне GPS или рядом с ней расположены маскирующие устройства или когда путешествуя по следующему л...

Руководство по обслуживанию Kia Cee'd JD: Устранение неисправностей термостата
Поиск неисправностей Симптомы Возможные причины Средство Утечка охлаждающей жидкости • От прокладки термостата Проверьте крепежные болты • ...

avtotema.org