Kia Stinger: система беспроводной зарядки (WPC) / блок беспроводной зарядки (WPC)

Kia Stinger CK 2018-2023 Руководство по ремонту / Стеклоочиститель/омыватель ветрового стекла / Система беспроводной зарядки (WPC) / Блок беспроводной зарядки (WPC)

Компоненты и позиции
Компоненты

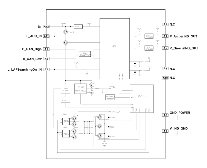
Принципиальная электрическая схема
Принципиальная электрическая схема

Процедуры ремонта
Удаление

Прикосновение к частям системы беспроводной зарядки мокрыми руками может привести к поражение электрическим током.

Наденьте перчатки, чтобы защитить руки.

При поддевании отверткой с плоским наконечником или с помощью накладки инструмент, оберните его защитной лентой и наклейте защитную ленту вокруг соответствующие части, чтобы предотвратить повреждение.

Используйте инструмент для снятия пластиковой панели, чтобы удалить элементы внутренней отделки. для защиты от повреждения поверхности.

Будьте осторожны, чтобы не погнуть и не поцарапать обивку и панели.

1.

Отсоедините отрицательную (-) клемму аккумуляторной батареи.

2.

Снимите консоль в сборе.

(См. Кузов — «Узел напольной консоли»)

3.

Снимите переднюю крышку (А) после ослабления крепежных винтов.

4.

Снимите поддон напольной консоли (А) с помощью съемника.

5.

Снимите беспроводную зарядную панель (A).

6.

Отсоедините разъем блока беспроводной зарядки (A).

7.

Снимите блок беспроводной зарядки (B), нажав на фиксирующие крючки. (А).

Будьте осторожны, чтобы не повредить фиксирующие крючки.

Монтаж
1.

Установите блок беспроводной зарядки.

2.

Подсоедините разъем блока беспроводной зарядки.

3.

Установите беспроводную зарядную панель.

4.

Установите поддон напольной консоли.

5.

Установите переднюю крышку.

6.

Установите консоль в сборе.

7.

Подсоедините отрицательную (-) клемму аккумуляторной батареи.

[Диагностика с помощью KDS]
1.

Электрическая система кузова может быть быстрее диагностирована на наличие неисправностей. с помощью системы диагностики автомобиля (KDS).

KDS предоставляет следующую информацию.

(1)

Самодиагностика: проверяет и отображает диагностический код неисправности (код неисправности)

(2)

Данные датчика: проверяет состояние входных/выходных значений системы.

(3)

Принудительная работа: проверяет рабочее состояние системы.

(4)

Дополнительные функции: управление опциями системы, регулировка нулевой точки и другие функции

2.

Для диагностики автомобиля с помощью диагностического оборудования выберите «Автомобиль». модель" и "система беспроводного зарядного устройства" подлежат проверке.

3.

Чтобы узнать текущее состояние входных/выходных значений, выберите «Датчик меню "Данные"

Входные/выходные значения датчиков, соответствующие выбранному модуль можно проверить.

4.

Для принудительного срабатывания выбранного входа модуля выберите «Активация». Тест".

5.

Чтобы выяснить причину неисправности каждого модуля с помощью самодиагностики, выберите «Диагностический код неисправности».

Система беспроводной зарядки (WPC)
Спецификация Технические характеристики Элемент Спецификация Номинальное напряжение 12 В постоянного тока Рабочее напряжение ДК 9,0 - 16,0 ...
Лампа беспроводной зарядки (WPC)
Компоненты и позиции Компоненты Процедуры ремонта Удаление • Умение обращаться ...
Дополнительная информация:

Kia Stinger CK 2018-2023 Руководство по техническому обслуживанию: Электропривод крышки багажника


Компоненты и расположение компонентов Компоненты 1. Полоска против защемления (2 шт.) 2. Шпиндель задней двери с электроприводом (2 шт.) 3. Зуммер двери багажного отделения с электроприводом 4. Переключатель бокового аварийного щитка 5. Переключатель внешней ручки 6. Кластер (УЗМ) 7. Модуль задней двери с электроприводом (PTGM) 8. Силовой хвост...

Kia Stinger CK 2018-2023 Руководство по техническому обслуживанию: Тормозная система


Специальные сервисные инструменты Специальные сервисные инструменты Название/номер инструмента Иллюстрация Описание Расширитель поршня 09581-11000 Разведение поршня переднего дискового тормоза Процедуры прокачки тормозов ...