Kia Stinger: система ISG (Idle Stop & Go) / преобразователь постоянного тока в постоянный

Kia Stinger CK 2018-2023 Руководство по ремонту / Управление двигателем/топливная система / Система ISG (Idle Stop & Go) / Преобразователь постоянного тока в постоянный

Компоненты и расположение компонентов
Расположение компонентов

Принципиальные диаграммы
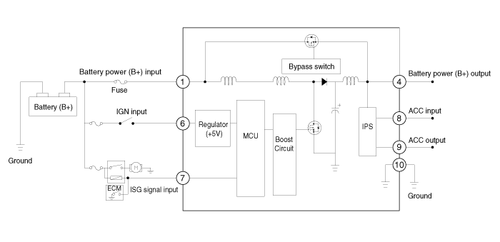
Принципиальная электрическая схема
[200 Вт]

[400 Вт]

Терминал Функция
[200 Вт]

Приколоть.
Описание
Приколоть.
Описание
1
Вход питания от батареи (B+)
7
Вход сигнала ISG
2
-
8
вход АСС
3
-
9
Выход АСС
4
Выходная мощность батареи (B+)
10
Земля
5
-
11
-
6
Вход IGN1


[400 Вт]

Приколоть.
Описание
Приколоть.
Описание
1
Вход питания от батареи (B+)
7
Вход питания от батареи (B+)
2
-
8
Выходная мощность батареи (B+)
3
Выходная мощность батареи (B+)
9
Выходная мощность батареи (B+)
4
Земля
10
Земля
5
Вход IGN1
11
Выход АСС
6
Вход сигнала ISG
12
вход АСС

Процедуры ремонта
Удаление
[200 Вт]
1.

Выключите зажигание и отсоедините отрицательную (-) клемму аккумуляторной батареи.

2.

Снимите корпус перчаточного ящика.

(См. Кузов (внутри и снаружи) — «Корпус перчаточного ящика»)

3.

Снимите [правый] боковой воздуховод (A) после ослабления крепежного винта.

4.

Снимите преобразователь постоянного тока в постоянный, предварительно ослабив крепежный болт (А) и гайка(В).

[400 Вт]
1.

Выключите зажигание и отсоедините отрицательную (-) клемму аккумуляторной батареи.

2.

Отсоедините разъем преобразователя постоянного тока в постоянный (А).

3.

Снимите преобразователь постоянного тока (А) после ослабления крепежных гаек.

Монтаж

После повторного подключения отрицательного кабеля аккумулятора функция ISG не работает. работает до тех пор, пока система не стабилизируется, около 4 часов. При отключении отрицательный (-) кабель аккумулятора от аккумулятора во время ремонтных работ для автомобиль, оснащенный функцией AMS, процедура повторной калибровки датчика аккумуляторной батареи следует проводить после окончания ремонтных работ.

1.

Установите в порядке, обратном снятию.

АГМ аккумулятор
Технические характеристики Спецификация ▷CMF90L-DIN Элемент Спецификация Тип модели CMF90L-ДИН Емкость [20ч/5ч] (Ач) ...
Выключатель ISG
Описание и работа Описание Выключатель ISG OFF на напольной консоли можно использовать для деактивации функции ISG. Процедуры ремонта Удаление ...
Дополнительная информация:

Руководство пользователя Kia Stinger CK 2018-2023: это устройство соответствует стандарту (стандартам) RSS, не требующему лицензии Министерства промышленности Канады.


Эксплуатация осуществляется при следующих двух условиях: (1) Это устройство не должно создавать помех, и (2) Это устройство должно принимать любые помехи, включая помехи, которые могут вызвать нежелательную работу устройства. ✽ УВЕДОМЛЕНИЕ Изменения или модификации, прямо не одобренные стороной r ...

Kia Stinger CK 2018-2023 Руководство по техническому обслуживанию: Датчик абсолютного давления во впускном коллекторе (MAPS)


Технические характеристики Спецификация Элемент Спецификация Выходное напряжение (В) 5 Давление (кПа) 32,5 - 284 Рабочее напряжение (В) 4,5 - 5,5 Давление [кПа ...