Kia Sorento: Hands Free Mic Inspection - Hands Free System - Body Electrical System - Kia Sorento XM 2011-2023 Service Manual Kia Sorento: проверка микрофона в режиме громкой связи

XM второго поколения (2011-2023 гг.) / Kia Sorento XM 2011-2023 Руководство по ремонту / Электрическая система кузова / Система громкой связи / Осмотр микрофона в режиме громкой связи

1.
Отсоедините отрицательную (-) клемму аккумуляторной батареи.
2.
Снимите микрофон громкой связи (A) после того, как отсоедините крючок от крыша.

3.
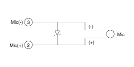
Проверьте непрерывность микрофона между клеммами.

Установка переключателя громкой связи
1. Установите дистанционный переключатель громкой связи на переднюю часть рулевого колеса. крышка. 2. Установите переднюю крышку рулевого колеса. 3 ...
Поиск неисправностей
Проблема Возможная причина Решение Нет сопряжения Устройство Bluetooth в автомобиле недоступно для обнаружения. Войдите в режим сопряжения (поиска) Bluetooth Пользователь� ...
Смотрите также:

Обогрев заднего стекла Печатный осмотр нагревателя
Оберните оловянной фольгой конец щупа вольтметра, чтобы предотвратить повреждение линии отопителя. Надавите пальцем на...

Снятие подогревателя ATF
1. Слейте охлаждающую жидкость. (См. Механическая система двигателя — «Охлаждающая жидкость») 2. Снимите воздушный фильтр в сборе и воздуховод. ...

Установка головки блока цилиндров
• Тщательно очистите все детали, подлежащие сборке. • ...