Kia Sorento: Alternator Circuit Diagram - Charging System - Engine Electrical System - Kia Sorento XM 2011-2023 Service Manual Kia Sorento: электрическая схема генератора

XM второго поколения (2011-2023 гг.) / Kia Sorento XM 2011-2023 Руководство по ремонту / Электрическая система двигателя / Система зарядки / Схема генератора переменного тока

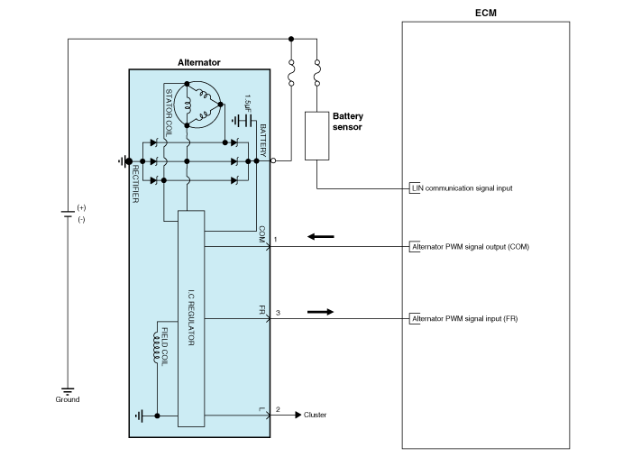
COM-сигнал - Когда управляя генерируемым напряжением, ECM отправляет цель данные о напряжении на генератор через ШИМ-сигнал. (Высокое напряжение: 4 В или выше, низкое напряжение: 2 В или ниже)
сигнал ЧР - сигнал активации транзистора внутри мониторов генератора напряжение, генерируемое генератором переменного тока для управления возбуждением ток до того, как он отправит сигнал FR в ECM. (при определенных RPM/электрические нагрузки, режим FR может оставаться постоянным. Однако, чаще всего речь идет об оборотах, электрической нагрузке, целевом напряжении и т. д. постоянно меняется в машине, поэтому и FR тоже должен постоянно меняться)
L сигнал - Повороты на контрольной лампе аккумулятора на приборной панели, когда аккумулятор неисправность системы зарядки. (условия включения лампа - перезаряд, переразряд, катушка возбуждения перегорела внутри генератор)
клемма В+ - Выходное напряжение от генератора поступает на аккумулятор через клемма В+.
Компоненты генератора
1. Шкив генератора с обгонной муфтой (OAP) 2. Передний кронштейн 3. Передний подшипник 4. Ротор 5. Задний подшипник 6. Задний кронштейн 7. Сквозной болт 8. Регулятор в сборе 9. Регулятор б...
Снятие генератора
1. Отсоедините отрицательную клемму аккумуляторной батареи. 2. Отсоедините разъем воздушного компрессора (А) и генератор. разъем (B) и снимите ...
Смотрите также:

Проверка автоматического выключателя света
Включите переключатель автоматического освещения, затем проверьте целостность цепи между клеммами. разъема многофункционального переключателя. ...

Важное примечание о безопасности
Надлежащие методы обслуживания и процедуры ремонта необходимы для безопасной и надежной работы. всех транспортных средств, а также личной безопасности оператора. Процедуры обслуживания и описания в...

Замена заднего сиденья
Замена заднего сиденья в сборе [Сиденье второго ряда в сборе] 1. Сдвиньте сиденье второго ряда в сборе [RH] (A) по направлению к передней части автомобиль, насколько это возможно ...