Kia Forte: система зарядки / беспроводное зарядное устройство (WPC)

Киа Kia Forte 2019-2023 (БД) Руководство по ремонту / Электрическая система кузова / Система зарядки / Беспроводное зарядное устройство (WPC)

Технические характеристики
Технические характеристики

Предметы
Спецификация
Номинальное напряжение
13,5 В постоянного тока
Рабочее напряжение
8,5–16,0 В постоянного тока
Рабочая Температура
от -22 до 167 °F (от -30 до +75 °C)
Темный ток
МАКС. 1 мА
Выходная мощность
5 Вт
Выходная частота
110 ± 5 кГц

Описание и работа
Описание

Система беспроводной зарядки

Во время ACC или IG ON напряжение батареи подается на беспроводное зарядное устройство. система для передачи выходной мощности 5 Вт на мобильный телефон.

Мобильные телефоны, сертифицированные по стандарту беспроводной зарядки WPC (Qi 1.2.2) или можно использовать с эксклюзивным футляром для беспроводной зарядки.

Блок-схема системы беспроводной зарядки

1.

Питание автомобиля.

2.

Преобразовать в переменный ток. Создайте электромагнитное поле в 1-й катушке.

3.

Генерировать наведенный ток в приемнике энергии за счет электромагнитной индукции.

4.

Создайте переменный ток во 2-й катушке.

5.

Преобразовать в ДК.

6.

Зарядить аккумулятор.

Диаграмма конфигурации системы

1.

Комбинация приборов: Оповещения о контакте с мобильным телефоном.

2.

Индикатор беспроводной зарядки: отображает состояние зарядки.

3.

Встроенный блок управления кузовом (IBU):

(1)

Определяет контакт с мобильным телефоном.

(2)

Прекращает зарядку во время активации LF.

Основные функции системы беспроводного зарядного устройства

1.

Функция зарядки

(1)

Способ активации

а.

Закройте все двери автомобиля.

б.

Переключите питание автомобиля на ACC или IG ON.

в.

Поместите мобильный телефон с функцией беспроводной зарядки на поднос.

(2)

Отображение состояния зарядки

Режим
Светодиодный дисплей зарядки
Примечание
Готовность к зарядке
Светодиод выключен


Зарядка в процессе
Желтый светодиод включен


Зарядка завершена
Зеленый светодиод включен


Ошибка зарядки
Желтый светодиод мигает

Мигает 10 раз в течение 10 секунд, затем светодиод включается выключить на 50 секунд (всего 60 секунд)


2.

Функция оповещения о пренебрежении мобильным телефоном

(1)

Способ активации

а.

Ключ OFF, когда телефон все еще заряжается.

б.

Проверьте, есть ли телефон на блоке беспроводной зарядки.

в.

Экспресс-уведомление о том, что телефон оставлен в автомобиль на приборной панели, если дверь открыта, а телефон оставлен в автомобиле или телефон оставлен в автомобиле на более 1 минуты. (около 4-5 секунд)

3.

Предотвращение перегрева

(1)

Способ активации

а.

Если температура термистора внутри беспроводной зарядки модуль поднимается выше определенного уровня (158 °F (70 °C)), зарядка остановится, чтобы защитить аккумулятор мобильного телефона.

Желтый светодиод индикатора зарядки мигает 10 раз по 10 секунд.

б.

температура термистора падает ниже определенного уровня (149 °F (65 °C)), зарядка возобновится.

Когда функция зарядки перезапускается, желтый светодиод индикатора зарядки загорится на.

4.

Обнаружение посторонних предметов

(1)

Зарядка будет остановлена, если есть монета или другой металлический предмет. объект между беспроводным зарядным устройством и мобильным телефоном.

[Инородное вещество]

Посторонние предметы : Все металлические предметы, такие как монеты, скрепки и драгоценные металлы

Желтый светодиод индикатора зарядки мигает 10 раз по 10 секунд, а потом выключается в течение 50 секунд (всего 60 секунд).

Процесс повторяется каждые 60 секунд.

Будьте осторожны, так как прикосновение к инородному телу рукой может вызывать ожоги.

(2)

Когда система обнаружила посторонние предметы и прекратила зарядку мобильный телефон, функция беспроводной зарядки немедленно возобновится после удаления инородного тела.

Когда функция зарядки перезапускается, желтый светодиод индикатора зарядки загорится.

5.

Блок предотвращения частотных помех IBU

Эта функция предотвращает помехи между частотой беспроводной зарядки и полоса частот смарт-ключа.

(1)

Беспроводная зарядка останавливается, когда дверь открыта или IBU устройство находится в режиме НЧ (поиск смарт-ключа).

например Функция беспроводной зарядки останавливается, если водитель несет смарт-ключ из автомобиля во время включения зажигания.

Зарядка прекратится, и желтый светодиод зарядки индикаторная лампа погаснет.

(2)

Он вернется в нормальное рабочее состояние, когда режим НЧ блок IBU завершен.

6.

Включите или выключите функцию беспроводной зарядки с помощью USM.

※ Багажник относится к моделям автомобилей на колесах.

Защита системы беспроводной зарядки

Элемент
Состояние
Положение дел
Защищает от низкого/высокого напряжения
Защищает и останавливает зарядку при напряжении ниже 8,5 В и выше 16,5 В
светодиод выключен
(останавливает работу)
Зарядка выше 9,0 В и ниже 16,0 В
Защищает от обратного напряжения
Защищает и останавливает зарядку в случае обратного напряжения
светодиод выключен
(останавливает работу)
Защищает от перегрузки по току
Защищает и прекращает зарядку в случае обнаружения 4,5 А
Желтый светодиод мигает
Защищает от перегрева
Защищает и останавливает зарядку в случае обнаружения 158°F (70°C) внутренним датчик температуры модуля беспроводной зарядки
Желтый светодиод мигает
Возобновляется при температуре ниже 149 ° F (65 ° C)
Инородное вещество
(Монеты, скрепки, драгоценные металлы и т.д.)
Защищает и прекращает зарядку в случае обнаружения посторонних предметов (перегрев профилактика)
Желтый светодиод мигает
Предотвращает частотные помехи
Защищает и останавливает зарядку, активируя SMK в случае, если дверь или багажник открыты
светодиод выключен
(останавливает работу)
Возобновляется через 3,5 секунды после закрытия всех дверей и багажника и работы СМК выполнен
Оповещение о контакте с мобильным телефоном
В случае смартфона на зарядной площадке при открытии двери после зажигания ВЫКЛЮЧЕННЫЙ
Отображает предупреждающее сообщение на панели приборов (около 4-5 секунд)

※ Багажник относится к моделям автомобилей на колесах.

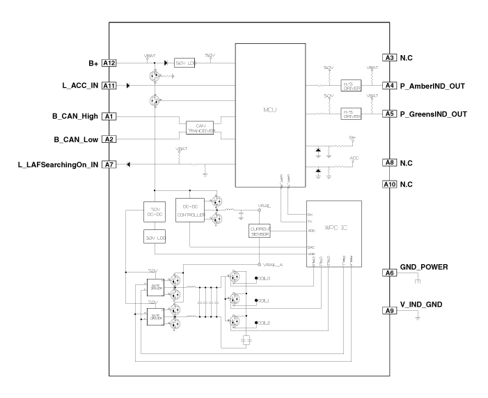
Принципиальные диаграммы
Функция разъема и терминала

Схематическая диаграмма

Процедуры ремонта
Удаление

Прикосновение к частям системы беспроводной зарядки мокрыми руками может привести к поражению электрическим током. шок.

При поддевании отверткой с плоским наконечником или с помощью накладки инструмент, оберните его защитной лентой и наклейте защитную ленту вокруг соответствующие части, чтобы предотвратить повреждение.

Используйте инструмент для снятия пластиковой панели, чтобы удалить элементы внутренней отделки. для защиты от повреждения поверхности.

Будьте осторожны, чтобы не погнуть и не поцарапать обивку и панели.

1.

Отсоедините отрицательную (-) клемму аккумуляторной батареи.

2.

Снимите ручку (B), потянув ее в направлении стрелки после отделив пыльники (A) от верхней крышки консоли.

3.

Снимите верхнюю крышку консоли (А).

4.

Отсоедините разъем (А) от верхней крышки консоли.

5.

Отсоедините разъем (A) от беспроводного зарядного устройства.

6.

Снимите беспроводное зарядное устройство (A), нажав на фиксирующие крючки.

Монтаж
1.

Установите в порядке, обратном снятию.

осмотр
1.

Электрическая система кузова может быть быстрее диагностирована на наличие неисправностей. с помощью системы диагностики автомобиля (KDS).

KDS предоставляет следующую информацию.

(1)

Самодиагностика: проверяет и отображает диагностический код неисправности (код неисправности)

(2)

Данные датчика: проверяет состояние входных/выходных значений системы.

(3)

Принудительная работа: проверяет рабочее состояние системы.

(4)

Дополнительные функции: управление опциями системы, регулировка нулевой точки и другие функции

2.

Для диагностики автомобиля с помощью диагностического оборудования выберите «Автомобиль». модель" и "система беспроводного зарядного устройства" подлежат проверке.

3.

Чтобы узнать текущее состояние входных/выходных значений, выберите «Датчик меню "Данные"

Входные/выходные значения датчиков, соответствующие выбранному модуль можно проверить.

4.

Для принудительного срабатывания выбранного входа модуля выберите «Активация». Тест".

5.

Чтобы выяснить причину неисправности каждого модуля с помощью самодиагностики, выберите «Диагностический код неисправности».

Система зарядки
Компоненты и расположение компонентов Компоненты 1. Беспроводное зарядное устройство (WPC) 2. Индикатор беспроводной зарядки 3. Переднее USB-зарядное устройство 4. Зарядное устройство USB на задней панели ...
Индикатор беспроводной зарядки
Технические характеристики Технические характеристики Предметы Спецификация Рабочее напряжение 9 - 16,0 В Рабочая Температура ...
Дополнительная информация:

Kia Forte 2019-2023 (BD) Руководство по ремонту: Мотор люка


Процедуры ремонта осмотр 1. Отсоедините отрицательную (-) клемму аккумуляторной батареи. 2. Снимите лампу верхней консоли. (См. Система освещения — «Лампа на потолочной консоли») 3. Заземлите клеммы, как показано в таблице ниже, ...

Kia Forte 2019-2023 (BD) Руководство по эксплуатации: Система предотвращения лобового столкновения (FCA) (камера + тип радара)


Система FCA предназначена для обнаруживать и контролировать транспортное средство впереди или обнаружить пешехода на проезжей части через сигналы радара и камеры распознавание, чтобы предупредить водителя о том, что столкновение неизбежно, и, если необходимо, применять экстренное торможение. ПРЕДУПРЕЖДЕНИЕ Примите следующие меры предосторожности когда ...