Kia Forte: Люк на крыше / Мотор люка

Киа Kia Forte 2019-2023 (БД) Руководство по ремонту / Электрическая система кузова / Люк на крыше / Мотор люка

Процедуры ремонта
осмотр
1.

Отсоедините отрицательную (-) клемму аккумуляторной батареи.

2.

Снимите лампу верхней консоли.

(См. Система освещения — «Лампа на потолочной консоли»)

3.

Заземлите клеммы, как показано в таблице ниже, и убедитесь, что блок люка работает после отсоединения разъема электродвигателя люка.

4.

Выполните эти входные тесты на разъеме. Если какой-либо тест указывает на проблему, найти и устранить причину, а затем перепроверить систему. Если все входные тесты в порядке, замените электродвигатель люка, так как он должен быть неисправен.

Терминал
Условия испытаний
Тест: Желаемый результат
3
IG2 ВКЛ.
Проверьте напряжение на массу: должно быть напряжение батареи.
1
При любых условиях
Проверьте наличие непрерывности на землю: Непрерывность должна быть.
6
При любых условиях
Проверьте напряжение на массу: должно быть напряжение батареи.

Удаление
1.

Снимите обшивку крыши.

(См. Кузов — «Обшивка крыши в сборе»)

2.

Снимите электродвигатель люка (А) после ослабления винтов.

Монтаж
1.

Установите в порядке, обратном снятию.

Корректирование

Сброс люка

Всякий раз, когда аккумуляторная батарея автомобиля отсоединена или разряжена, или в случае аварийной ситуации ручка использовалась для управления люком, система люка должна быть сброшена в следующая процедура:

1.

Поверните ключ зажигания в положение ON и полностью закройте люк.

2.

Отпустите рычаг управления люком.

3.

Нажмите и удерживайте кнопку CLOSE более 10 секунд, пока люк не полностью закрылась, а затем немного восстановилась.

4.

Отпустите рычаг управления люком.

5.

Нажмите и удерживайте кнопку CLOSE еще раз в течение 5 секунд, пока не люк работает следующим образом:

Наклон → Открытие слайда → Закрытие слайда

Затем отпустите рычаг.

6.

Процедура сброса панорамной системы завершена.

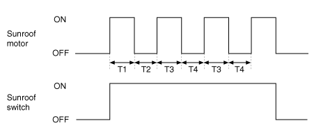
Защита двигателя от перегрева

Для защиты электродвигателя люка от перегрева при длительном При работе ЭБУ люка в крыше управляет временем работы и временем охлаждения двигателя следующим образом:

1.

ЭБУ люка в крыше определяет время работы двигателя.

2.

Двигатель может работать непрерывно в течение 1-го времени работы (120 ± 10 сек.).

3.

Непрерывная работа двигателя прекращается после 1-го времени работы (120 ± 10 сек.).

4.

Затем двигатель не работает в течение 1-го времени охлаждения (18 ± 2 сек.).

5.

Двигатель работает в течение 2-го времени работы (10 ± 2 сек.) при продолжающемся двигателе. работы после 1-го времени охлаждения (18 ± 2 сек.).

6.

Непрерывная работа двигателя прекращается после 2-го запуска. (10 ± 2 сек.)

7.

Двигатель не работает в течение 2-го времени охлаждения (18 ± 2 сек.).

8.

Двигатель повторяет 2-е время работы и 2-е время охлаждения при продолжающемся двигателе. операция.

Если двигатель не работает непрерывно, время работы увеличена.

Время работы двигателя устанавливается на «0», если аккумулятор или предохранитель снова включается после отключения, разрядки или перегорания.

Т1: 120 ± 10 с, Т2: 18 ± 2 с,

Т3: 10 ± 2 сек., Т4: 18 ± 2 сек.

Переключатель люка
Компоненты и расположение компонентов Компоненты Процедуры ремонта осмотр 1. Снимите лампу верхней консоли. (См. Система освещения - "Верх...
Стеклоочиститель/омыватель ветрового стекла
Компоненты и расположение компонентов Расположение компонента 1. Бачок омывателя и насос в сборе 2. Рычаг и щетка стеклоочистителя 3. Многофункциональный переключатель 4. Стеклоочиститель мо...
Дополнительная информация:

Руководство по эксплуатации Kia Forte 2019-2023 (BD): Стояночный тормоз и тормоза Сигнальная лампа жидкости


Этот сигнализатор загорается: Как только вы установите ключ зажигания или Кнопка запуска/остановки двигателя в положении ON позиция. - Загорается примерно на 3 секунды - Горит, если стояночный тормоз применены. При включении стояночного тормоза. Когда уровень тормозной жидкости в...

Kia Forte 2019-2023 (BD) Руководство по ремонту: Натяжитель приводного ремня


Компоненты и расположение компонентов Компоненты 1. Привод натяжитель ремня 2. Натяжитель регулировочный болт Процедуры ремонта Снятие и установка 1. Снимите приводной ремень. (См. Система приводных ремней — «Привод b ...