Киа Kia Forte: Отопитель/блок отопителя

Киа Kia Forte 2019-2023 (БД) Руководство по ремонту / Отопление, вентиляция, кондиционирование / Обогреватель / Нагреватель

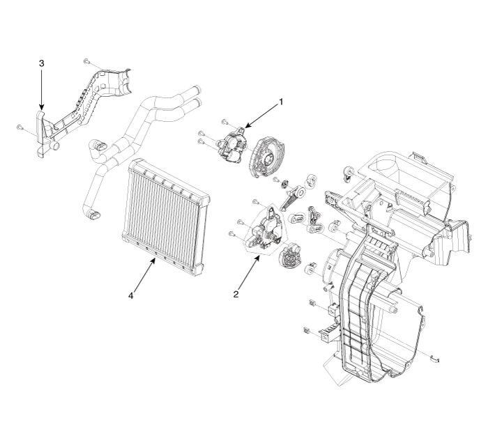
Компоненты и расположение компонентов
Расположение компонента

1. Блок отопителя в сборе


Компоненты
[левый]

1. Привод режима
2. Привод контроля температуры [LH]
3. Крышка радиатора отопителя
4. Сердцевина отопителя

[Правый]

1. Сердечник испарителя
2. Привод автоматического предотвращения запотевания
3. Привод контроля температуры [Правый]

Процедуры ремонта
Замена

Поддевая плоской отверткой или используя инструмент для поддевания, оберните защитной лентой и наклейте защитную ленту вокруг соответствующих частей, для предотвращения повреждений.

1.

Отсоедините отрицательную (-) клемму аккумуляторной батареи.

2.

Восстановите хладагент с помощью станции регенерации/рециркуляции/зарядки.

3.

Когда двигатель остынет, слейте охлаждающую жидкость двигателя из радиатора.

G 2.0 MPI NU (см. Механическая система двигателя — «Охлаждающая жидкость»)

G 1,6 MPI GAMMA (см. Механическая система двигателя — «Охлаждающая жидкость»)

D 1.6 TCI-NEW U (см. Механическая система двигателя — «Охлаждающая жидкость»)

G 1.6 T-GDI GAMMA (см. Механическая система двигателя — «Охлаждающая жидкость»)

4.

Снимите верхнюю крышку капота.

(См. Корпус — «Верхняя крышка кожуха»)

5.

Снимите болты и расширительный клапан (А) с сердцевины испарителя.

Момент затяжки :

8,8–13,7 Н·м (0,9–1,4 кгс·м, 6,5–10,1 фунт-фут)

Заглушите или закройте линии сразу после отключения их во избежание попадания влаги и пыли.

При установке замените уплотнительное кольцо новым.

6.

Ослабив крепежные винты, снимите втулку радиатора испарителя. коврик (А).

7.

Отсоедините шланги отопителя (А) от блока отопителя.

Охлаждающая жидкость двигателя вытечет при отсоединении шлангов; слейте его в чистый поддон. Следите за тем, чтобы охлаждающая жидкость пролить на электрические детали или окрашенные поверхности. Если какая-либо охлаждающая жидкость пролил, немедленно смойте его.

8.

Ослабив крепежные гайки, снимите шланг отопителя с коврика (А).

9.

Ослабьте болты крепления поперечины капота (А).

Момент затяжки :

16,7–25,5 Н·м (1,7–2,6 кгс·м, 12,3–18,8 фунт·фут)

10.

Снимите напольную консоль в сборе.

(См. Кузов — «Узел напольной консоли»)

11.

Снимите нижнюю панель аварийной подушки.

(См. Кузов — «Нижняя панель аварийной площадки»)

12.

Снимите обе стороны облицовки передней стойки.

(См. Кузов — «Облицовка передней стойки»)

13.

Снимите боковую отделку капота.

(См. Кузов — «Боковая отделка капота»)

14.

Снимите нижнюю панель кожуха рулевой колонки.

(См. Кузов — «Панель кожуха рулевой колонки»)

15.

Снимите рулевое колесо.

(См. Система рулевого управления — «Рулевое колесо»)

16.

Снимите многофункциональный переключатель.

(См. Электрическая система кузова — «Многофункциональный переключатель»)

17.

Опустите рулевую колонку после ослабления крепежных болтов.

(См. Система рулевого управления — «Рулевая колонка и вал»)

18.

Снимите узел рычага переключения передач.

G 2.0 MPI NU (см. Система механической коробки передач — «Рычаг переключения передач»)

G 2.0 MPI NU (см. Система автоматической коробки передач — «Рычаг переключения передач»)

G 1.6 MPI GAMMA (см. Система механической коробки передач — «Рычаг переключения передач»)

G 1.6 MPI GAMMA (см. Система автоматической коробки передач — «Рычаг переключения передач»)

D 1.6 TCI-NEW U (см. Система механической коробки передач — «Рычаг переключения передач»)

D 1.6 TCI-NEW U (см. Система управления коробкой передач с двойным сцеплением — «Shift Рычаг")

G 1.6 T-GDI GAMMA (см. Система механической коробки передач — «Рычаг переключения передач»)

G 1.6 T-GDI GAMMA (см. Система управления коробкой передач с двойным сцеплением - "Рычаг переключения передач")

19.

Отделите напольный ковер (А), чтобы освободить место для снятия обогревателя задней части салона. канал.

20.

Снимите боковую накладку пола (А).

21.

Снимите задний воздуховод обогревателя (А).

22.

Отсоедините разъем электродвигателя вентилятора (А) и снимите крепление проводки. клипы.

23.

Отсоедините разъем (А) модуля управления подушками безопасности (SRSCM).

24.

Отсоедините разъемы распределительной коробки (А).

25.

Отсоедините разъемы мультибокса (А).

[Со стороны водителя]

[Пассажирская сторона]

26.

Отсоедините разъемы (А) и монтажные зажимы на передней стойке.

[Со стороны водителя]

[Пассажирская сторона]

27.

Снимите сливной шланг (А).

28.

После ослабления болтов и гаек снимите основную защитную накладку и кожух. поперечина в сборе (A) вместе.

Момент затяжки

- Крепление поперечины капота: 16,7 - 25,5 Н·м (1,7 - 2,6 кгс·м, 12,3 - 18,8 фунт·фут)

- Низкое крепление двигателя вентилятора: 3,9–5,9 Н·м (0,4–0,6 кгс·м, 2,9 - 4,3 фунта·фут)

[левый]

[Правый]

29.

Отсоедините разъемы блока отопителя и вентилятора.

(1)

Отсоедините разъем встроенного блока управления кузовом (А).

(2)

Отсоедините разъем (А) исполнительного механизма системы автоматического предотвращения запотевания, впускной разъем привода (B) и снимите монтажные зажимы проводки.

(3)

Отсоедините привод регулятора температуры со стороны пассажира. (B), разъем датчика температуры испарителя (C), разъем силового полевого транзистора (А) и снимите зажимы крепления проводки.

(4)

Отсоедините привод управления температурой со стороны водителя (А), режим исполнительный механизм управления (B) и снимите зажимы крепления проводки.

30.

Снимите блок нагревателя и вентилятора (A) с защитной накладки после ослабления монтажные гайки и болты.

Момент затяжки :

3,9–5,9 Н·м (0,4–0,6 кгс·м, 2,9–4,3 фунт-фут)

31.

Снимите встроенный блок управления кузовом (А).

Момент затяжки :

6,9–9,8 Н·м (0,7–1,0 кгс·м, 5,1–7,2 фунт-фут)

32.

Отделите блок вентилятора (А) от блока отопителя после ослабления крепления. винты.

[Передний]

[Задний]

33.

Для установки выполните процедуру удаления в обратном порядке.

Обогреватель
...
Ядро нагревателя
Процедуры ремонта Замена 1. Отсоедините отрицательную (-) клемму аккумуляторной батареи. 2. Снимите нагреватель и вентилятор в сборе. (См. Обогреватель - &quo...
Дополнительная информация:

Kia Forte 2019-2023 (BD) Руководство по техническому обслуживанию: Звуковой сигнал


Технические характеристики Технические характеристики Предметы Технические характеристики Примечание Рабочее напряжение 9 - 16 В - Потребление тока МАКС. 5,0 А При 12 В Уровень звука ...

Руководство по эксплуатации Kia Forte 2019-2023 (BD): Сертификационная табличка


Сертификационная табличка находится на порог водительской двери на центральной стойке. На этой этикетке указан максимально допустимый вес полностью загруженного автомобиля. Это называется GVWR (валовой Номинальная масса автомобиля). ОБГВР включая вес автомобиля, все пассажиры, топливо и груз...