Kia Forte: Тормозная система/ABS(антиблокировочная система тормозов)

Киа Kia Forte 2019-2023 (БД) Руководство по ремонту / Тормозная система / ABS (антиблокировочная тормозная система)

Компоненты и расположение компонентов
Компоненты

1. Блок управления АБС
2. Датчик скорости переднего колеса
3. Датчик скорости заднего колеса
4. Контрольная лампа АБС
5. Контрольная лампа EBD/стояночного тормоза

Описание и работа
Описание

Эта спецификация относится к HCU (гидравлическому блоку управления) и ECU (электронному блоку управления). Блок управления) HECU.(Гидравлический и электронный блок управления)

Эта спецификация предназначена для проектирования проводки и установки ЭБУ АБС.

Этот блок имеет следующие функции.

Ввод сигнала от датчиков скорости вращения колес, прикрепленных к каждому колесу.

Контроль тормозной силы.

Отказоустойчивая функция.

Функция самодиагностики.

Интерфейс с внешним диагностическим тестером.

Место установки: моторный отсек

Длина тормозной трубки от порта главного цилиндра до впускного порта HECU должна быть макс. 1м

Положение не должно быть близко к блоку двигателя и не ниже колесо.

Операция

ЭБУ должен быть приведен в действие включением рабочего напряжения (IGN).

По завершении фазы инициализации ЭБУ должен быть готов к работе.

В рабочем состоянии ЭБУ должен быть готов, в указанных пределах (напряжение и температура), для обработки сигналов, предлагаемых различными датчиками и переключается в соответствии с алгоритмом управления, заданным программным обеспечением и для управления гидравлическими и электрическими приводами.

Обработка сигнала датчика колеса

ЭБУ должен получать сигнал скорости вращения колеса от четырех активных колесных датчиков.

Сигналы колес преобразуются в сигнал напряжения с помощью устройства формирования сигнала. схема после получения текущего сигнала от активных колесных датчиков и подачи на вход к МКУ.

Электромагнитный клапан управления

Когда одна сторона катушки клапана подключена к положительному напряжению, т.е. обеспечивается через реле клапана, а другая сторона подключена к земле с помощью полупроводниковой цепи срабатывает электромагнитный клапан.

Электрическая функция катушек всегда контролируется тестовым импульсом клапана. при нормальных условиях эксплуатации.

Пределы напряжения

Перенапряжение

При обнаружении повышенного напряжения (выше 16,8 В) ЭБУ отключает питание. реле клапана и отключает систему.

Когда напряжение возвращается в рабочий диапазон, система возвращается к нормальное состояние после фазы инициализации.

Под напряжением

В случае пониженного напряжения (ниже 9,3 В) управление АБС блокируется. и сигнальная лампа должна быть включена.

Когда напряжение возвращается в рабочий диапазон, контрольная лампа включается выключается, и ЭБУ возвращается в нормальный режим работы.

Проверка двигателя насоса

ЭБУ выполняет тест электродвигателя насоса на скорости 30 км/ч один раз после включения зажигания. на.

Диагностический интерфейс

Неисправности, обнаруженные ECU, кодируются в ECU, сохраняются в EEPROM и считываются диагностическим оборудованием при включении зажигания.

Интерфейс диагностики также можно использовать для тестирования ЭБУ в процессе производства. ECU и для приведения в действие HCU (линия выпуска воздуха или линия проверки тормозов).

Модуль сигнальной лампы

1.

Контрольная лампа АБС

Активная сигнальная лампа ABS указывает на самопроверку и состояние неисправности. АБС. Контрольная лампа АБС должна гореть:

Во время фазы инициализации после IGN ON. (постоянно 3 секунды).

В случае торможения работы АБС по отказу.

В режиме диагностики.

Когда разъем ECU отделен от ECU.

2.

Контрольная лампа EBD/стояночного тормоза

Активная контрольная лампа EBD указывает на самопроверку и состояние неисправности. из ЕБД. Однако, если переключатель стояночного тормоза включен, Контрольная лампа EBD всегда горит независимо от функций EBD. ЭБД контрольная лампа должна гореть:

Во время фазы инициализации после IGN ON. (постоянно 3 секунды).

Когда переключатель стояночного тормоза включен или уровень тормозной жидкости низкий.

Когда функция EBD вышла из строя.

В режиме диагностики.

Когда разъем ECU отделен от ECU.

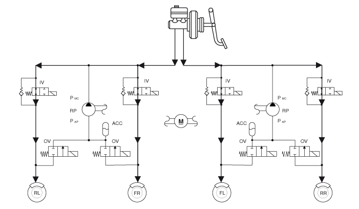
Управление АБС
1.

Обычное торможение без ABS


Впускной клапан (IV)
Выпускной клапан (ОВ)
Обратный насос
Операция
Открыть
Закрывать
ВЫКЛЮЧЕННЫЙ

IV : Впускной клапан

ОВ: выпускной клапан

RL : Заднее левое колесо

FR : Переднее правое колесо

FL: переднее левое колесо

RR : Заднее правое колесо

РП: Обратный насос

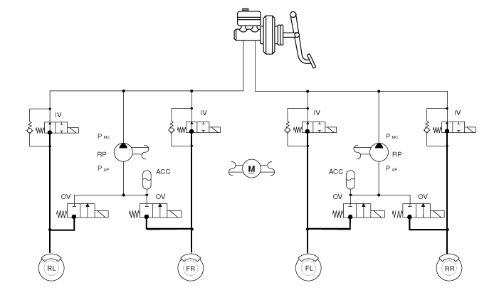
2.

Режим уменьшения


Впускной клапан (IV)
Выпускной клапан (ОВ)
Обратный насос
Операция
Закрывать
Открыть
ВКЛ (управление скоростью двигателя)

IV : Впускной клапан

ОВ: выпускной клапан

RL : Заднее левое колесо

FR : Переднее правое колесо

FL: переднее левое колесо

RR : Заднее правое колесо

РП: Обратный насос

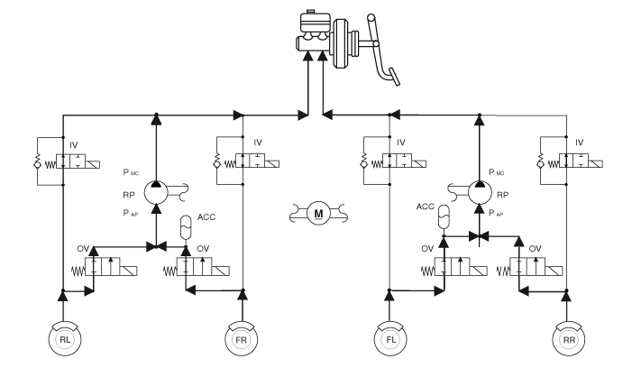
3.

Режим удержания


Впускной клапан (IV)
Выпускной клапан (ОВ)
Обратный насос
Операция
Закрывать
Закрывать
ВКЛ (управление скоростью двигателя)

IV : Впускной клапан

ОВ: выпускной клапан

RL : Заднее левое колесо

FR : Переднее правое колесо

FL: переднее левое колесо

RR : Заднее правое колесо

РП: Обратный насос

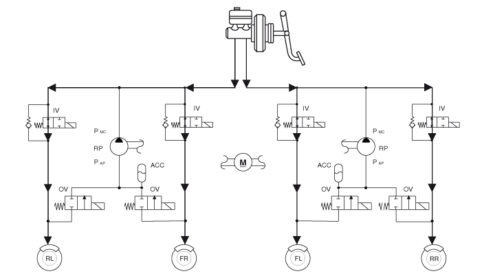
4.

Режим увеличения


Впускной клапан (IV)
Выпускной клапан (ОВ)
Обратный насос
Операция
Открыть
Закрывать
ВКЛ (управление скоростью двигателя)

IV : Впускной клапан

ОВ: выпускной клапан

RL : Заднее левое колесо

FR : Переднее правое колесо

FL: переднее левое колесо

RR : Заднее правое колесо

РП: Обратный насос

Трос стояночного тормоза
Процедуры ремонта Снятие и установка Тип дискового тормоза Тросы стояночного тормоза не должны быть согнуты или деформированы. ...
Блок управления АБС
Компоненты и расположение компонентов Компоненты 1. Передняя правая труба 2. Задняя - левая трубка 3. Задняя правая трубка 4. Передняя левая труба 5. МЦ СПК 6. МС ПРИ...
Дополнительная информация:

Руководство по эксплуатации Kia Forte 2019-2023 (BD): Детская удерживающая система (CRS)


Дети всегда в тылу ПРЕДУПРЕЖДЕНИЕ - Ограничение Расположение Никогда не устанавливайте ребенку или младенцу сиденье переднего пассажира сиденье. Ребенок едет впереди пассажирское сиденье можно принудительно ударил сработавшей подушкой безопасности и серьезно ранен. ВНИМАНИЕ - Горячий ребенок Сдержанность Детский рест...

Руководство по эксплуатации Kia Forte 2019-2023 (BD): Круиз, режим SPORT, индикаторы режима SMART


Круиз Индикатор Этот индикатор загорается: Когда система круиз-контроля включено. ❈Подробнее см. Раздел «Система круиз-контроля» в Глава 5. Индикатор режима SPORT Свет Этот индикатор загорается: • При выборе «СПОРТ» ...