Hyundai Tucson manuels

Руководство по обслуживанию и ремонту Hyundai Tucson: подогрев сидений

Компоненты и расположение компонентов

РАСПОЛОЖЕНИЕ КОМПОНЕНТОВ
Подогрев переднего сиденья

1. Блок обогрева сиденья (только пассажирское сиденье)
2. Обогрев спинки переднего сиденья
3. Устройство обогрева подушка переднего сиденья

Обогрев передних сидений (вентиляция)

1. Сиденье с вентиляцией воздух (только пассажирское сиденье)
2. Обогрев спинки переднего сиденья
3. Устройство обогрева подушка переднего сиденья

Подогрев заднего сиденья

1. Блок обогрева сиденья назад
2. Обогрев спинки переднего сиденья
3. Устройство обогрева подушка переднего сиденья

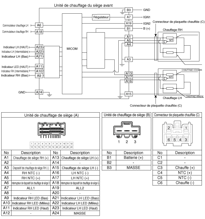
Принципиальные диаграммы

принципиальная электрическая схема
Подогрев переднего сиденья

Подогрев заднего сиденья

Процедуры ремонта

ДЕПОЗИТ
Блок обогрева переднего сиденья
1.
Отсоедините отрицательную (-) клемму аккумуляторной батареи.
2.
Снимите переднее пассажирское сиденье.
(См. Кузов — «Переднее сиденье»)
3.
Снимите блок обогревателя переднего сиденья (А) после ослабления крепежных винтов и после отсоединения разъемов от блока (Б).

Блок обогрева заднего сиденья
1.
Отсоедините отрицательную (-) клемму аккумуляторной батареи.
2.
Снимите подушку заднего сиденья в сборе.
(См. группу кузова - заднее сиденье)
3.
Снимите блок обогревателя заднего сиденья (А) после ослабления крепежные винты и после отсоединения разъема от блока (Б).

СРЕДСТВО
Блок обогрева переднего сиденья
1.
Установите блок обогревателя переднего сиденья.
2.
Установите переднее пассажирское сиденье.
3.
Подсоедините отрицательную (-) клемму аккумуляторной батареи.
Блок обогрева заднего сиденья
1.
Установите блок обогревателя переднего сиденья.
2.
Установите подушку заднего сиденья.
3.
Подсоедините отрицательную (-) клемму аккумуляторной батареи.
Убедитесь, что разъемы подключены правильно.
Убедитесь, что система обогрева сидений работает. правильно.
Контроль
Обогрев передних сидений
1.
Проверьте целостность цепи и измерьте сопротивление между клеммами №3 и №6.

стандартное значение
Водитель/пассажир (подушка + спинка): 1,65?±10%/23°C
2.
Включите обогрев сиденья после подключения разъема, затем проверьте термостат, измерив температуру поверхности из штаба.
стандартное значение
1-й: подушка: 36±2°C, спинка: 40±2°C
2-й: подушка: 39±2°C, спинка: 45±2°C
3-й: подушка: 42±2°C, спинка: 50±2°C
Подогрев заднего сиденья
1.
Проверьте целостность цепи и измерьте сопротивление между клеммами № 1 и № 4.

стандартное значение
Заднее сиденье: 1,67±10%/20°C
2.
Включите обогрев сиденья после подключения разъема, затем проверьте термостат, измерив температуру поверхности из штаба.
стандартное значение
Верх (подушка): 38±2°C, спинка: 45±2°C
Дно (подушка): 42±2°C, спинка: 50±2°C
Диагностический режим обогревателя сиденья
1.
Вы можете войти в режим диагностики, нажав на кнопку подогрев сидений.
2.
Вы можете войти в режим диагностики, обратившись к описанию следующий.
Нажмите ALL ON, удерживая кнопку обогрева от ВСЕХ ВЫКЛ.
Продолжайте нажимать IGN ON более трех секунд. перед повторным нажатием через 2 секунды в течение более трех секунды.
Все светодиодные индикаторы мигают 1 раз на кнопке сиденья водитель и пассажир.
3.
После входа в режим диагностики можно проверить неисправность управляя мигающим светодиодом.

Индикатор неисправности
Элементы для проверки
Подробные проверки

Низкий: ВКЛ.
Промежуточный: ВСПЫШКА
Вверху: ВСПЫШКА
Обнаружение низкого напряжения
Обнаружение перенапряжения
1) Проверьте линию питания ВСЕ 1

Внизу: ВСПЫШКА
Промежуточный: ВЫКЛ.
Высокий: ВКЛ.
Отключение питания кабеля обогревателя сиденья (отключение)
1) Отсоединен или отсутствует разъем линии В(+) сиденья обогрев

Внизу: ВЫКЛ.
Промежуточный: ВСПЫШКА
Высокий: ВКЛ.
Отключение питания кабеля обогревателя сиденья (отключение)
1) Отсоединен или отсутствует разъем линии сиденья ALL2 отопления

Внизу: ВЫКЛ.
Промежуточный: ВКЛ.
Вверху: ВСПЫШКА
NTC (отключение) /
Отопление (отключить)
1) NTC (отключение)
2) Отключение или отсутствие разъема NTC
3) Отсоединен или отсутствует разъем линии питания подогрев сидений

Внизу: ВСПЫШКА
Промежуточный: ВКЛ.
Высокий: ВЫКЛ.
NTC (короткое замыкание) /
Отопление (короткое замыкание)
1) Короткое замыкание кабеля NTC (короткое замыкание)
2) Короткое замыкание провода обогревателя сиденья (короткое замыкание)

Внизу: ВСПЫШКА
Промежуточный: ВКЛ.
Вверху: ВСПЫШКА
Потеря обратной связи по температуре
1) Проверьте клемму NTC.

4.
Проверить неисправность можно по мигающему светодиоду.
5.
Блок обогрева сидений регистрирует возникшую неисправность.
6.
Если вы нажмете кнопку обогрева сиденья более чем на пять секунд светодиод мигает четыре раза, сигнализируя о неисправности памяти, и сохраненная память будет удалена.
7.
Нажатие кнопки ALL OFF завершает режим диагностики для вентилируемое сиденье.
8.
Вы можете проверить, правильно ли работает система подогрева сидений. после нажатия ВСЕ ВКЛ. Если вы хотите проверить код ошибки, вы можете обратиться к процедуре 2 выше.
Переключатель управления сиденьем с электроприводом
Принципиальные диаграммы принципиальная электрическая схема Процедуры ремонта Контроль Переключатель управления сиденьем 1. С переключателем...

Выключатель обогрева сиденья
Компоненты и расположение компонентов КОМПОНЕНТЫ [Переключатель переднего сиденья] [Переключатель заднего сиденья] Принципиальные диаграммы Ша...
Другие материалы:

буксировка
Буксировка-сервис [A]: Долли Если необходима аварийная буксировка, мы рекомендуем сделать это авторизованного дилера HYUNDAI или услуги коммерческого эвакуатора. Правильные процедуры подъема и буксировки необходимы для предотвращения повреждения автомобиль. Использование колесных тележек или рекомендуется бортовой...

Как работает автомобильное радио
прием FM Радиосигналы AM и FM транслируются от вышек передатчиков, расположенных вокруг ваш город. Их перехватывает радиоантенна на вашем автомобиле. Этот сигнал затем принимается по радио и отправляется динамики вашего автомобиля. Когда сильный радиосигнал достиг ваш автомобиль,...