Hyundai Palisade: дверные зеркала с электроприводом / переключатель дверных зеркал с электроприводом

Hyundai Palisade (LX2) 2020-2023 Руководство по ремонту / Электрическая система кузова / Зеркала с электроприводом / Переключатель дверного зеркала с электроприводом

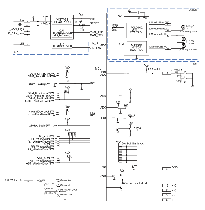
Принципиальные диаграммы
Принципиальная электрическая схема

Hyundai Palisade. Schematic diagrams

Hyundai Palisade. Schematic diagrams

Процедуры ремонта
Удаление
1.
Отсоедините отрицательную (-) клемму аккумуляторной батареи.
2.
Снимите обшивку передней левой двери.
(См. Кузов — «Облицовка передней двери»)
3.
Отсоедините монтажный зажим, а затем снимите узел переключателя качания двери. (А).

Hyundai Palisade. Repair procedures

Монтаж
1.
Установите переключатель зеркал с электроприводом.
2.
Установите обивку передней двери после подсоединения разъема.
3.
Подсоедините отрицательную (-) клемму аккумуляторной батареи.
осмотр
Диагностика с помощью диагностического инструмента
1.
В электрической системе тела неисправность можно быстро диагностировать с помощью система диагностики автомобиля (Diagnostic tool).
Система диагностики (инструмент диагностики) предоставляет следующую информацию.
(1)
Поиск кода неисправности: проверка неисправности и кодового номера (DTC)
(2)
Анализ данных: проверка состояния входных/выходных данных системы
(3)
Проверка срабатывания: Проверка состояния работы системы
(4)
S/W Management: Управление другими функциями, включая систему настройка параметров и регулировка нулевой точки
2.
Если диагностировать автомобиль с помощью диагностического инструмента, выберите «Анализ DTC» и "Транспортное средство".

Hyundai Palisade. Repair procedures

3.
Если проверить текущий статус, выберите «Анализ данных» и «Модель автомобиля».

Hyundai Palisade. Repair procedures

4.
Выберите «IBU_BCM» для поиска текущего состояния ввода/вывода. данные.

Hyundai Palisade. Repair procedures

Hyundai Palisade. Repair procedures

5.
Чтобы принудительно активировать входное значение проверяемого модуля, выберите опция «Проверка активации».

Hyundai Palisade. Repair procedures

Компоненты и расположение компонентов

..

Привод дверного зеркала с электроприводом

Процедуры ремонта Удаление 1. Отсоедините (-) клемму аккумуляторной батареи. 2. С помощью съемника застежек (C) снимите зеркало (A), как показано на рисунке. ниже...

Дополнительная информация:

Руководство по эксплуатации Hyundai Palisade (LX2) 2020-2023: Автоматическая коробка передач


Работа автоматической коробки передач Автоматическая коробка передач имеет восемь скоростей вперед и одна скорость заднего хода. Индивидуальные скорости выбираются автоматически в положение D (Движение). Диапазоны передачи Индикатор в комбинации приборов отображает положение передачи, когда замок зажигания в положении ON...

Руководство по эксплуатации Hyundai Palisade (LX2) 2020-2023: Правила вождения


Никогда не переключайте передачу из положения P (Парковка). или N (нейтральное) в любое другое положение с педалью акселератора депрессия. Никогда не переключайте передачу в положение P (Парковка). когда автомобиль находится в движении. Убедитесь, что автомобиль полностью останавливается до того, как вы попытаетесь переключиться в R (задний ход) или D (драйв)...