Hyundai Kona: система предотвращения лобового столкновения (FCA) / принципиальные схемы

Схематическая диаграмма

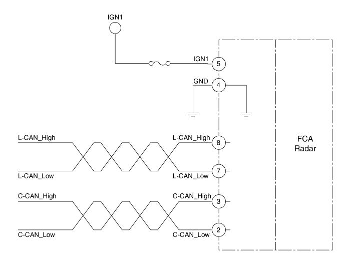
Терминал Функция

Нет
Функция
1
-
2
C-CAN Низкий уровень
3
C-CAN Высокий
4
ЗАЗЕМЛЕНИЕ
5
IGN_1
6
-
7
L-CAN Низкий
8
L-CAN Высокий

Компоненты и расположение компонентов
Компоненты Ниже приведена конфигурация системы FCA. – Устройство обнаружения (радар и камера), способное распознавать потенциальные препятствия спереди. ...

Процедуры ремонта
осмотр – ВКЛ/ВЫКЛ для FCA включен в USM (меню настроек пользователя) и по умолчанию включено. – Пока IGN включен, он остается на ...
Дополнительная информация:

Hyundai Kona (OS) 2018-2023 Service Manual: Специальные сервисные инструменты
Специальные сервисные инструменты Инструмент (Номер и имя) Иллюстрация Использовать 09200-3N000 Крепление опоры двигателя (Луч) Снятие и установка коробки передач. Используйте эту балку (SST №: 09200-3N000) с ...

Hyundai Kona (OS) 2018-2023 Руководство по техническому обслуживанию: Клапан регулировки давления топлива (FPCV) Процедуры ремонта
осмотр 1. Выключите зажигание и отсоедините отрицательный (-) аккумулятор. кабель. 2. Отсоедините разъем клапана регулятора давления топлива. 3. Измерьте сопротивление между регулятором давления топлива...