Hyundai Kona: Вентилятор / Резистор вентилятора (Руководство) Процедуры ремонта

осмотр
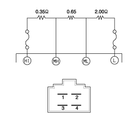
1.
Измерьте сопротивление между клеммами.
2.
Измеренное сопротивление не соответствует спецификации, вентилятор резистор необходимо заменить. (после снятия резистора)

Замена
1.
Отсоедините отрицательную (-) клемму аккумуляторной батареи.
2.
Отсоедините разъем (А) и снимите резистор вентилятора. (B) после ослабления крепежных винтов.

3.
Установка производится в порядке, обратном снятию.
Процедуры ремонта Power Mosfet
осмотр 1. Включите зажигание. 2. Вручную задействуйте переключатель управления и измерьте напряжение б...

Воздушный фильтр климат-контроля Описание и работа
Описание Воздушный фильтр климат-контроля находится в блоке вентилятора. Это устраняет посторонние вещества и запах. Фильтр твердых частиц выполняет роль запаха. фильтр ...
Дополнительная информация:

Hyundai Kona (OS) 2018-2023 Руководство по обслуживанию: Устранение неисправностей
Поиск неисправностей Устранение неполадок системы беспроводного зарядного устройства Состояние проблемы Пункт проверки осмотр Не взимается Проверить статус мобильного телефона Р-1 А...

Hyundai Kona (OS) 2018-2023 Руководство по эксплуатации: Система беспроводной зарядки сотового телефона
Внутри передней консоли находится беспроводное зарядное устройство для сотового телефона. Система доступна, когда все двери закрыты, а замок зажигания находится в положении ACC/ON. Для зарядки сотового телефона Система беспроводной зарядки сотового телефона заряжает только сотовую связь с поддержкой стандарта Qi. телефоны (). Ре ...