Hyundai i-20 manuels

Hyundai i-20 (RU) 2014-2023 Руководство по техническому обслуживанию автомобилей: МОТОР ОЧИСТИТЕЛЯ ЗАДНЕГО СТЕКЛОТОЧНИКА Порядок ремонта

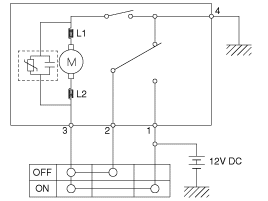
Контроль
МОТОР ЗАДНЕГО СТЕКЛООЧИСТИТЕЛЯ
1.
Включите переключатель стеклоочистителя, чтобы проверить непрерывность между клеммами электродвигателя стеклоочистителя.

НЕТ
Описание
1
Б (+)
2
СТОЯНКА
3
Вниз
4
МАССА

2.
Отсоедините положительный (+) кабель аккумулятора от клеммы 4 и аккумулятора. отрицательный (-) к клемме 3.
3.
Убедитесь, что двигатель работает на низкой скорости.
ДЕПОЗИТ
1.
Снимите рычаг и щетку стеклоочистителя заднего стекла (А) после снимите гайку очистителя заднего стекла (В).

2.
Снимите кольцо заднего стеклоочистителя (А).

3.
Откройте заднюю дверь, затем снимите обшивку задней двери.
(См. Кузов — «Отделка задней двери»)
4.
Отсоедините разъем электродвигателя заднего стеклоочистителя (В), затем снимите электродвигатель стеклоочистителя заднего стекла (А) после снятия 3 болты.

СРЕДСТВО
1.
Установите узел электродвигателя заднего стеклоочистителя и кольцо.
Момент затяжки (болт):
6,9 ~ 9,8 Н·м (0,7 ~ 1,0 кгс·м, 5,0 ~ 7,2 фунт-сила-фут)
2.
Установите обивку задней двери.
3.
Установите щетку заднего стеклоочистителя на линию отопителя. нижний антиобледенитель и на стекле задней двери.

4.
Установите крышку заднего стеклоочистителя и гайку заднего стеклоочистителя.
Момент затяжки гайки:
3,9 ~ 6,9 Н·м (0,4 ~ 0,7 кгс·м, 2,9 ~ 5,0 фунт-сила-фут)
Компоненты и расположение компонентов
РАСПОЛОЖЕНИЕ КОМПОНЕНТОВ 1. Крышка фары 2. Гайка рычага заднего стеклоочистителя 3. Рычаг и щетка заднего стеклоочистителя 4. Прокладка 5. М...

ВЫКЛЮЧАТЕЛЬ ЗАДНЕГО ОМЫВАТЕЛЯ Процедуры ремонта
Контроль Проверка многофункционального переключателя 1. Проверьте каждое положение переключателя, чтобы убедиться, что цепь не открыт между...
Другие материалы:

Задний противотуманный фонарь
Автомобиль с передними противотуманными фарами. Чтобы включить задние противотуманные фары: Установите переключатель в положение «габаритные огни», поверните переключатель света в положение передних противотуманных фар, затем поверните выключатель света (1) ...

Процедуры ремонта электромагнитного клапана управления RCV
Контроль 1. Поверните ключ зажигания в положение OFF. 2. Отсоедините разъем RCV. 3. Измерьте сопротивление между клеммами RCV 1 и 2. 4. Проверьте резистор...