Kia Rio: люк на крыше / мотор люка

Kia Rio 2017-2023 YB Руководство по ремонту / Электрическая система кузова / Люк на крыше / Мотор люка

Процедуры ремонта
осмотр
1.

Отсоедините отрицательную (-) клемму аккумуляторной батареи.

2.

Снимите обивку крыши в сборе.

(См. Кузов — «Обшивка крыши в сборе»)

3.

Снимите стеклоподъемник (А) после ослабления крепежных винтов.

4.

Заземлите клеммы, как показано в таблице ниже, и убедитесь, что блок люка работает, как показано в таблице ниже.

5.

Выполните эти входные тесты на разъеме. Если какой-либо тест указывает на проблему, Найдите и устраните причину, затем перепроверьте систему. Если все входные тесты докажите, что все в порядке, двигатель люка должен быть неисправен; замени это.

Терминал
Тест
состояние
Тест: Желаемый результат
3
IG2 ВКЛ.
Проверьте напряжение на землю:
Должно быть напряжение батареи.
1
Под всеми
условия
Проверьте целостность соединения с землей:
Должна быть преемственность.
6
Под всеми
условия
Проверьте напряжение на землю:
Должно быть напряжение батареи.

Корректирование

Сброс люка

Всякий раз, когда аккумулятор автомобиля отключен или разряжен, или вы используете аварийный ручку для управления люком, необходимо выполнить сброс системы люка следующим образом. :

1.

Поверните ключ зажигания в положение ON.

2.

В зависимости от положения люка сделайте следующее.

(1)

Если люк полностью закрыт или наклонен :

Нажимайте кнопку TILT до тех пор, пока люк полностью не поднимется вверх.

(2)

В случае, если люк открывается сдвижным механизмом:

Нажмите и удерживайте кнопку CLOSE более 5 секунд, пока люк полностью закрылся.

Нажимайте кнопку TILT до тех пор, пока люк полностью не поднимется вверх.

3.

Отпустите кнопку НАКЛОН.

4.

Нажмите и удерживайте кнопку TILT еще раз, пока люк не вернется в исходное положение. в исходное положение TILT после того, как он будет поднят немного выше, чем максимальное положение НАКЛОНА.

Когда это будет завершено, система люка сбрасывается.

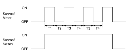
Защита перегретого двигателя

Чтобы защитить перегретый электродвигатель люка путем непрерывной работы электродвигателя, ЭБУ люка в крыше контролирует время работы и время охлаждения двигателя следующим образом;

1.

ЭБУ люка определяет время работы двигателя.

2.

Двигатель может работать непрерывно в течение 1-го цикла.

3.

Двигатель, который работает непрерывно, прекращает работу после 1-го запуска.

4.

И затем двигатель не работает в течение 1-го времени охлаждения.

5.

Двигатель работает на 2-й период работы при продолжающейся работе двигателя. после 1-го охлаждения.

6.

Двигатель, который работает непрерывно, останавливается после 2-го запуска.

7.

Двигатель не работает во время второго охлаждения.

8.

Двигатель повторяет 2-е время работы и 2-е время охлаждения при продолжающемся двигателе. операция.

В случае, если двигатель не работает непрерывно, время работы Ограничение для защиты перегретого двигателя увеличивается.

Время работы двигателя устанавливается на «0», если аккумулятор или предохранитель снова включается после отключения, разрядки или перегорания.

Защита перегретых Мотор

Чтобы защитить перегретый электродвигатель люка путем непрерывной работы электродвигателя, ЭБУ люка в крыше контролирует время работы и время охлаждения двигателя следующим образом.

1.

ЭБУ люка в крыше определяет время работы двигателя.

2.

Двигатель может работать непрерывно в течение 1-го цикла.

3.

Двигатель, который работает непрерывно, прекращает работу после 1-го запуска.

4.

И затем двигатель не работает в течение 1-го времени охлаждения.

5.

Двигатель работает на 2-й период работы при продолжающейся работе двигателя. после 1-го охлаждения.

6.

Двигатель, который работает непрерывно, останавливается после 2-го запуска.

7.

Двигатель не работает во время второго охлаждения.

8.

Двигатель повторяет 2-е время работы и 2-е время охлаждения при продолжающемся двигателе. операция.

В случае, если двигатель не работает непрерывно, время работы Ограничение для защиты перегретого двигателя увеличивается.

Время работы двигателя устанавливается на «0», если аккумулятор или предохранитель снова включается после отключения, разрядки или перегорания.

Т1: 120 ± 10 с, Т2: 18 ± 2 с,

Т3: 9 ± 2 сек., Т4: 18 ± 2 сек.

Переключатель люка
Компоненты и расположение компонентов Компоненты Процедуры ремонта осмотр 1. Отсоедините отрицательную (-) клемму аккумуляторной батареи. 2. Оп...
Стеклоочиститель/омыватель ветрового стекла
Компоненты и расположение компонентов Расположение компонента 1. Рычаг и щетка стеклоочистителя ветрового стекла 2. Переключатель стеклоочистителя и омывателя 3. Шланг и форсунка омывателя ветрового стекла ...
Дополнительная информация:

Руководство по эксплуатации Kia Rio 2017-2023 YB: Управление автомобилем


Убедитесь, что выхлопная система не протекает. Выхлопную систему следует проверять всякий раз, когда автомобиль поднимается для замены. масла или для любых других целей. Если вы слышите изменение звука выхлопа или если вы наезжаете на что-то, что ударяется о днище автомобиля, есть э...

Kia Rio 2017-2023 YB Руководство по обслуживанию: Крышка цепи ГРМ


Процедуры ремонта Удаление Для этой процедуры демонтаж двигателя не требуется. • Используйте накладки на крылья, чтобы не повредить окрашенные поверхности. • Во избежание плотины...