Kia Rio: стеклоочиститель/омыватель/датчик дождя

Kia Rio 2017-2023 YB Руководство по ремонту / Электрическая система кузова / Стеклоочиститель/омыватель ветрового стекла / Датчик дождя

Компоненты и расположение компонентов
Компоненты

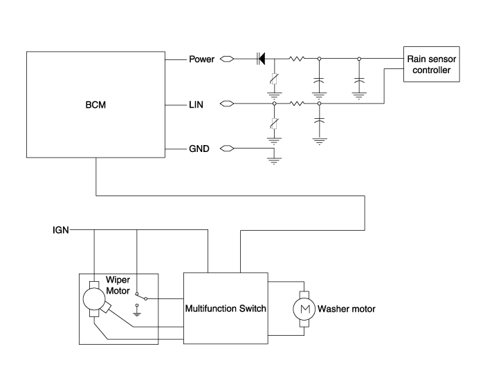
Принципиальные диаграммы
Принципиальная электрическая схема

Описание и работа
Описание
Встроенный датчик дождя

Встроенный датчик дождя (А) управляет тремя системами: передним стеклоочистителем, автоматическим освещением и центральный кондиционер.

1.

Система управления дворниками

Когда многофункциональный переключатель справа получает сигнал переключателя «AUTO», встроенный датчик дождя определяет количество осадков. Датчик установлен внутри верхней части лобового стекла для управления мотором стеклоочистителя.

Эта система автоматически контролирует продолжительность работы и скорость дворники в зависимости от измеренного количества осадков, даже если водитель не работает переключатель дворников.

Функции и работа Принципы

Основной принцип

1.

Определение количества осадков

Свет (луч), излучаемый светодиодами (LED), полностью отражается от внешней поверхности лобового стекла и возвращается к фотодиоды. Если на внешней поверхности ветрового стекла есть вода, свет оптически разделяется и частично отражается, а оставшаяся часть яркость измеряется фотодиодами. Остатки воды на лобовом стекле приводит к тому, что свет не отражается полностью. Потеря яркости за счет этого показывает, насколько поверхность стекла влажная.

Помехи

Датчик дождя может выйти из строя из-за помех, перечисленных ниже.

1.

Пыль на измерительной поверхности и других поверхностях на пути луча (поверхность светодиодов и фотодиодов, оптоволокна, кронштейна и стекла поверхности стыка лобового стекла) ослабляет принимаемый свет.

2.

Движение ветрового стекла и кронштейна

3.

Перемещение кронштейна из-за вибрации

4.

Повреждена щетка стеклоочистителя

Когда встроенный датчик дождя не работает или неисправен, водитель должен управлять переключателем стеклоочистителей вручную.

Автоматическая работа

1.

Рабочее состояние датчика дождя

Режим работы
Операция
Прямой режим
Это основное рабочее состояние при обнаружении датчика дождя. сухое ветровое стекло с переключателем стеклоочистителя в положении «Авто». В этом режиме встроенный датчик дождя определяет режим работы дворников в зависимости от количество осадков и их продолжительность.
Прерывистый режим
Встроенный датчик дождя активирует прерывистый режим, когда стеклоочиститель операция выполняется последовательно более двух раз с паузой 0,5 - 5 секунд.
Низкая скорость
Стеклоочиститель работает постоянно на малой скорости
Высокоскоростной
Стеклоочиститель работает постоянно на высокой скорости

Функция безопасности

1.

Когда в зоне обнаружения есть лед или посторонние предметы, встроенный датчик дождя не может правильно распознать условия для работы.

Обнаружение особых условий

1.

Датчик дождя

Особое состояние
Работа на основе обнаружения особых условий
Всплеск
Когда встроенный датчик дождя обнаруживает высокий уровень воды (брызги) в прямом или прерывистом режиме система переключается из режима парковки в Высокоскоростной. Затем очистка выполняется один раз на высокой скорости и еще раз на низкой скорости. Если состояние осадков не изменится после стирания, он возвращается в исходное состояние (прямое или прерывистое).
Размазывание
Смазывание представляет собой тонкую масляную пленку, которая быстро высыхает и возникает при небольшое количество осадков вытирается грязным или изношенным дворником лезвие. Рабочий сигнал не должен подаваться, когда происходит размытие в прямом или прерывистом режиме.
Грязь
Если после протирания не обнаружено никаких изменений, встроенный датчик дождя определяет, что лобовое стекло загрязнено. В этом состоянии оперативный сигнал подавать не следует. Если ветровое стекло становится чистым (для например, омывающей жидкостью), встроенный датчик дождя возвращается в нормальное состояние.
Омывающая жидкость
Встроенный датчик дождя не реагирует на омывающую жидкость во время режим стирки. Другими словами, скорость очистки не меняется даже если омывающая жидкость разбрызгивается (автоматическая работа омывателя насос не отражается на работе встроенного датчика дождя).

Процедуры ремонта
Удаление

Не повреждайте и не прикасайтесь к силикону (связующая среда).

Будьте осторожны, чтобы кремний не был загрязнен посторонними вещества, пыль и т.п.

Будьте осторожны, так как силикон может быть поврежден, если вы попытаетесь отделить датчик дождя принудительно.

Пыль или посторонние вещества на датчике дождя могут влияние на работу датчика дождя. С тем чтобы обеспечить точная функция датчика дождя, защита поверхности датчика защитной крышкой до тех пор, пока датчик не будет установлен на кронштейн.

Соединительная площадка на поверхности датчика дождя является липкой, а соединительная накладка может прилипнуть к ветровому стеклу во время использования в зависимости от на состояние окружающей среды.

Поэтому он может быть поврежден, когда вы пытаетесь удалить дождь датчик с лобового стекла принудительно. Будьте осторожны при разделении это с лобового стекла.

1.

Снимите крышку проводки зеркала (А).

2.

Отсоедините разъем датчика дождя (А).

3.

Будьте осторожны, чтобы не повредить защелку крышки, прикладывая чрезмерное усилие. Чтобы снять защелку, потяните защелку в сторону, используя отверстие в крышке с небольшим плоская отвертка (А).

1)

Вставьте маленькую плоскую отвертку (-) в отверстие на снизу или сверху, между датчиком дождя и кронштейном. .

2)

Медленно потяните датчик дождя вверх и вниз в вертикальном направлении. стекла, затем медленно снимите датчик дождя с лобового стекла. без повреждения силикона на датчике.

Он может быть поврежден при попытке снять датчик дождя. от лобового стекла насильно. Будьте осторожны при разделении это с лобового стекла.

При отделении силикона под воздействием высокой температуры его можно легко повредить из-за прочности клея из силикона. Удалите силикон в прохладном месте.

4.

Модуль датчика дождя крепится к лобовому стеклу клеем. Заменить переднего ветрового стекла, снимите модуль датчика дождя с существующего переднего стекла. лобовое стекло и установить на новое лобовое стекло.

Монтаж

Перед поездкой проверьте работу датчика дождя и датчика освещенности. монтаж.

Проверьте датчик на наличие повреждений кремния.

Проверьте, затянут ли разъем датчика дождя.

Проверьте, правильно ли затянуты датчик дождя и кронштейн.

Проверьте, нет ли в зоне установки датчика посторонних предметов.

Откалибруйте чувствительность переключателя, если операция автоматической очистки нечувствительна или слишком чувствительна.

Если силикон датчика дождя нормальный или слегка поврежден, как показано на изображениях ниже, его можно использовать повторно.

Нормальный
Повреждение в пределах 1,5 мм от внешней части


В случае повреждения силикона датчика дождя, как показано на рис. изображения ниже, его следует заменить новым силиконом.

Посторонние вещества
Отпечаток пальца
Повреждать


Повреждать


В случае повреждения силикона датчика дождя его следует замените его, как показано ниже.

1) Полностью удалите поврежденную прокладку из силиконового геля с пластины объектива.

Будьте осторожны, чтобы не повредить и не загрязнить поверхность пластины объектива во время снятия.

2) Прикрепите новую силиконовую гелевую прокладку после удаления силиконовой бумаги (A), затем снимите прозрачную пленку (B).

Прикрепляя силиконовую гелевую прокладку к датчику, будьте осторожны, чтобы не загрязнить

Очень важно, чтобы кремний (соединительная площадка) был полностью прижался к лобовому стеклу и застрял без пузырьков воздуха.

В случае замены поврежденного лобового стекла вы можете использовать неповрежденный существующий датчик дождя.

Ветровое стекло должно быть чистым и свободным от загрязнений. или посторонние вещества.

1.

Подсоедините разъем датчика дождя.

2.

Надавите на одну из защелок пружинного рычага (A) вниз, пока она не защелкнется, и вы не услышите звук щелчка.

Затем нажмите на защелку второго пружинного рычага (B), чтобы удерживать датчик. в правильном положении.

Не защелкивайте оба пружинных рычага одновременно.

Неправильно установленное защелкивающееся соединение может привести к неисправности датчика дождя/света.

Замена
Гелевая подушечка
1.

Полностью удалите поврежденную силиконовую гелевую прокладку с пластины линзы дождя. датчик.

Силиконовый гель должен быть полностью отделен от дождя датчика, стирая его пальцами без какого-либо инструмента.

Поверхность пластины линзы не должна быть повреждена и не загрязнены этой деятельностью.

Рекомендуется удалить все остатки с пластины объектива. поверхность сжатым воздухом.

2.

Снимите две защитные пленки (А) с гелевой подушечки.

3.

Вручную прикрепите силиконовую гелевую прокладку (A) к линзе датчика дождя.

В случае загрязнения силиконовой гелевой прокладки датчика дождя посторонними веществ, удалите посторонние вещества с помощью валика для наклеек.

Мотор переднего омывателя
Процедуры ремонта осмотр Мотор переднего омывателя 1. Подключив двигатель омывателя к бачку, заполните бачок. бак с водой. ...
Отопление, вентиляция, кондиционирование воздуха
Технические характеристики Спецификация Кондиционер Элемент Спецификация Компрессор Тип ДВЭ12 Тип масла и...
Дополнительная информация:

Руководство по эксплуатации Kia Rio 2017-2023 YB: Основной режим предупреждения, сигнальная лампа светодиодных фар


Основной режим предупреждения • Этот сигнализатор информирует водителя о следующих ситуациях: - Неисправность системы предотвращения столкновений вперед (FCA) (при наличии) - Неисправность предупреждения о прямом столкновении (FCW) (при наличии) - Радарная слепота системы предотвращения столкновений вперед (FCA) (при наличии) Если T ...

Kia Rio 2017-2023 YB Руководство по обслуживанию: Трубка сцепления


Компоненты и расположение компонентов Компоненты [Бензин 1.2, 1.4] 1. Педаль сцепления в сборе 2. Замок зажигания и выключатель сцепления 3. Главный цилиндр 4. Трубка сцепления [Бензин 1.0 T-GDI, Дизель 1.4] 1. Педаль сцепления в сборе 2. Иг...