Kia Rio: Электрическая система кузова/система иммобилайзера

Kia Rio 2017-2023 YB Руководство по ремонту / Электрическая система кузова / Система иммобилайзера

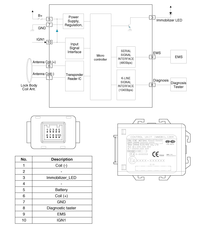
Принципиальные диаграммы
Принципиальная электрическая схема

Описание и работа
Описание

Система иммобилайзера отключит автомобиль, если не будет использован правильный ключ зажигания. используется, в дополнение к имеющимся в настоящее время противоугонным системам, таким как автомобильные сигнализации, система иммобилайзера направлена ​​​​на резкое снижение количества угонов автомобилей.

1.

Транспондер (TP) – Связь с ЭБУ IMMO

Протокол чтения TP

(1)

IMMO_ECU после включения IGN (или отмены сброса ЦП) отправляется вызов к TP и подтвердили серийный номер и подпись.

(2)

Когда ответ входного транспондера неверен, ввод повторяется.

(3)

Когда ответ входного транспондера правильный, данные, которые рассчитать операцию шифрования в программе EEPROM по сравнению с получил данные от ТП.

Когда коды совпадают, ввод завершен.

Если коды не совпадают, ввод продолжается до тех пор, пока коды не такие же.

(4)

Если код IMMO_ECU EEPROM не программируется, когда правильный транспондер введено (CRC Check OK), ввод закончен.

(5)

После включения IGN1 (отмена сброса процессора) IMMO_ECU считывает максимум 5 раз код транспондера

(6)

В состоянии IGN1 ON&EMS_state=Lock, при получении ANKNOWLEDGE, ТП проходит повторную аутентификацию

2.

Транспондер / IMMO ECU / аутентификация EMS

Компоненты Операции

PCM (управление силовой передачей Модуль)

1.

PCM(ECM) (A) выполняет проверку ключа зажигания с помощью специального алгоритм шифрования, который запрограммирован в транспондере, а также PCM (ECM) одновременно. Только если результаты равны, двигатель может быть начатым. Данные всех транспондеров, действительных для автомобиля, хранятся в PCM(ECM).

Значение ERN (зашифрованное случайное число) между EMS и зашифрованной смартрой Устройство проверяется, и служба EMS определяет действительность закодированного ключа.

ЗАШИФРОВАННЫЙ ИММОБИЛАЙЗЕР блок (А)

ИММОБИЛАЙЗЕР осуществляет связь со встроенным транспондером в Ключ зажигания. Эта беспроводная связь работает на радиочастоте (радиочастота 125 кГц). ИММОБИЛАЙЗЕР установлен за защитной накладкой рядом с центральной поперечной балкой.

Радиочастотный сигнал от транспондера, принятый катушкой антенны, преобразуется в сообщения для последовательной связи устройством ИММОБИЛАЙЗЕР. И, полученный сообщения от PCM (ECM) преобразуются в радиочастотный сигнал, который передается к транспондеру через антенну.

ИММОБИЛАЙЗЕР не выполняет проверку действительности транспондера или расчет алгоритма шифрования. Это устройство представляет собой только расширенный интерфейс, который преобразует поток радиочастотных данных транспондера в последовательную связь для PCM (ECM) и наоборот.

ТРАНСПОНДЕР (встроенный ключи)

Транспондер имеет усовершенствованный алгоритм шифрования. Во время основного обучения процедуры, транспондер будет запрограммирован специфичными для автомобиля данными. Автомобиль специальные данные записываются в память транспондера. Процедура записи один раз только; поэтому содержимое транспондера никогда не может быть модифицировано или изменено.

[Главный складной ключ]

[Запасной мастер-ключ]

Антенная катушка

Катушка антенны (А) выполняет следующие функции.

Катушка антенны подает энергию на транспондер.

Катушка антенны принимает сигнал от транспондера.

Катушка антенны посылает сигнал транспондера на ИММОБИЛАЙЗЕР.

Он расположен непосредственно перед замком рукоятки рулевого управления.

Процедуры ремонта
Учебные процедуры
1.

Ключевая процедура обучения

Обучение работе с ключами должно выполняться после замены неисправного модуля PCM (ECM) или при предоставление дополнительных ключей владельцу транспортного средства.

Процедура начинается с запроса PCM (ECM) конкретных данных автомобиля. (PIN-код: 6 цифр) с тестера. «Новый» PCM (ECM) хранит автомобиль конкретные данные и ключевое обучение могут быть запущены. «Выученный» PCM (ECM) сравнивает конкретные данные транспортного средства от тестера с сохраненными данными. Если данные верны, обучение может продолжаться.

Если в PCM (ECM) были отправлены неверные данные об автомобиле, три раз, PCM (ECM) отклонит запрос на обучение клавиш в течение одного часа. Это время нельзя уменьшить отключением аккумулятора или любыми другими манипуляциями. После повторного подключения батареи таймер снова запускается на один час.

Обучение ключа производится при включении зажигания ключом и дополнительным тестером команды. PCM (ECM) сохраняет соответствующие данные в EEPROM и в транспондер. Затем PCM (ECM) выполняет аутентификацию, необходимую для подтверждения. учебного процесса. Затем успешное программирование подтверждается сообщение тестировщику.

Если ключ уже известен PCM (ECM) из предыдущего обучения, аутентификация будет принята, и данные EEPROM будут обновлены. Там содержимое транспондера не изменилось (для обученного транспондера это невозможно).

Попытка повторно обучить ключу, которому уже научились во время одного и того же цикла обучения распознается PCM (ECM). Это отвергает ключ и сообщение отправляется тестировщику.

PCM(ECM) отклоняет недействительные ключи, представленные для обучения. Тестировщику отправляется сообщение. Ключ может быть недействителен из-за ошибок в транспондер или другие причины, возникшие в результате неудачного программирования данных. Если PCM (ECM) обнаруживает разные аутентификаторы транспондера и PCM(ECM), ключ считается недействительным.

Максимальное количество обучаемых клавиш – 4.

Если во время сервисного меню иммобилайзера возникает ошибка, блок управления двигателем (ECM) статус остается неизменным, и сохраняется определенный код неисправности.

Если состояние PCM(ECM) и состояние ключа не совпадают для обучения кнопки, процедура тестера будет остановлена, и появится определенный код неисправности. храниться в PCM(ECM).

При обучении 1-го ключа Smartra одновременно регистрируется.

(1)

Статус обучения PCM(ECM).

(2)

PCM (ECM) девственный статус.

После замены нового "PCM(ECM)" KDS/GDS показывает, что PCM(ECM) является девственным статусом в режиме Key Teaching.

Статус "VIRGIN" означает, что PCM(ECM) не соответствует ни одному PIN-коду. до.

2.

Процедура обучения пароля пользователя

Пароль пользователя для Limp Home учат на СТО. владелец транспортного средства может выбрать четырехзначный номер.

Обучение паролю пользователя принимается только "обученным" PCM (ECM). До первое обучение пароля пользователя PCM (ECM), состояние пароля является «девственным». Функция «Limp Home» невозможна.

Обучение запускается при включении зажигания с действительным ключом (выученным ключом). и отправка пароля пользователя тестером. После успешного обучения, статус пароля пользователя меняется с "virgin" на "learn"

Заученный пароль пользователя также можно изменить. Это можно сделать, если статус пароля пользователя «выучен» и тестер отправляет авторизацию доступа, либо старый пароль пользователя, либо данные автомобиля. После правильного авторизации, PCM(ECM) запрашивает новый пароль пользователя. Статус остается «выучился», и новый пароль пользователя будет действителен для следующего вялого дома режим.

Если были отправлены неверные пароли пользователей или неправильные данные о транспортном средстве к PCM(ECM) три раза непрерывно или с перерывами, PCM(ECM) отклонит запрос на смену пароля на один час. На этот раз нельзя можно уменьшить, отключив аккумулятор или любым другим действием. После повторного подключения батарея, таймер снова запустится на один час.

(1)

Обучение паролю пользователя

※ В случае ввода неправильного пароля повторите попытку с первого шага после 10 секунд.

(2)

Смена пароля пользователя

Функция «Хромой дом»
1.

Хромой дом от тестера

Если PCM (ECM) обнаруживает неисправность SMARTRA или транспондера, PCM(ECM) позволит иммобилайзеру работать в аварийном режиме. Хромой дом возможно только в том случае, если пароль пользователя (4 цифры) был передан в PCM (ECM) до. Этот пароль может быть выбран владельцем автомобиля и запрограммирован на СТО.

Пароль пользователя может быть отправлен в PCM (ECM) через специальный тестер. меню.

Только если PCM (ECM) находится в состоянии «обучения», а статус пароля пользователя "заученный" и пароль пользователя правильный, PCM (ECM) будет разблокирован. на некоторое время (30 сек.). Двигатель можно запускать только в это время время. По истечении времени запуск двигателя невозможен.

Если отправлен неправильный пароль пользователя, PCM (ECM) отклонит запрос. безвольного дома в течение одного часа. Отключение аккумулятора или любое другое действие не может сократить это время. После подключения аккумулятора к PCM (ECM) таймер снова запускается на один час.

2.

Хромой дом от ключа зажигания

Limp Home можно активировать также с помощью ключа зажигания. Пароль пользователя могут быть введены в PCM (ECM) с помощью специальной последовательности включения/выключения зажигания.

Только если PCM (ECM) находится в состоянии «обучения», а статус пароля пользователя "заученный" и пароль пользователя правильный, PCM (ECM) будет разблокирован. на некоторое время (30 сек.).

В это время можно запустить двигатель. По прошествии времени, запуск двигателя невозможен. После ввода нового пароля таймер (30 сек.) начнется снова.

После выключения зажигания PCM(ECM) блокируется, если таймер истек 8 секунды. Для следующего запуска запрашивается ввод пароля пользователя снова.

Замена

Проблемы и замена Части:

Проблема
Комплект деталей
KDS/GDS требуется?
Все ключи потеряны
Пустой ключ (4)
ДА
Блок антенной катушки не работает
Блок антенной катушки
НЕТ
ЕСМ не работает
ПКМ (ЭБУ)
ДА
Замок зажигания не работает
Замок зажигания с блоком антенной катушки
ДА
Появляются неопознанные данные о конкретном транспортном средстве
Ключ, PCM(ECM)
ДА
Блок СМАРТРА не работает
блок СМАРТРА
ДА

Замена ЭБУ И Смартра

В случае неисправности ECM блок подлежит замене на «чистый» или «нейтральный». ЕСМ. Все ключи должны быть обучены новому ECM. Ключи, которым не учат ECM недействительны для нового ECM (см. процедуру обучения ключей). Автомобиль определенные данные должны быть оставлены без изменений из-за уникального программирования транспондера.

В случае неисправной SMARTRA необходимо обучить смартру. Новая СМАРТРА устройство заменяет старое и смартру нужно обучать.

1.

Что нужно помнить перед заменой (PCM(ECM))

2.

Что нужно помнить перед заменой (ключи и дополнительная регистрация)

1)

Когда зарегистрирован только один ключ, и вы хотите зарегистрировать другой ключ, вам необходимо перерегистрировать ключ, который уже был зарегистрирован.

2)

Когда ключ №1 зарегистрирован, а мастер-ключ №2 нет зарегистрирован, поместите ключ № 1 в положение IG/ON или стартовое положение. и удалите его. Двигатель можно запустить с незарегистрированного ключ №2.

(Обратите внимание, что ключ № 2 необходимо использовать в течение 10 секунд после удаления ключ №1)

3)

Когда ключ №1 зарегистрирован, а ключ №2 не зарегистрирован, вставить незарегистрированный мастер-ключ №2 в ИГ/ВКЛ или старт позиция.

Двигатель не может быть запущен даже при зарегистрированном ключ №1.

4)

При проверке системы иммобилайзера см. выше пунктов 1, 2 и 3.

Всегда помните о 10-секундной зоне.

5)

Если пин-код и пароль введены неправильно на три последовательных входа, система будет заблокирована на один час.

6)

Будьте осторожны, чтобы не перекрыть области транспондера.

7)

Проблемы могут возникнуть при регистрации ключа или запуске автомобиля если транспондеры должны перекрываться.

Нейтрализация ECM

Блок PCM (ECM) может быть установлен в «нейтральное» состояние с помощью тестера.

Действительный ключ зажигания вставляется, и после того, как зажигание записывается, PCM (ECM) запрашивает у тестера специфические для автомобиля данные. Коммуникационные сообщения описан в «Нейтральном режиме». После успешного получения данных PCM(ECM) нейтрализуется.

ЕСМ остается заблокированным. Ни режим аварийного дома, ни "двойное включение зажигания" функция, принимается PCM (ECM).

Обучение ключей осуществляется в соответствии с процедурой, описанной для первичного модуля PCM (ECM). Специфические данные автомобиля должны быть неизменными из-за уникального программирования транспондер. Если данные должны быть изменены, новые ключи с новым транспондером просил.

Эта функция предназначена для нейтрализации блока PCM (ECM) и ключа. Пример) при потере ключа нейтрализовать PCM (ECM) затем обучает ключи.

(См. Что делать, если ключ и PIN-код PCM (ECM) могут быть установлены на "нейтральный" статус сканером. Если на SMATRA три раза непрерывно или с перерывами, SMATRA отклонит запрос войти в нейтральный режим на один час. Отключение аккумулятора или другие манипуляции не может сократить это время. После подключения батареи таймер снова запускается на один час.

Состояние нейтрализующей установки

В случае состояния PCM(ECM) "Learnt" независимо от пользователя пароль "Virgin or Learnt"

Введите правильный PIN-код с помощью сканера.

Нейтрализация смысла.

: Удаление PIN-кода (6) и пароля пользователя (4).

: Блокировка ECM (кроме разрешения на обучение ключа)

Нейтрализующее значение:

Удаление PIN-кода (6) и пароля пользователя (4)

Блокировка EMS (кроме разрешения Key Learning)

Нейтрализация SMARTRA

EMS может быть установлен тестером в нейтральное состояние.

Ключ зажигания (независимо от состояния ключа) вставлен и после IGN ON. При получении правильный пароль автомобиля от GST, SMARTRA можно нейтрализовать. Нейтрализация SMARTRA возможен, если DPN совпадает со значением, введенным GST.

Если статус SMARTRA нейтральный, EMS сохраняет состояние блокировки. И запуск невозможен "двойным зажиганием".

В случае изменения пароля автомобиля, новый исходный транспондер должен быть только использовал. И в случае первичного ключа, после изучения ключа автомобиля пароль, он может быть использован.

Если неправильные данные о транспортном средстве были отправлены в SMATRA три раза подряд или периодически SMATRA будет отклонять запрос на переход в нейтральный режим для один час. Отсоединение аккумулятора или другие манипуляции не могут сократить это время. После подключения батареи таймер снова запускается на один час.

Условия настройки нейтрализации:

В случае «Статус SMARTRA», «Обученный»

Введите правильный пин-код тестером

Нейтрализующее значение:

Пароль автомобиля (код DPN) и удаление кода SEK.

Разрешение на новое обучение DPN.

Выключатель зажигания
Процедуры ремонта осмотр 1. Отсоедините разъем выключателя сигнализации ключа (А) и разъем замка зажигания. (В) от рулевой колонки. ...
Блок управления иммобилайзером
Процедуры ремонта Удаление 1. Отсоедините отрицательную (-) клемму аккумуляторной батареи. 2. Снимите основную подушку безопасности в сборе. (См. Кузов - "Основной кран...
Дополнительная информация:

Kia Rio 2017-2023 YB Руководство по техническому обслуживанию: Переключатель стеклоочистителя-омывателя ветрового стекла


Процедуры ремонта Удаление [Тип BCM] 1. Отсоедините отрицательную (-) клемму аккумуляторной батареи. 2. Снимите рулевое колесо. (См. Система рулевого управления — «Рулевое колесо») 3. Снимите верхнюю часть рулевой колонки...

Руководство по эксплуатации Kia Rio 2017-2023 YB: Замена лампы заднего указателя поворота (на 5 дверях)


1. Откройте крышку багажника. 2. Ослабьте крепежные винты блока фонаря с помощью крестовой отвертки. 3. Снимите задний комбинированный фонарь с кузова автомобиля. 4. Отсоедините разъем заднего комбинированного фонаря. 5. Извлеките гнездо из узла, повернув головку гнезда ...