Kia Rio: система контроля выбросов

Kia Rio 2017-2023 YB Руководство по ремонту / Система контроля выбросов

Технические характеристики
Технические характеристики

Электромагнитный клапан управления продувкой (PCSV)

▷ Спецификация

Элемент
Спецификация
Сопротивление катушки (Ом)
18,5–22,5 [23°C (73,40°F)]

Моменты затяжки

Элемент
кгс·м
Н·м
фунт·фут
Клапан принудительной вентиляции картера (PCS)
0,19 - 0,29
1,89 - 2,84
1,40 - 2,09
Болт крепления кронштейна электромагнитного клапана управления продувкой (PCSV)
1,0 - 1,2
9,8 - 11,8
7,2 - 8,7

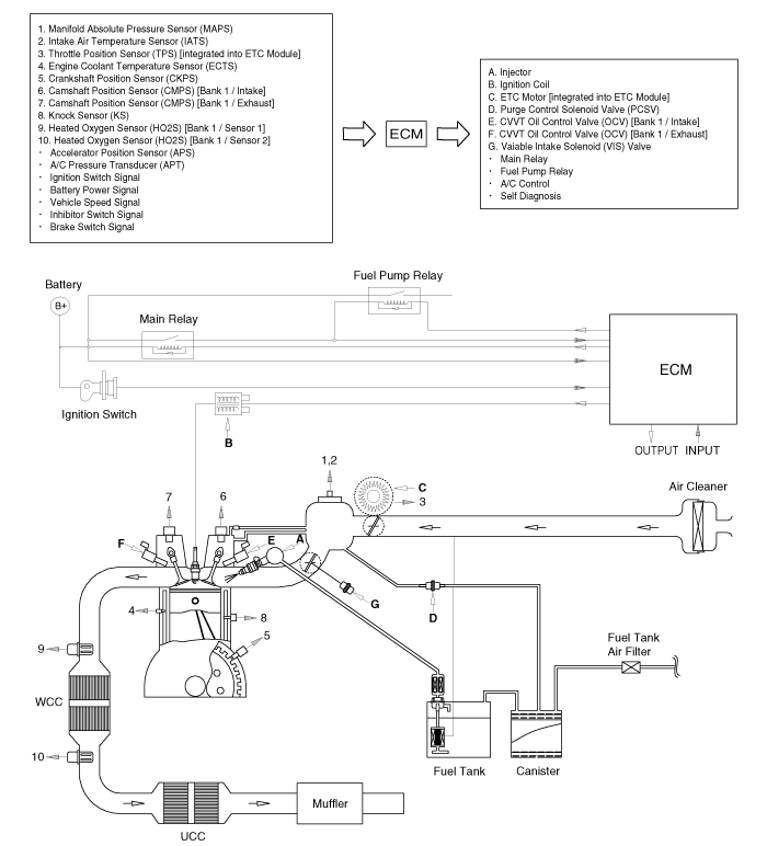
Компоненты и расположение компонентов
Расположение компонентов

1. Клапан PCV
2. Канистра
3. Электромагнитный клапан управления продувкой (PCSV)
4. Каталитический нейтрализатор (ВКК)
5. Каталитический нейтрализатор (UCC)
6. Выравнивающий шланг
7. Паровая трубка (бачок ↔ впускной коллектор)
8. Паровой шланг (Канистра ↔ Топливный бак)
9. Вентиляционный шланг (Канистра ↔ Воздушный фильтр)
10. Вентиляционный шланг (Воздушный фильтр ↔ Атмосфера)

1. Клапан PCV
2. Канистра

3. Электромагнитный клапан управления продувкой (PCSV)
4. Каталитический нейтрализатор (WCC)

5. Каталитический нейтрализатор (UCC)

6. Выравнивающий шланг
7. Паровая трубка (бачок ↔ впускной коллектор)
8. Паровой шланг (Канистра ↔ Топливный бак)
9. Вентиляционный шланг (Канистра ↔ Воздушный фильтр)
10. Вентиляционный шланг (Воздушный фильтр ↔ Атмосфера)


Описание и работа
Описание

Система контроля выбросов состоит из трех основных систем.

Система контроля выбросов картерных газов предотвращает попадание картерных газов в атмосфера. Эта система сжигает эти газы после перемещения их на впуск. коллектор (закрытая вентиляция картера).

Система контроля выбросов паров предотвращает попадание паров газа в атмосфера. Эта система сжигает газы при соответствующей работе двигателя. состояние после сбора в канистру.

Система контроля выбросов выхлопных газов преобразует три загрязняющих вещества в углеводороды. (HC), окись углерода (CO) и оксиды азота (NOx) в безвредные вещества с помощью трехкомпонентного каталитического нейтрализатора.

Принципиальные диаграммы
Схематическая диаграмма

Поиск неисправностей
Поиск неисправностей

Симптом
Подозрительная область
Двигатель не запускается или запускается с трудом
Паровой шланг поврежден или отсоединен
Двигатель тяжело заводится
Неисправность электромагнитного клапана управления продувкой
Грубый холостой ход или двигатель глохнет
Паровой шланг поврежден или отсоединен
Неисправность клапана PCV
Грубый холостой ход
Неисправность системы контроля улавливания паров топлива
Чрезмерный расход масла
Забита линия принудительной вентиляции картера

Переключатель круиз-контроля
Компоненты и расположение компонентов Компоненты 1. Левый переключатель дистанционного управления (Аудио + Громкая связь + Голос) 2. Правый переключатель дистанционного управления (Круиз+Поездка Co ...
Система контроля выбросов картерных газов
Принципиальные диаграммы Схематическая диаграмма Процедуры ремонта осмотр 1. Отсоединив паровой шланг от клапана PCV, снимите PCV. клапан. ...
Дополнительная информация:

Kia Rio 2017-2023 YB Руководство по техническому обслуживанию: Система ETC (электронного управления дроссельной заслонкой)


Технические характеристики Спецификация Модуль ЭТС Датчик положения дроссельной заслонки (TPS) [встроен в модуль ETC] ▷ Тип: Бесконтактный датчик Холла IC ▷ Спецификация Угол дроссельной заслонки (°) Выходное напряжение (В) [Vref=5V] ТПС1 ТПС2 ...

Kia Rio 2017-2023 YB Руководство по обслуживанию: Аккумулятор


Процедуры ремонта осмотр Напряжение батареи и Положение дел Проверьте напряжение и состояние аккумуляторной батареи с помощью тестера аккумуляторной батареи. Терминал батареи 1. Двигайтесь вперед и назад, чтобы убедиться, что клеммы аккумулятора (A) ослаблены. или подверглись коррозии. Если клеммы подверглись коррозии, очистите ...