Киа Рио: система зарядки/генератор

Kia Rio 2017-2023 YB Руководство по ремонту / Электрическая система двигателя / Система зарядки / Генератор

Технические характеристики
Спецификация

▷ 13,5 В, 90 А

Элемент
Спецификация
Номинальное напряжение
13,5 В, 90 А
Скорость в использовании
1000–18 000 об/мин
Регулятор напряжения
IC регулятор встроенного типа
Напряжение настройки регулятора (внутренний режим)
14,55 ± 0,3 В
Соединитель
3-контактный (C, FR, L)

▷ 13,5 В, 130 А

Элемент
Спецификация
Номинальное напряжение
13,5 В, 130 А
Скорость в использовании
1000–18 000 об/мин
Регулятор напряжения
IC регулятор встроенного типа
Напряжение настройки регулятора (внутренний режим)
14,55 ± 0,3 В
Соединитель
3-контактный (C, FR, L)
Тип шкива
ОАП

Компоненты и расположение компонентов
Компоненты

1. OAP (обгонная муфта генератора)
2. Передний кронштейн
3. Передний подшипник
4. Статор
5. Ротор
6. Задний подшипник
7. Задний Скобка
8. Сборка держателя щетки
9. Сквозной болт
10. Выпрямитель в сборе
11. Задняя крышка

Описание и работа
Описание

Генератор переменного тока имеет восемь встроенных диодов, каждый из которых преобразует переменный ток в постоянный.

Поэтому на клемме «В» генератора появляется постоянный ток.

Кроме того, зарядное напряжение этого генератора регулируется аккумуляторной батареей. система определения напряжения.

Генератор регулируется системой определения напряжения аккумуляторной батареи.

Основными элементами генератора являются ротор, статор, выпрямитель, конденсатор. щетки, подшипники и шкив поликлинового ремня.

Щеткодержатель содержит встроенный электронный регулятор напряжения.

1. Кисть
2. Шкив генератора с обгонной муфтой (OAP)
3. Ротор
4. Статор
5. Выпрямитель

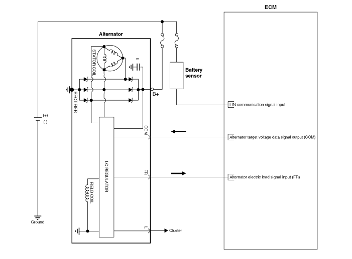
Принципиальные диаграммы
Принципиальная электрическая схема
[Тип 130А]

[Тип 90А]

Сигнал COM — при контроле генерируемого напряжения блок ECM отправляет данные о целевом напряжении на генератор через ШИМ-сигнал.

Сигнал FR — сигнал активации транзистора внутри генератора. отслеживает напряжение, генерируемое генератором переменного тока, для управления полем ток перед отправкой сигнала FR на ECM. (при определенных оборотах/электр. нагрузки режим FR может оставаться постоянным. Однако чаще РПМ, электрическая нагрузка, целевое напряжение и т. д. постоянно меняются в автомобиле, так что ФР тоже должен постоянно меняться)

Сигнал L — включает контрольную лампу аккумулятора на приборной панели. при неисправности системы зарядки аккумулятора. (условия поворота на лампе - перезаряд, переразряд, перегорела катушка возбуждения внутри генератор)

Клемма B+ - Выходное напряжение от генератора подается на аккумулятор через клемму B+.

Процедуры ремонта
Удаление
1.

Отсоедините отрицательную (-) клемму аккумуляторной батареи.

2.

Отсоедините разъем воздушного компрессора (А) и разъем генератора. (B) и отсоедините кабель (C) от клеммы «B» генератора.

3.

Снимите приводной ремень (А).

4.

Снимите нижний болт генератора и верхний болт (А).

Верхний болт крепления генератора:

19,6–26,5 Н·м (2,0–2,7 кгс·м, 14,5–19,5 фунт·фут)

Болт нижнего крепления генератора:

29,4–41,2 Н·м (3,0–4,2 кгс·м, 21,7–30,4 фунт·фут)

5.

Снимите генератор (А).

Монтаж
1.

Установите в порядке, обратном снятию.

2.

После установки отрегулируйте натяжение ремня генератора.

(См. Механическая система двигателя — «Приводной ремень»)

3.

Установите генератор.

Разборка
1.

Снимите заднюю крышку (А) после откручивания гаек.

2.

Снимите крепежные болты (А) и узел щеткодержателя (В).

3.

Снимите направляющую контактного кольца (А), потянув за нее.

4.

Снимите крышку OAD (разъединитель генератора с обгонной муфтой).

При установке замените новым колпачком OAD.

5.

Снимите шкив OAD (обгонная муфта генератора) (A), используя специальный инструмент.

6.

Отпаяйте 3 провода статора (A).

7.

Снимите 4 сквозных болта (А).

8.

Отсоедините ротор (А) и кронштейн (В).

Сборка
1.

Соберите в порядке, обратном разборке.

При повторной сборке шкива OAD замените его новым колпачком OAD.

осмотр
[Ротор]
1.

Убедитесь, что между контактными кольцами (А) имеется непрерывность.

2.

Убедитесь в отсутствии непрерывности между контактными кольцами и ротором. (B) или вал ротора (C).

3.

Если ротор не проходит проверку на непрерывность, замените генератор.

[Статор]
1.

Проверьте непрерывность между каждой парой проводов (A).

2.

Убедитесь в отсутствии непрерывности между каждым выводом и сердечником катушки.

3.

Если катушка не проходит проверку на непрерывность, замените генератор.

Система зарядки
Компоненты и расположение компонентов Компоненты ① ЭБУ ② Аккумулятор ③ Генератор ④ Стартер ⑤ Комбинация приборов ⑥ Выключатель зажигания или кнопка пуска/остановки ⑦ Аккумулятор с ...
Преобразователь постоянного тока в постоянный
Описание и работа Описание В связи со значительно более частым запуском возникающая электрическая нагрузка часто приводит к провалам напряжения в а/м...
Дополнительная информация:

Kia Rio 2017-2023 YB Service Manual: Шины (давление и износ протектора)


Процедуры ремонта осмотр 1. Проверьте давление в шинах. 15 (дюйм): 230 кПа (33 фунта на кв. дюйм) 16 (дюйм): 230 кПа (33 фунта на кв. дюйм) 17 (дюйм): 230 кПа (33 фунта на кв. дюйм) Вращение шин Проверка на вытягивание и Бродить Если руль тянет в одну сторону, поменяйте колеса в соответствии с ...

Руководство по эксплуатации Kia Rio 2017-2023 YB: Windows


(1) Переключатель электрического стеклоподъемника двери водителя (2) Выключатель электрического стеклоподъемника двери переднего пассажира (3) Переключатель электрического стеклоподъемника задней двери (левой)* (4) Переключатель электрического стеклоподъемника задней двери (правой)* (5) Открытие и закрытие окна (6) Автоматический стеклоподъемник UP*/DOWN* (окно водителя) (7) Кнопка блокировки стеклоподъемника* ...