Kia Picanto: электрическая система кузова / люк в крыше

Руководство по ремонту и обслуживанию Kia Picanto JA 2017-2023 гг. / Электрическая система кузова / Люк

Компоненты и расположение компонентов
Расположение компонента

1. Люк в крыше
2. Переключатель люка
3. Мотор и контроллер люка

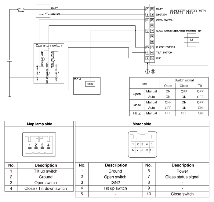
Принципиальные диаграммы
Принципиальная электрическая схема

Диагностика смарт-ключа
Процедуры ремонта осмотр Самодиагностика с помощью сканера Это сможет диагностировать дефекты системы SMART KEY с помощью KDS/GDS быстро. KDS/GDS может принудительно управлять приводом, вводом/выводом ...
Переключатель люка
Компоненты и расположение компонентов Компоненты Процедуры ремонта осмотр 1. Отсоедините отрицательную (-) клемму аккумуляторной батареи. 2. Снимите линзу картографического фонаря (A). 3. Удалить карту...
Дополнительная информация:

Kia Picanto JA 2017-2023 Руководство по ремонту и обслуживанию: Стекло передней двери


Компоненты и расположение компонентов Расположение компонента 1. Стекло передней двери Процедуры ремонта Замена Наденьте перчатки, чтобы защитить руки. • Используйте инструмент для снятия пластиковой панели, чтобы удалить ...

Руководство по эксплуатации Kia Picanto JA 2017-2023: Работа системы


Вентиляция 1. Установите режим в положение. 2. Установите регулятор подачи воздуха в наружное (свежее) воздушное положение. 3. Установите регулятор температуры на желаемая должность. 4. Установите регулятор скорости вентилятора на желаемая скорость. Обогрев 1. Установите режим в положение. 2. Установите конн...