Kia Picanto: система смарт-ключей / блок смарт-ключей

Руководство по ремонту и обслуживанию Kia Picanto JA 2017-2023 гг. / Электрическая система кузова / Система смарт-ключей / Блок смарт-ключа

Компоненты и расположение компонентов
Компоненты

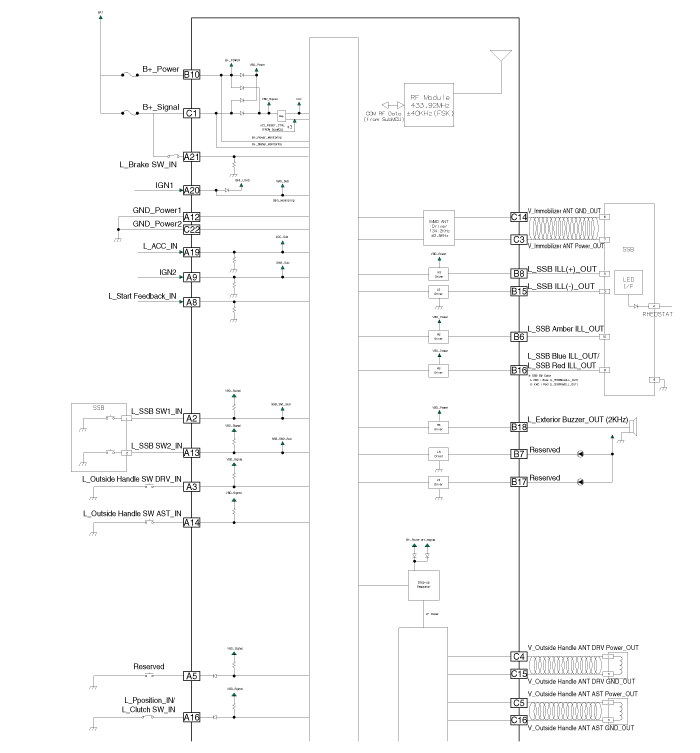
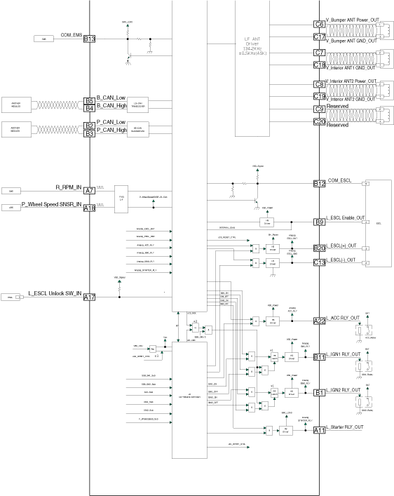
Информация о выводах разъема
Нет.
Соединитель А
Соединитель Б
Соединитель С
1
-
IGN2 Релейный_выход
Батарея (+)_Сигнал
2
SSB Switch1 signal_input
P-CAN (низкий)
-
3
внешняя ручка двери водителя switch_input
P-CAN (высокий)
Антенна иммобилайзера (питание)_выход
4
-
C-CAN (высокий)
Антенна на внешней ручке водителя (питание)_выход
5
-
C-CAN (низкий)
Антенна на внешней ручке пассажира (питание)_выход
6
-
SSB Янтарная подсветка_выход
Бамперная антенна (мощность)_выход
7
RPM Signal_input
-
Внутренняя антенна 1 (питание)_выход
8
Сигнал запуска Feedback_input
Подсветка SSB (+)_выход
Внутренняя антенна 2 (питание)_выход
9
IGN2
ESCL Enable_output
-
10
-
Батарея (+)Мощность
-
11
Реле стартера_выход
IGN1 Релейный_выход
-
12
Ground_Power1
ESCL (COM)
-
13
SSB Switch2 signal_input
Скорая помощь (COM)
ESCL_Ground (-)_output
14
Вспомогательная дверная ручка снаружи switch_input
-
Антенна иммобилайзера (земля)_выход
15
-
Подсветка SSB (-)_выход
Антенна на внешней ручке водителя (заземление)_выход
16
AT: "P" Positon_input
MT : Сцепление switch_input
Подсветка SSB (синяя)_выход
Подсветка SSB (красная)_выход
Антенна на внешней ручке пассажира (заземление)_выход
17
Разблокировка ESCL switch_input
-
Бамперная антенна (земля)_выход
18
Датчик скорости вращения колеса_вход
Внешний зуммер_выход
Внутренняя антенна 1 (земля)_выход
19
ACC Signal_input
-
Внутренняя антенна 2 (земля)_выход
20
IGN1
ESCL (+)_выход
-
21
Тормозной переключатель_вход

-
22
ACC Relay_output
Ground_Power2

Принципиальные диаграммы
Принципиальная электрическая схема

Процедуры ремонта
Удаление
Наденьте перчатки, чтобы не поранить руки.
Используйте инструмент для снятия пластиковой панели, чтобы удалить детали внутренней отделки, не повредив поверхность.
Будьте осторожны, чтобы не погнуть и не поцарапать обивку и панели.
Блок смарт-ключа
1.
Отсоедините отрицательную (-) клемму аккумуляторной батареи.
2.
Снимите перчаточный ящик.
(См. Кузов — «Перчаточный ящик»)
3.
Отсоедините разъемы блока смарт-ключа (А).

4.
Снимите блок смарт-ключа (A) после ослабления крепежных гаек.

Интерьер 1 Антенна
1.
Отсоедините отрицательную (-) клемму аккумуляторной батареи.
2.
Снимите напольную консоль в сборе.
(См. Кузов — «Узел напольной консоли»)
3.
Снимите внутреннюю антенну 1 (A), предварительно ослабив крепежный болт и гайку и отсоединив разъем.

Интерьер 2 Антенна
1.
Отсоедините отрицательную (-) клемму аккумуляторной батареи.
2.
Снимите подушку заднего сиденья в сборе.
(См. Кузов — «Заднее сиденье в сборе»)
3.
Снимите внутреннюю антенну 2 (А), предварительно ослабив крепежные гайки и отсоединив разъем.

Антенна заднего бампера
1.
Отсоедините отрицательную (-) клемму аккумуляторной батареи.
2.
Снимите задний бампер в сборе.
(См. Кузов — «Задний бампер в сборе»)
3.
Снимите антенну заднего бампера (А), предварительно ослабив крепежные винты и отсоединив разъем.

Зуммер
1.
Отсоедините отрицательную (-) клемму аккумуляторной батареи.
2.
Снимите защиту левого переднего колеса.
(См. Кузов — «Защита переднего колеса»)
3.
Снимите зуммер (А) после отсоединения разъема.

Внешняя ручка двери
1.
Отсоедините отрицательную (-) клемму аккумуляторной батареи.
2.
Снимите наружную ручку передней двери.
(См. Кузов — «Внешняя ручка передней двери»)

Переключатель открытия задней двери
1.
Отсоедините отрицательную (-) клемму аккумуляторной батареи.
2.
Снимите обшивку задней двери.
(См. Кузов — «Отделка задней двери»)
3.
Отсоедините разъем наружной ручки двери багажного отделения (А).

4.
Снимите узел наружной ручки задней двери (А) после ослабления крепежных гаек.

5.
Отсоедините разъем выключателя открытия задней двери (А).
6.
Снимите переключатель открывания задней двери (В) после ослабления крепежных винтов.

осмотр
Блок смарт-ключа
(См. Система смарт-ключа — «Диагностика смарт-ключа»)
Умный ключевой переключатель
(См. Система смарт-ключа — «Диагностика смарт-ключа»)
Антенна
(См. Система смарт-ключа — «Диагностика смарт-ключа»)
Внешняя ручка двери
1.
Отсоедините разъем наружной ручки передней двери (А).

2.
Проверьте целостность цепи между клеммами № 2 и № 4.

Нет
Описание
1
Дверная антенна 1
2
Кнопка запирания/отпирания двери 1
3
Дверная антенна 2
4
Кнопка запирания/отпирания двери 2

Переключатель открытия задней двери
1.
Проверьте целостность цепи между клеммами выключателя открывания двери багажного отделения.

2.
Если непрерывность не указана, осмотрите переключатель

Монтаж
Блок смарт-ключа
1.
Установите блок смарт-ключа после соединения разъемов.
2.
Установите перчаточный ящик.
3.
Подсоедините отрицательную (-) клемму аккумуляторной батареи и проверьте систему смарт-ключа.
Интерьер 1 Антенна
1.
Установите внутреннюю 1 антенну.
2.
Установите напольную консоль в сборе.
3.
Подсоедините отрицательную (-) клемму аккумуляторной батареи и проверьте систему смарт-ключа.
Интерьер 2 Антенна
1.
Установите внутреннюю 2 антенну.
2.
Установите подушку заднего сиденья в сборе.
3.
Подсоедините отрицательную (-) клемму аккумуляторной батареи и проверьте систему смарт-ключа.
Антенна заднего бампера
1.
Установить антенну заднего бампера.
2.
Установите задний бампер в сборе.
3.
Подсоедините отрицательную (-) клемму аккумуляторной батареи и проверьте систему смарт-ключа.
Зуммер
1.
Установите зуммер.
2.
Установите защитный кожух левого переднего колеса.
3.
Подсоедините отрицательную (-) клемму аккумуляторной батареи и проверьте систему смарт-ключа.
Внешняя ручка двери
1.
Установите наружную ручку передней двери.
2.
Подсоедините отрицательную (-) клемму аккумуляторной батареи и проверьте систему смарт-ключа.
Переключатель открытия задней двери
1.
Установите переключатель открывания двери багажного отделения после подсоединения разъема.
2.
Установите наружную ручку задней двери в сборе.
3.
Подсоедините разъем наружной ручки двери багажного отделения в сборе.
4.
Установите обшивку задней двери.
5.
Подсоедините отрицательную (-) клемму аккумуляторной батареи и проверьте систему смарт-ключа.
Смарт-ключ
Процедуры ремонта Смарт-ключ Сохранение кода смарт-ключа 1. Подключить кабель DLC KDS/GDS к разъему канала передачи данных (16 контактов) в драйвере нижней панели боковой панели, включите питание KDS/GDS. ...
Диагностика смарт-ключа
Процедуры ремонта осмотр Самодиагностика с помощью сканера Это сможет диагностировать дефекты системы SMART KEY с помощью KDS/GDS быстро. KDS/GDS может принудительно управлять приводом, вводом/выводом ...
Дополнительная информация:

Руководство по ремонту и обслуживанию Kia Picanto JA 2017-2023: Водяной насос


Процедуры ремонта Снятие и установка 1. Отсоедините отрицательную клемму аккумулятора. 2. Снимите нижнюю крышку моторного отсека и правую боковую крышку. (См. Двигатель и трансмиссия в сборе — «Моторное отделение под крышкой») 3.Слейте охлаждающую жидкость. (См. Система охлаждения - ...

Руководство по ремонту и обслуживанию Kia Picanto JA 2017-2023: Система подачи топлива


Компоненты и расположение компонентов Расположение компонентов Топливный бак и заливная горловина в сборе ...