Kia Picanto: электрическая система кузова/система иммобилайзера

Руководство по ремонту и обслуживанию Kia Picanto JA 2017-2023 гг. / Электрическая система кузова / Система иммобилайзера

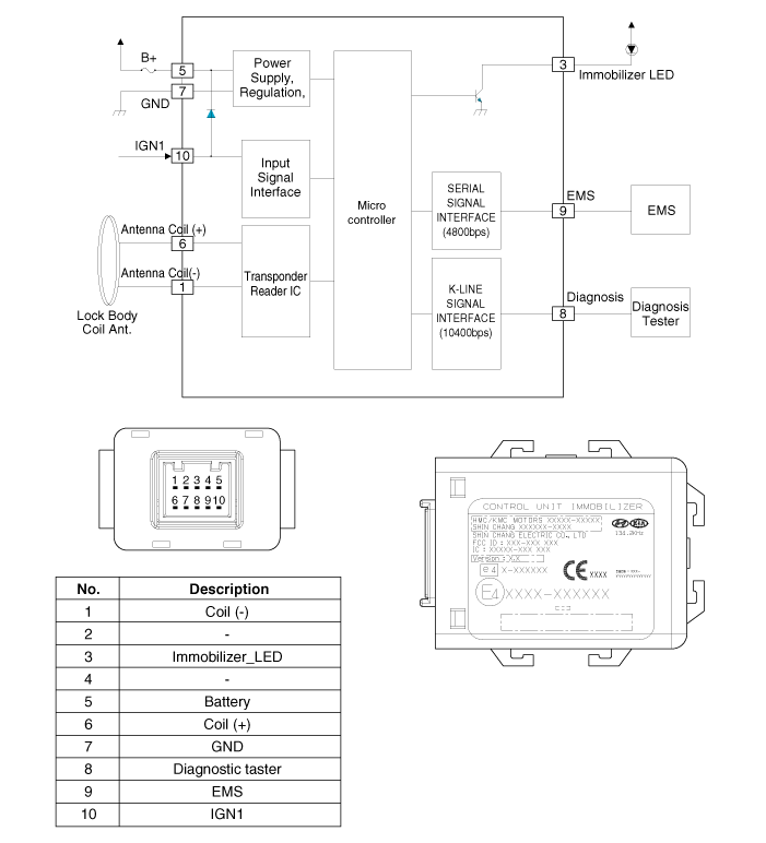
Принципиальные диаграммы
Принципиальная электрическая схема

Описание и работа
Описание
система иммобилайзера отключит транспортное средство, если правильное зажигание используется ключ, в дополнение к имеющимся на данный момент противоугонным системам таких как автомобильная сигнализация, система иммобилайзера направлена ​​на резкое снижение скорость угона автомобилей.
1.
Транспондер (TP) – Связь с ЭБУ IMMO

Протокол чтения TP
(1)
IMMO_ECU после включения IGN (или отмены сброса ЦП) отправляет запрос на TP и подтверждает серийный номер и подпись.
(2)
Когда ответ входного транспондера неверен, ввод повторяется.
(3)
Когда ответ входного транспондера правильный, данные, которые вычисляют Операция шифрования в программе EEPROM по сравнению с полученными данными от ТП.
Когда коды совпадают, ввод завершен.
Если коды не совпадают, ввод продолжается до тех пор, пока коды не совпадут.
(4)
Если код IMMO_ECU EEPROM не программируется, когда введен правильный транспондер (CRC Check OK), ввод завершен.
(5)
После включения IGN1 (отмена сброса процессора) IMMO_ECU считывает максимум 5 раз код транспондера.
(6)
В состоянии IGN1 ON&EMS_state=Lock при получении ANKNOWLEDGE происходит повторная аутентификация TP.

2.
Транспондер / IMMO ECU / аутентификация EMS

Компоненты Операции
PCM (модуль управления силовой передачей)
1.
PCM(ECM) (A) выполняет проверку ключа зажигания с помощью специального алгоритм шифрования, который также запрограммирован в транспондере как PCM (ECM) одновременно. Только если результаты равны, двигатель можно запустить. Данные всех транспондеров, действительных для транспортного средства, хранятся в PCM (ECM).
ERN (зашифровано Randorm Number) проверяется значение между EMS и зашифрованным блоком smartra. и действительность закодированного ключа определяется EMS.

ЗАШИФРОВАННЫЙ ИММОБИЛАЙЗЕР (A)
ИММОБИЛАЙЗЕР осуществляет связь со встроенным транспондером в ключ зажигания. Эта беспроводная связь работает на РЧ (радио частота 125 кГц). ИММОБИЛАЙЗЕР установлен за аварией накладка рядом с центральной перекладиной.
Радиочастотный сигнал от транспондера, принимаемый катушкой антенны, преобразуется в сообщения для последовательной связи ИММОБИЛАЙЗЕРОМ устройство. И полученные сообщения от PCM (ECM) преобразуются в радиочастотный сигнал, который передается на транспондер антенной.
ИММОБИЛАЙЗЕР не выполняет проверку действительности транспондера или расчет алгоритма шифрования. Это устройство является только расширенный интерфейс, который преобразует поток радиочастотных данных транспондера в последовательную связь с PCM (ECM) и наоборот.

ТРАНСПОНДЕР (встроенные ключи)
Транспондер имеет усовершенствованный алгоритм шифрования. Во время ключ. процедура обучения, транспондер будет запрограммирован с помощью транспортного средства конкретные данные. Специфические данные автомобиля записываются в память транспондера. Процедура записи выполняется только один раз; Следовательно содержимое транспондера никогда не может быть модифицировано или изменено.
[Главный складной ключ]

[Запасной мастер-ключ]

Антенная катушка
Катушка антенны (А) выполняет следующие функции.
Катушка антенны подает энергию на транспондер.
Катушка антенны принимает сигнал от транспондера.
Катушка антенны посылает сигнал транспондера на ИММОБИЛАЙЗЕР.
Он расположен непосредственно перед замком рукоятки рулевого управления.

Процедуры ремонта
Учебные процедуры
1.
Ключевая процедура обучения
Обучение работе с ключами необходимо проводить после замены неисправного блока управления двигателем (ECM) или при предоставлении дополнительных ключей владельцу автомобиля.
процедура начинается с запроса PCM(ECM) на получение конкретных данных об автомобиле (PIN-код: 6 цифр) с тестера. «Новый» PCM (ECM) хранит Можно запустить специальные данные автомобиля и обучение ключу. «ученый» PCM(ECM) сравнивает конкретные данные автомобиля от тестера с сохраненные данные. Если данные верны, обучение может продолжаться.
Если неправильные данные о транспортном средстве были отправлены в PCM (ECM) три раз, PCM (ECM) отклонит запрос на обучение ключа на один раз. час. Это время нельзя сократить, отключив аккумулятор или другие манипуляции. После повторного подключения батареи таймер запускается снова на один час.
Основное обучение проводится включение зажигания ключом и дополнительными командами тестера. ПКМ (ЭБУ) сохраняет соответствующие данные в EEPROM и в транспондере. Затем PCM(ECM) выполняет аутентификацию, необходимую для подтверждения учебный процесс. Затем успешное программирование подтверждается сообщение тестировщику.
Если ключ уже известен к PCM(ECM) из предыдущего обучения, аутентификация будет приняты, и данные EEPROM обновлены. Нет никаких изменений содержание транспондера (для обученного транспондера это невозможно).
пытаться повторно обучать ключу, который уже был обучен во время один и тот же цикл обучения распознается PCM (ECM). Это отвергает ключ и сообщение отправляется тестировщику.
PCM(ECM) отклоняет недействительные ключи, представленные для обучения. А сообщение отправляется тестировщику. Ключ может быть недействителен из-за ошибок в транспондер или другие причины, возникшие в результате неудачного программирование данных. Если PCM(ECM) обнаруживает разные аутентификаторы транспондер и PCM(ECM), ключ считается недействительным.
Максимальное количество обучаемых клавиш – 4.
Если ошибка возникает во время сервисного меню иммобилайзера, PCM (ECM) статус остается неизменным, и сохраняется определенный код неисправности.
Если состояние PCM(ECM) и состояние ключа не совпадают для обучения клавиши, процедура тестера будет остановлена, и появится определенный код неисправности. будут сохранены в PCM(ECM).
При обучении 1-го ключа Smartra одновременно регистрируется.

(1)
Статус обучения PCM(ECM).

(2)
PCM (ECM) девственный статус.
После замены нового "PCM(ECM)" KDS/GDS показывает, что PCM(ECM) находится в исходном состоянии в режиме обучения клавиш.
Статус "VIRGIN" означает, что PCM(ECM) ранее не совпадал ни с одним PIN-кодом.
2.
Процедура обучения пароля пользователя
пароль пользователя для Limp Home учат на СТО. Владелец автомобиля можно выбрать четырехзначный номер.
Обучение пароля пользователя принимается только "обученным" PCM (ECM). До первое обучение пароля пользователя PCM (ECM), состояние пароль "virgin" Невозможна функция аварийного дома.
обучение начинается при включении зажигания, с действительным ключом (выученным ключом) и отправка пароля пользователя тестером. После успешного обучения, статус пароля пользователя меняется с "virgin" на "learn"
выученный пароль пользователя также может быть изменен. Это можно сделать, если пользователь статус пароля "выучен" и тестер отправляет авторизацию доступ, либо старый пароль пользователя, либо данные автомобиля. После правильная авторизация, PCM(ECM) запрашивает новый пароль пользователя. статус остается «выученным», и новый пароль пользователя будет действителен для следующий вялый домашний режим.
Если неправильные пароли пользователей или неправильные данные о транспортном средстве были отправлены в PCM (ECM) три раза непрерывно или с перерывами, PCM(ECM) отклонит запрос на изменить пароль на один час. Это время не может быть сокращено отключение аккумулятора или любые другие действия. После повторного подключения батареи, таймер снова запустится на один час.
(1)
Обучение паролю пользователя

※ В случае ввода неправильного пароля повторите попытку с первого шага через 10 секунд.
(2)
Смена пароля пользователя

Функция «Хромой дом»
1.
Хромой дом от тестера
Если PCM (ECM) обнаруживает неисправность SMARTRA или транспондера, PCM(ECM) позволит иммобилайзеру работать в аварийном режиме. Хромой дом возможно только в том случае, если пароль пользователя (4 цифры) был предоставлен PCM(ECM) перед. Этот пароль может быть выбран владельцем транспортного средства и программируется на СТО.
Пароль пользователя может быть отправлен в PCM (ECM) через специальное меню тестера.
Только если PCM(ECM) находится в состоянии "обучения", а статус пароля пользователя «обученный» и пароль пользователя правильный, PCM (ECM) будет разблокирован на некоторое время (30 сек.). Двигатель можно запускать только во время на этот раз. По истечении времени запуск двигателя невозможен.
Если отправлен неправильный пароль пользователя, PCM (ECM) отклонит запрос безвольного дома в течение одного часа. Отключение аккумулятора или любое другое действие не может сократить это время. После подключения аккумулятора к PCM (ECM), таймер снова запускается на один час.

2.
Хромой дом от ключа зажигания
Limp Home можно активировать также ключом зажигания. Пароль пользователя могут быть введены в PCM (ECM) с помощью специальной последовательности включения/выключения зажигания.
Только если PCM(ECM) находится в состоянии "обучения", а статус пароля пользователя «обученный» и пароль пользователя правильный, PCM (ECM) будет разблокирован на некоторое время (30 сек.).
Двигатель можно запустить в течение этого времени. По истечении времени запуск двигателя не возможный. После ввода нового пароля включается таймер (30 сек.). начать снова.
После выключения зажигания блок управления двигателем (ЕСМ) блокируется, если таймер истек 8 секунд. Для следующего запуска ввод пароль пользователя запрашивается снова.

Замена
Проблемы и запасные части:
Проблема
Комплект деталей
KDS/GDS требуется?
Все ключи потеряны
Пустой ключ (4)
ДА
Блок антенной катушки не работает
Блок антенной катушки
НЕТ
ЕСМ не работает
ПКМ (ЭБУ)
ДА
Замок зажигания не работает
Замок зажигания с блоком антенной катушки
ДА
Появляются неопознанные данные о конкретном транспортном средстве
Ключ, PCM(ECM)
ДА
Блок СМАРТРА не работает
блок СМАРТРА
ДА

Замена ЭБУ и Smartra
В В случае неисправности ECM блок подлежит замене на «чистый» или «нейтральный» ЕСМ. Все ключи должны быть обучены новому ECM. Ключи, которые не запрограммированы на ECM, недействительны для нового ECM (см. процедура обучения). Данные о транспортном средстве должны быть оставлены без изменений. благодаря уникальному программированию транспондера.
В В случае неисправной SMARTRA необходимо обучить смартру. новый Устройство SMARTRA заменяет старое, и смартру нужно обучать.
1.
Что нужно помнить перед заменой (PCM(ECM))

2.
Что нужно помнить перед заменой (ключи и дополнительная регистрация)

1)
Когда зарегистрирован только один ключ, и вы хотите зарегистрировать другой ключ, вам нужно перерегистрировать ключ, который уже был зарегистрирован.
2)
Когда ключ №1 зарегистрирован, а мастер-ключ №2 не зарегистрирован. ключ #1 в положение IG/ON или старт и выньте его. Двигатель может запускаться незарегистрированным ключом №2.
(Обратите внимание, что ключ № 2 необходимо использовать в течение 10 секунд после извлечения ключа № 1)
3)
Когда ключ №1 зарегистрирован, а ключ №2 не зарегистрирован, поставьте незарегистрированный мастер-ключ №2 в положении IG/ON или старт.
Двигатель не может быть запущен даже с зарегистрированным ключом №1.
4)
При осмотре системы иммобилайзера обращайтесь к пунктам 1, 2 и 3 выше.
Всегда помните о 10-секундной зоне.
5)
Если пин-код и пароль введены неверно при трех последовательных входах, система будет заблокирована на один час.
6)
Будьте осторожны, чтобы не перекрыть области транспондера.
7)
Проблемы могут возникнуть при регистрации ключа или запуске автомобиля, если транспондеры перекрываются.
Нейтрализация ECM
Блок PCM (ECM) может быть установлен в «нейтральное» состояние с помощью тестера.
А вставлен действительный ключ зажигания и после того, как зажигание зафиксировано, PCM(ECM) запрашивает данные автомобиля у тестера. коммуникационные сообщения описаны в «Нейтральном режиме» После успешно получив данные, PCM(ECM) нейтрализуется.
ЕСМ остается заблокированным. Ни аварийный режим, ни функция "двойное включение зажигания" не принимаются PCM (ECM).
обучение ключам следует процедуре, описанной для девственницы. ПКМ (ЭБУ). Специфические данные транспортного средства должны быть неизменными из-за уникальное программирование транспондера. Если данные должны быть изменены, новые запрашиваются ключи с девственным транспондером.
Эта функция предназначена для нейтрализации блока PCM (ECM) и ключа. Например, при утере ключа нейтрализуйте PCM (ECM), затем заучите ключи.
(Ссылаться к Что делать, когда ключ и PIN-код PCM (ECM) могут быть установлены на «нейтральный» статус сканером. Если указаны неверные данные по конкретному автомобилю были отправлены в SMATRA три раза непрерывно или с перерывами, SMATRA отклонит запрос на переход в нейтральный режим на один час. Отсоединение аккумулятора или другие манипуляции не могут сократить это время. После подключения батареи таймер снова запускается на один час.
Состояние нейтрализующей установки
В случае статуса PCM(ECM) "Изучен" независимо от пароля пользователя "Девственный или Изученный"
Введите правильный PIN-код с помощью сканера.
Нейтрализация смысла.
: Удаление PIN-кода (6) и пароля пользователя (4).
: Блокировка ECM (кроме разрешения на обучение ключа)
Нейтрализующее значение:
Удаление PIN-кода (6) и пароля пользователя (4)
Блокировка EMS (кроме разрешения Key Learning)

Нейтрализация SMARTRA
EMS может быть установлен тестером в нейтральное состояние.
Зажигание ключ (независимо от состояния ключа) вставлен и после IGN ON. Если получив правильный пароль автомобиля от GST, SMARTRA может быть нейтрализован. Нейтрализация СМАРТРЫ возможна, если ДПН такой же, как значение, введенное GST.
Если статус SMARTRA нейтральный, EMS сохраняет состояние блокировки. И запуск не возможен "двойным зажиганием".
В В случае изменения пароля транспортного средства необходимо установить новый исходный транспондер. только используется. И в случае девственного ключа, после изучения ключа автомобиля пароль, его можно использовать.
Если неправильные данные о транспортном средстве были отправлены в SMATRA три раза непрерывно или с перерывами, SMATRA отклонит запрос на войти в нейтральный режим на один час. Отключение аккумулятора или др. манипуляция не может сократить это время. После подключения аккумулятора таймер снова запускается на один час.
Условия настройки нейтрализации:
В случае «Статус SMARTRA», «Обученный»
Введите правильный пин-код тестером
Нейтрализующее значение:
Пароль автомобиля (код DPN) и удаление кода SEK.
Разрешение на новое обучение DPN.

Замок зажигания в сборе
Процедуры ремонта осмотр 1.Отсоедините разъем выключателя сигнализации о ключе (A) и разъем замка зажигания (B) от рулевой колонки. 2.Проверьте целостность цепи между клеммами. 3 ...
Блок управления иммобилайзером
Процедуры ремонта Удаление 1.Отсоедините отрицательную (-) клемму аккумуляторной батареи. 2. Снимите основную подушку безопасности в сборе. (См. раздел «Кузов» — «Главная аварийная подушка в сборе») 3.Отсоедините к...
Дополнительная информация:

Руководство по ремонту и обслуживанию Kia Picanto JA 2017-2023: Утилизация модуля подушки безопасности


Описание и работа Утилизация подушки безопасности Требуется специальный инструмент Инструмент развертывания 0957A-34100A До утилизация любых подушек безопасности или боковых подушек безопасности (в том числе в целом транспортное средство, подлежащее утилизации), подушки безопасности или боковые подушки безопасности должны быть развернуты. Если автомобиль все еще находится на гарантии, pe ...

Руководство по ремонту и обслуживанию Kia Picanto JA 2017-2023: Топливный бак


Технические характеристики Спецификация Предметы Спецификация Емкость топливного бака (л) 35 л (9,24 галлона США, 37,0 кварты США, 30,8 лм. кварты) Процедуры ремонта Удаление 1. Сбросьте остаточное давление в топливопроводе. (См. т...