Kia Picanto: система ISG (Idle Stop & Go) / преобразователь постоянного тока в постоянный

Руководство по ремонту и обслуживанию Kia Picanto JA 2017-2023 гг. / Управление двигателем/топливная система / Система ISG (Idle Stop & Go) / Преобразователь постоянного тока в постоянный

Описание и работа
Описание
Должный к значительно более частому возникновению пусковых операций, возникающая электрическая нагрузка часто приводит к провалам напряжения в автомобильная сеть.
В для стабилизации питания для некоторых чувствительных к напряжению электрические компоненты, преобразователь постоянного тока в постоянный используется вместе с функция ИСГ.
Преобразователь постоянного тока в постоянный подает на реле напряжение, которое также остается постоянным во время операции пуска.
Преобразователь постоянного тока в постоянный установлен в задней части перчаточного ящика.
С помощью щупы для входного напряжения и пускового реле, электроника решить, подается ли питание на выход через байпас или Преобразователь постоянного тока в постоянный.
В в режиме байпаса напряжение бортовой сети не подается через DC/DC преобразователь, вернее передается непосредственно на выходы. в бустерная фаза, напряжение автомобиля адаптируется.
Принцип работы

В режим ISG, если питание аудиосистемы выключается по просадке во время работы функции «Автозапуск» или «Запуск на холостом ходу», замените Преобразователь постоянного тока в постоянный.
Компоненты и расположение компонентов
Расположение компонента

1. Преобразователь постоянного тока в постоянный


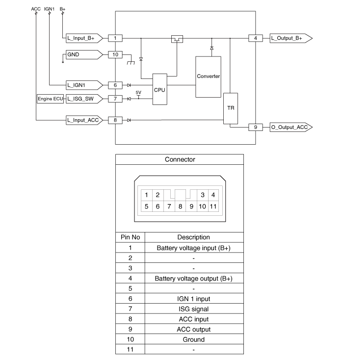
Принципиальные диаграммы
Принципиальная электрическая схема

Процедуры ремонта
Удаление
1.
Выключите зажигание и отсоедините отрицательную (-) клемму аккумуляторной батареи.
2.
Снимите нижнюю панель аварийной подушки.
(См. Кузов (внутри и снаружи) — «Нижняя панель аварийной площадки»)
3.
Отсоедините разъем преобразователя постоянного тока в постоянный (А).
4.
Снимите преобразователь постоянного/постоянного тока (В) после удаления гайки и винта.
Установочная гайка преобразователя постоянного тока в постоянный:
4,0–6,0 Н·м (0,4–0,6 кгс·м, 3,0–4,4 фунт-фут)

Монтаж
После повторное подключение отрицательного кабеля аккумулятора, функция ISG не работает пока система не стабилизируется, около 4 часов. Если отсоединить отрицательный (-) кабель аккумулятора от аккумулятора во время ремонтных работ для автомобиль, оснащенный функцией AMS, повторная калибровка датчика аккумулятора Процедуру следует выполнять после окончания ремонтных работ.
1.
Установите в порядке, обратном снятию.
АГМ аккумулятор
Технические характеристики Спецификация ▷ AGM50L-DIN Элемент Спецификация Емкость [20HR / 5HR] (AH) 50/40 Сила тока при холодном пуске ( ...
Выключатель ISG
Компоненты и расположение компонентов Компоненты 1. Выключатель ISG Описание и работа Описание Выключатель ISG OFF на напольной консоли можно использовать для деактивации IS ...
Дополнительная информация:

Kia Picanto JA 2017-2023 Руководство по эксплуатации: Функция сопровождения фарами


Фары (и/или задние фонари) будут оставаться включенным примерно 5 минут после извлечения ключа зажигания, когда двигатель выключен. Однако, если дверь водителя открывается и закрывается, фары выключаются после 15 секунд. Фары можно выключить, прес ...

Руководство по ремонту и обслуживанию Kia Picanto JA 2017-2023: датчик скорости заднего колеса


Процедуры ремонта Удаление 1. Снимите шину колеса (А). Момент затяжки: 107,9–127,5 Н·м (11,0–13,0 кгс·м, 79,6–94,0 фунт·фут) 2. Снимите боковую обшивку багажника. (См. Кузов — «Боковая отделка багажника») 3. Отсоедините разъем датчика скорости заднего колеса...