Kia Picanto: Система ISG (Idle Stop & Go) / Генератор

Руководство по ремонту и обслуживанию Kia Picanto JA 2017-2023 гг. / Управление двигателем/топливная система / Система ISG (Idle Stop & Go) / Генератор

Технические характеристики
Спецификация
▷ 13,5 В, 130 А [только ISG]
Элемент
Спецификация
Номинальное напряжение
13,5 В, 130 А
Скорость в использовании
1000–18 000 об/мин
Регулятор напряжения
IC регулятор встроенного типа
Регулятор типа интерфейса ECM
LIN-связь
Напряжение настройки регулятора (внутренний режим)
14,5 ± 0,3 В
Соединитель
1 контакт (COM)
Тип шкива
ОАП

OAP: Обгонный шкив генератора
Компоненты и расположение компонентов
Компонент

1. Шкив
2. Передний кронштейн
3. Передний подшипник
4. Статор
5. Ротор
6. Задний подшипник
7. Задний кронштейн
8. Сборка держателя щетки
9. Сквозной болт
10. Выпрямитель в сборе
11. Задняя крышка

Описание и работа
Описание
Генератор переменного тока имеет восемь встроенных диодов, каждый из которых преобразует переменный ток в постоянный.
Поэтому на клемме «В» генератора появляется постоянный ток.
Кроме того, зарядное напряжение этого генератора регулируется системой определения напряжения аккумуляторной батареи.
Основными компонентами генератора являются ротор, статор, выпрямитель, конденсаторные щетки, подшипники и шкив поликлинового ремня.
Щеткодержатель содержит встроенный электронный регулятор напряжения.

1. Кисть
2. OAP: обгонный шкив генератора
3. Ротор
4. Статор
5. Выпрямитель

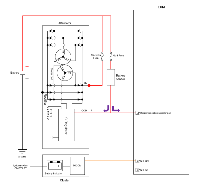
Принципиальные диаграммы
Принципиальная электрическая схема

Сигнал COM - При управлении генерируемым напряжением ECM отправляет данные о целевом напряжении на генератор через ШИМ. сигнал. (Высокое напряжение: 4 В или выше, низкое напряжение: 2 В или ниже)
Клемма B+ - Выходное напряжение от генератора передается на аккумулятор через клемму B+.
Процедуры ремонта
Удаление
1.
Выключите зажигание и отсоедините отрицательную (-) клемму аккумуляторной батареи.
2.
Снимите воздухоочиститель.
(См. Механическая система двигателя — «Воздушный фильтр»)
3.
Отсоедините разъем генератора (А) и кабель генератора «В» (В) от клеммы.
Момент затяжки :
13,7–17,7 Н·м (1,4–1,8 кгс·м, 10,1–13,0 фунт·фут)

4.
Снимите приводной ремень.
(См. Механическая система двигателя — «Приводной ремень»)
5.
Снимите впускной коллектор.
(См. Механическая система двигателя — «Впускной коллектор»)
6.
Снимите болты крепления генератора (А).
Момент затяжки :
Верхний болт крепления генератора:
29,4–41,2 Н·м (3,0–4,2 кгс·м, 21,7–30,4 фунт·фут)
Болт нижнего крепления генератора:
21,6–32,4 Н·м (2,2–3,3 кгс·м, 15,9–23,8 фунт-фут)

7.
Снимите генератор (А).

Монтаж
1.
Установите в порядке, обратном снятию.
2.
После установки отрегулируйте натяжение ремня генератора.
(См. Механическая система двигателя — «Приводной ремень»)
3.
Установите генератор.
Разборка
1.
Снимите заднюю крышку (А).

2.
Снимите узел регулятора (А) после ослабления крепежных болтов.
При снятии будьте осторожны, чтобы не повредить другие детали.

3.
Снимите крышку OAP (A).

При установке замените новым колпачком OAP.
4.
Используя SST (09373-27000), снимите шкив OAP (A).

5.
Снимите узел выпрямителя (А) после отсоединения проводов статора.

6.
Ослабьте сквозные болты (А).

7.
Отсоедините ротор (А) и корпус (В).

Сборка
1.
Соберите в порядке, обратном разборке.
При повторной сборке шкива OAP замените его новой крышкой OAP.
осмотр
[Ротор]
1.
Проверьте целостность контактных колец (С).

2.
Убедитесь в отсутствии непрерывности между контактными кольцами и ротором (В) или валом ротора (А).
3.
Если ротор не проходит проверку на непрерывность, замените генератор.
[Статор]
1.
Проверьте непрерывность между каждой парой проводов (A).

2.
Убедитесь в отсутствии непрерывности между каждым выводом и сердечником катушки.
3.
Если катушка не проходит проверку на непрерывность, замените генератор.
Выключатель ISG
Компоненты и расположение компонентов Компоненты 1. Выключатель ISG Описание и работа Описание Выключатель ISG OFF на напольной консоли можно использовать для деактивации IS ...
Стартер
Технические характеристики Спецификация ▷12 В, 1,2 кВт: только ISG Элемент Спецификация Номинальное напряжение 12 В, 1,2 кВт Количество выводов ...
Дополнительная информация:

Руководство по ремонту и обслуживанию Kia Picanto JA 2017-2023: Delta Garnish


Процедуры ремонта Замена Наденьте перчатки, чтобы защитить руки. • Используйте инструмент для снятия пластиковой панели, чтобы удалить детали внутренней отделки, не повредив поверхность. • Следите за тем, чтобы не согнуть...

Руководство по ремонту и обслуживанию Kia Picanto JA 2017-2023: Многофункциональный переключатель


Технические характеристики Технические характеристики Предметы Технические характеристики Номинальное напряжение 12 В пост. тока Диапазон рабочих температур от -22 до 176 °F (от -30 до 80 °C) Номинальная нагрузка Шайба Шайба: 6 А (нагрузка двигателя) Компоненты и расположение компонентов Соединить ...