Kia Cee'd: Электроусилитель руля / Принципиальные схемы

Схематические диаграммы
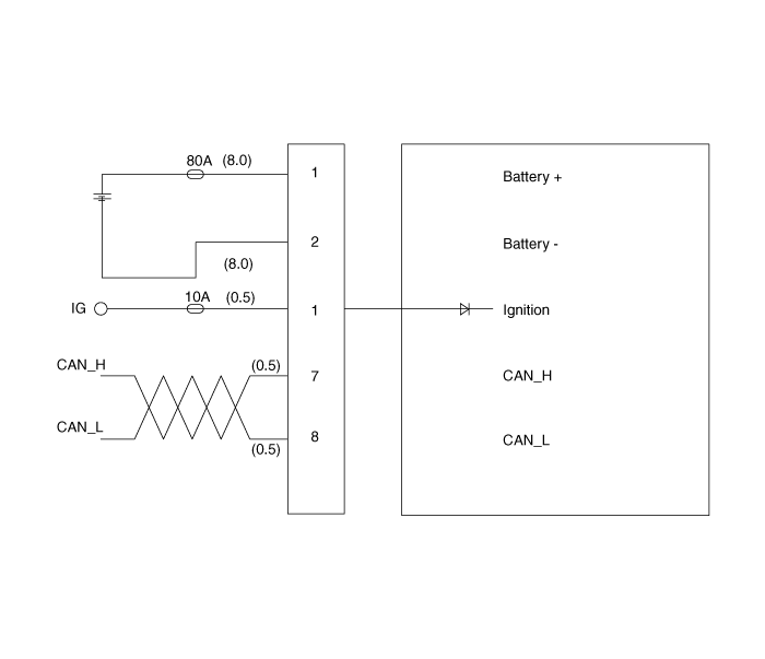
Принципиальная схема МДПС

Соединитель жгута

Соединитель
Номер контакта
Имя контакта
Батарея
1
Батарея +
2
Батарея -
Сигнал автомобиля
1
Зажигание
2
-
3
-
4
-
5
-
6
-
7
CAN_High
8
CAN_Низкий

Компоненты и расположение компонентов
Компоненты 1. Рулевое управление вал колонны 2. ЭБУ 3. Мотор 4. Рулевой редуктор ...
Процедуры ремонта
Общий осмотр После или перед обслуживанием системы EPS выполните поиск и устранение неисправностей и проверьте процедура следующая. Сравните состояние системы с нормальным состоянием в ...
Дополнительная информация:

Руководство по эксплуатации Kia Cee'd JD: Обогрев
1. Установите режим в положение. 2. Установите регулятор забора воздуха наружу. (свежий) воздух позиции. 3. Установите регулятор температуры на желаемая должность. 4. Установите регулятор скорости вентилятора на желаемая скорость. 5. Если требуется отопление с осушением, поверните система кондиционирования включена. • ...

Руководство по эксплуатации Ford Escape 2020-2023: Увеличение продолжительности дистанционного запуска. Дистанционный запуск Индикаторы дистанционного управления
Увеличение продолжительности удаленного запуска Чтобы увеличить продолжительность дистанционного запуска во время удаленный запуск, выполните следующие действия: Нажмите кнопку на пульте контроль. В течение трех секунд нажмите кнопку кнопку на пульте дистанционного управления. В течение трех секунд нажмите кнопку кнопку еще раз. Если продолжительность установлена ​​на 15 минут...

avtotema.org