Kia Cee'd: Схемы системы зарядки / генератора переменного тока

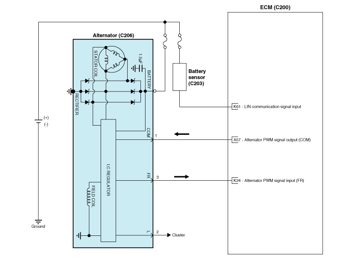
Принципиальная электрическая схема

Компоненты генератора и расположение компонентов
Компоненты 1. ОАД (обгонная развязка генератора) 2. Передний кронштейн 3. Передний подшипник 4. Статор 5. Ротор 6. Задний подшипник 7. Задний ...
Процедуры ремонта генератора
Удаление 1. Отсоедините отрицательную клемму аккумуляторной батареи. 2. Ослабьте крепежные болты (А), а затем поверните регулировочный болт (В). по часовой стрелке...
Дополнительная информация:

Руководство по обслуживанию Kia Cee'd JD: Процедуры ремонта модуля боковой подушки безопасности (SAB)
Удаление Боковая подушка безопасности не может быть снята со спинки сиденья в сборе, поэтому замените сборку при замене боковой подушки безопасности. 1. Отсоедините отрицательный кабель аккумулятора и подождите...

Руководство по обслуживанию Kia Cee'd JD: Процедуры ремонта блока реле ICM (модуля интегральной схемы)
осмотр 1. ICM (модуль интегральной схемы) можно диагностировать с помощью GDS. быстрее. BCM связывается с GDS, а затем считывает значение реле и приводит в движение исполнительный механизм. 2. Для диагностики реле ICM...

avtotema.org