Kia Stonic: Intelligentes Schlüsselsystem / Smart Key-Einheit

Ремонт Kia Stonic (YB) / Elektrisch verchromter Innenrückspiegel / Intelligentes Schlüsselsystem / Smart Key-Einheit

Bauteile und bauteile-Übersicht
BAUTEILE-ÜBERSICHT

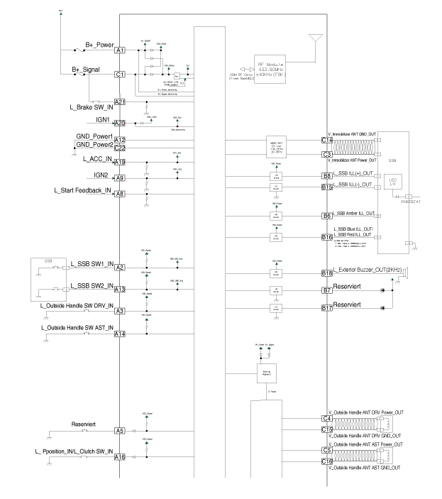
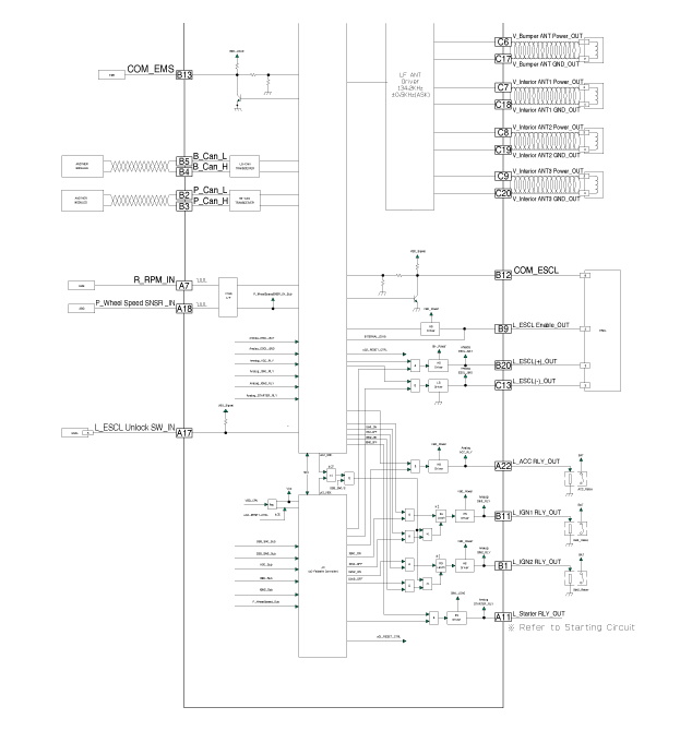
БЕЛЕГУНГ ДЕР ШТЕКЕРКЛЕММЕН

номер
ШТЕКЕР А
ШТЕКЕР Б
ШТЕКЕР С
1
-
ZÜNDUNG 2-Relaisausgang
Батарея (+)_сигнал
2
Переключатель SSB1 signal_input
P-CAN (низкий)
-
3
внешняя ручка двери водителя switch_input
P-CAN (высокий)
Антенна иммобилайзера (питание)_выход
4
-
C-CAN [высокий]
Антенна на внешней ручке водителя (питание)_выход
5
-
C-CAN [Низкий]
Антенна на внешней ручке пассажира (питание)_выход
6
-
SSB Янтарная подсветка_выход
Бамперная антенна (мощность)_выход
7
сигнал RPM_input
-
Внутренняя антенна 1 (питание)_выход
8
Сигнал запуска Feedback_input
Подсветка SSB (-)_выход
Внутренняя антенна 2 (питание)_выход
9
IGN2
Ausgangssignal ESCL aktivieren
Внутренняя антенна 3 (питание)_выход
10
-
Батарея (+) (стром)
-
11
Ausgangssignal Starterrelais
ZÜNDUNG 1-Relaisausgang
-
12
Masse_Strom1
ESCL (COM)
-
13
Переключатель SSB2 signal_input
Скорая помощь (COM)
ESCL_Ground (-)_output
14
Вспомогательная дверная ручка снаружи switch_input
-
Антенна иммобилайзера (земля)_выход
15
-
Подсветка SSB (-)_выход
Антенна на внешней ручке водителя (заземление)_выход
16
AT: "P" Positon_input
MT : Сцепление switch_input
Подсветка SSB (синяя)_выход
Подсветка SSB (красная)_выход
Антенна на внешней ручке пассажира (заземление)_выход
17
Разблокировка ESCL switch_input
-
Бамперная антенна (земля)_выход
18
Radrehzahlsensoreingang
Внешний зуммер_выход
Внутренняя антенна 1 (земля)_выход
19
ACC signal_input
-
Внутренняя антенна 2 (земля)_выход
20
IGN1
ESCL (-)_output
Внутренняя антенна 3 (земля)_выход
21
Эйнганг Бремшальтер

-
22
Klimaanlagen-Relaisausgang
Masse_Strom2

Schematische darstellungen
Шальтплан

Репаратурверфарен
Аусбау

Handschuhe tragen, um Handverletzungen zu vermeiden.

Mit einem Ausbauwerkzeug für Kunststoffverkleidungen einige Teile der Innenverkleidung entfernen, ohne dabei die Oberfläche zu zerkratzen.

Verkleidung und Bleche nicht beschädigen.

Smart Key-Einheit

1.

Аккумуляторная батарея.

2.

Handschuhfach ausbauen.

(Siehe Karosserie - "Handschuhfach")

3.

Steckverbinder (A) abziehen, dann Smartkey-Einheit (B) ausbauen.

4.

Befestigungsmuttern lösen, dann Smartkey-Einheit (A) ausbauen.

Инненраум 1 Антенна

1.

Аккумуляторная батарея.

2.

Heizungs- und Klimaanlagensteuergerät ausbauen.

(siehe Heizung, Lüftung, Klimaanlage - "Heizungs- und Klimaanlagen-Steuergerät (МАНУЭЛЬ))

(Siehe Heizung, Lüftung und Klimaanlage - "Heizungs- und Klimaanlagen-Steuergerät (ФАТЦ)")

3.

Befestigungsschrauben lösen und Steckverbinder (B) abziehen, dann Innenantenne 1 (А) аусбауен.

Инненраум 2 Антенна

1.

Аккумуляторная батарея.

2.

Bodenkonsole ausbauen.

(Siehe Karosserie - "Bodenkonsoleneinheit")

3.

Steckverbinder (A) der Innenraumantenne 2 abziehen.

4.

Befestigungsschrauben lösen, dann die Innenantenne 2 (A) ausbauen.

Хекклаппенантенн

1.

Аккумуляторная батарея.

2.

Diehintere Querverkleidung herausnehmen.

(Siehe Karosserie - "Heckquerträgerverkleidung")

3.

Befestigungsmuttern lösen und Steckverbinder (B) abziehen, dann Heckklappenantenne (А) энтфернен.

Hintere Stoßfängerantenne

1.

Аккумуляторная батарея.

2.

Denhinteren Stoßfänger ausbauen.

(Siehe Karosserie - "Hinterer Stoßfänger")

3.

Befestigungsschrauben lösen und Steckverbinder (B) abziehen, dannhintere Stoßfängerantenne (A) entfernen.

ПРЕДУПРЕЖДЕНИЕ

1.

Аккумуляторная батарея.

2.

Die Vordere Stoßstange ausbauen.

(Siehe Karosserie - "Vorderer Stoßfänger")

3.

Nach Abziehen des Steckverbinders den Summer (A) ausbauen.

Тюраусенгрифф

1.

Аккумуляторная батарея.

2.

Außentürgriff ausbauen.

(Siehe Karosserie - "Vordertür-Außengriff")

Шальтер Хекклаппе обидеть

1.

Аккумуляторная батарея.

2.

Heckklappenverkleidung abbauen.

(Siehe Karosserie - "Heckklappenverkleidung")

3.

Steckverbinder (A) des Schalters zum Öffnen der Heckklappe abziehen.

4.

Heckklappen-Öffnungsschalter (A) durch Drücken der Sicherheitsstifte энфернен.

ПРЮФУНГ

Smart Key-Einheit

(Siehe Smartkey-System - «Smartkey-Диагностика»)

Смарт-ключ Шальтер

(Siehe Smartkey-System - «Smartkey-Диагностика»)

АНТЕННА

(Siehe Smartkey-System - «Smartkey-Диагностика»)

Тюраусенгрифф

1.

Steckverbinder des Vordertür-Außengriffs (A) abziehen.

2.

Цвишен ден Клеммен Nr. 2 и №. 4 на Durchgang prüfen.

номер
Beschreibung
1
Антенна 1 Тюр
2
Türver-/entriegelungstaste 1
3
Антенна 2 Тюр
4
Türver-/entriegelungstaste 2

Шальтер Хекклаппе обидеть

1.

Zwischen den Klemmen des Heckklappen-Öffnungsschalters auf Durchgang prüfen.

2.

Wenn die Durchgangsmessung nicht der Spezifikation entspricht, den Schalter Überprüfen..

Эйнбау

Smart Key-Einheit

1.

Steckverbinder anschließen, dann Smartkey-Einheit einbauen.

2.

Handschuhfach einbauen.

3.

Minuspol (-) der Batterie anschließen und Smart-Key-System prüfen.

Инненраум 1 Антенна

1.

Инненраум 1 Антенна Эйнбауен.

2.

Heizungs- und Klimaanlagensteuerung einbauen.

3.

Minuspol (-) der Batterie anschließen und Smart-Key-System prüfen.

Инненраум 2 Антенна

1.

Инненраум 2 Антенна Эйнбауен.

2.

Bodenkonsole einbauen.

3.

Minuspol (-) der Batterie anschließen und Smart-Key-System prüfen.

Хекклаппенантенн

1.

Heckklappenantenne installieren.

2.

Querträgerverkleidung im Kofferraum anbringen.

3.

Minuspol (-) der Batterie anschließen und Smart-Key-System prüfen.

Hintere Stoßfängerantenne

1.

Hintere Stoßfängerantenne einbauen.

2.

Hinteren Stoßfänger montieren.

3.

Minuspol (-) der Batterie anschließen und Smart-Key-System prüfen.

ПРЕДУПРЕЖДЕНИЕ

1.

Летний айнбауэн.

2.

Vorderen Stoßfänger einbauen.

3.

Minuspol (-) der Batterie anschließen und Smart-Key-System prüfen.

Тюраусенгрифф

1.

Vordertüraußengriff einbauen.

2.

Minuspol (-) der Batterie anschließen und Smart-Key-System prüfen.

Шальтер Хекклаппе обидеть

1.

Heckklappe Kontaktschalter einbauen.

2.

Steckverbinder des Heckklappen-Öffnungsschalters anschließen.

3.

Heckklappenverkleidung einbauen.

4.

Minuspol (-) der Batterie anschließen und Smart-Key-System prüfen.

Смарт-ключ
Репаратурверфарен Смарт-ключ Speichern des Smart-Key-Codes 1. Das KDS an den Diagnosestecker (16P) под Armaturenbrettabdeckung auf der Fahrerseite anschließen ...
Смарт-ключ-диагностика
Репаратурверфарен ПРЮФУНГ Самостоятельная диагностика мит dem Scan-Tool Mit dem KDS können Defekte am SMART KEY-System schnell erkannt werden. Дас КДС kann den Stellantrieb mit Gewalt betäti ...
Дополнительная информация:

Kia Stonic (YB) Reparaturanleitung: Trocknerflasche


Репаратурверфарен AUS- И EINBAU 1. Конденсатор абнемен. 2. Kappe (B) am Boden des Kondensators mit einem L-Schlüssel (A) entfernen. Anzugsdrehmoment: 2,7 ~ 3,2 Нм (0,28 ~ 0,33 кгм) ...