Kia Stonic: задний стеклоочиститель/омыватель/двигатель заднего стеклоочистителя

Руководство по ремонту Kia Stonic (YB) / Хромированное внутреннее зеркало заднего вида с электроприводом / Система стеклоочистителя/омывателя заднего стекла / Мотор заднего стеклоочистителя

процедуры ремонта
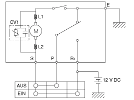
ТЕСТ

МОТОР ЗАДНЕГО СТЕКЛООЧИСТИТЕЛЯ

1.

Отсоедините разъем кабеля от электродвигателя заднего стеклоочистителя.

2.

Положительный (+) кабель аккумулятора к клемме 4 и отрицательный (-) кабель аккумулятора подключиться к терминалу 3.

3.

Проверьте, правильно ли работает мотор стеклоочистителя. В случае ненормальной работы заменить мотор омывателя.

Нет.
Описание
1
батарея (+)
2
Парк
3
Размеры
4
сигнал переключения (+)

АВТОМАТИЧЕСКИЙ КОНЦЕВОЙ ВЫКЛЮЧАТЕЛЬ ТЕСТ

1.

Включите двигатель стеклоочистителя с помощью переключателя стеклоочистителя и на низкой скорости. пусть бежит.

2.

мотор стеклоочистителя в любом положении, кроме положения покоя Прекратите отсоединять разъем двигателя.

3.

Подключите напряжение аккумуляторной батареи (+) к клемме 1, а массу аккумуляторной батареи (-) к клемме 3.

4.

Соедините клеммы двигателя №2 и №4.

5.

Убедитесь, что двигатель стеклоочистителя продолжает работать в режиме холостого хода.

Обследование (с KDS)
1.

Неисправные электрические компоненты кузова можно быстро определить с помощью диагностической системы автомобиля. (КДС).

Система диагностики (KDS) предоставляет следующие данные.

(1)

Самодиагностика: проверьте дефект и кодовый номер (DTC).

(2)

Текущие данные: проверьте состояние системных входных/выходных данных.

(3)

Проверка исполнительного механизма: проверьте рабочее состояние системы.

(4)

Дополнительные функции: управление другими функциями, включая Настройки системных опций и регулировка нулевой точки

2.

Выберите «Модель автомобиля» и «Модуль управления кузовом (BCM)», чтобы выбрать автомобиль. проверить тестером.

3.

Выберите меню «Текущие данные», чтобы увидеть текущий статус входных/выходных данных. искать.

расширение

В разделе "Комбинация приборов - Меню настроек пользователя (USM)" установите, что задние дворники будут работать автоматически во время работы задняя передача включается при включенных дворниках.

1.

Снимите крышку заднего стеклоочистителя (А).

2.

Ослабьте крепежную гайку, затем рычаг заднего стеклоочистителя и щетку стеклоочистителя. (А) удалить.

3.

Откройте заднюю дверь и снимите обшивку задней двери.

(См. Кузов — «Отделка задней двери»)

4.

Отсоедините разъем электродвигателя заднего стеклоочистителя (А).

5.

Ослабьте крепежные винты и снимите мотор заднего стеклоочистителя (А).

монтаж
1.

Установите электродвигатель стеклоочистителя заднего стекла.

Момент затяжки гайки:

6,9–10,8 Нм (0,7–1,1 кгм)

2.

Установить обшивку задней двери.

3.

Установите крышку заднего стеклоочистителя и рычаг заднего стеклоочистителя.

Момент затяжки (гайка):

3,9–6,9 Н·м (0,4–0,7 кгм)

4.

Отрегулируйте щетку заднего стеклоочистителя по самому нижнему проводу обогревателя заднего стекла заднего стекла.

Система стеклоочистителя/омывателя заднего стекла
Компоненты и обзор компонентов ОБЗОР КОМПОНЕНТОВ 1 . Рычаг стеклоочистителя заднего стекла и Щетка стеклоочистителя 2 . Гайка рычага заднего стеклоочистителя 3. Дверца заднего стеклоочистителя...
Выключатель омывателя заднего стекла
процедуры ремонта ТЕСТ Проверка комбинированного переключателя 1. В каждом положении переключателя между клеммами, как показано ниже проверить непрерывность. ...
Дополнительная информация:

Kia Stonic (YB) Руководство пользователя: График обслуживания тяжелых условий эксплуатации — для дизельного двигателя [Кроме Европа (включая Россия)]


ТИП ОБСЛУЖИВАНИЯ I: Проверить и при необходимости отрегулировать, исправить, очистить или заменить. Р: Заменить или изменить. ТЯЖЕЛЫЕ УСЛОВИЯ ЭКСПЛУАТАЦИИ A: Многократное вождение на короткие расстояния менее 8 км при нормальной температуре. или менее 10 миль в мороз. B: Чрезмерная работа двигателя на холостом ходу или...