Kia Stonic: система ISG (Idle Shutdown & Go) / стартер

Руководство по ремонту Kia Stonic (YB) / Управление двигателем/топливная система / Система ISG (выключение и переход в режим ожидания) / Стартер

Спецификации
СПЕЦИФИКАЦИЯ

▷12 В, 1,2 кВт: только ISG

позиция
СПЕЦИФИКАЦИЯ
номинальное напряжение
12 В, 1,2 кВт
Количество зубьев шестерни
13
Производительность
[Без нагрузки, 11,5 В]
усилитель
Макс 117А
СКОРОСТЬ
не менее 3200 об/мин

▷12 В, 0,9 кВт: БЕЗ ISG

позиция
СПЕЦИФИКАЦИЯ
номинальное напряжение
12 В, 0,9 кВт
Количество зубьев шестерни
11
Производительность
[Без нагрузки, 11,5 В]
усилитель
Макс 85А
СКОРОСТЬ
Минимум 3300 об/мин

Компоненты и обзор компонентов
ОБЗОР КОМПОНЕНТОВ

1. Спереди Корпус
2. Стопорное кольцо
3-я остановка
4. Обгонная муфта
5. зубчатый венец
6. Планетарный вал
7. Планетарная передача
8. Прокладка
9. Экранирование
10. Рычажная пластина
11. Рычажная манжета
12. Рычаг
13. Магнитный переключатель
14. Якорь
15. Вилка
16. Щеткодержатель
17. Длинный винт

описание и работа
Описание

Пусковая система состоит из аккумулятора, стартера, магнето, зажигания и выключателя блокировки. (A/T), переключатель педали сцепления (M/T), переключатель ключа зажигания, соединительные кабели и кабель аккумулятора.

Электричество течет, когда ключ зажигания повернут в положение «ПУСК» ток и подает питание на электромагнитную катушку стартера.

Когда питание включено, включение якоря и рычага сцепления активирована, шестерня сцепления входит в зацепление с зубчатым венцом и замыкает Контакты и стартер вращается.

Во избежание повреждения якоря из-за недопустимых скоростей при пуске Установлена ​​односторонняя муфта, предотвращающая пробуксовку двигателя.

При наличии функции ISG стартеру приходится выполнять значительно больше работы. предоставлять. Таким образом, стартер доступен для значительно большего количества пусковых циклов. настроен. Компоненты стартера адаптированы к более высоким требованиям.

1. Электромагнитный клапан
2. кисть
3. Якорь
4. Обгонная муфта

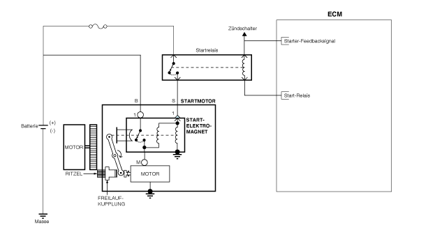
Схематические изображения
принципиальная электрическая схема

процедуры ремонта
расширение
1.

Выключите зажигание и отсоедините отрицательную (-) клемму аккумуляторной батареи.

2.

Выньте воздушный фильтр.

(см. главу механика двигателя - "Воздушный фильтр")

3.

Снимите батарею.

(См. главу EE — «Аккумулятор»)

4.

Отсоедините провод от клеммы «В» (А) генератора.

5.

Снимите стопорную гайку зажима магнита стартера «В», затем трос стартера. (B) и разъем ST (A).

Гайка крепления пускового магнита "В":

9,8~11,8 Нм (1,0~1,2 кгм)

6.

Снимите верхний крепежный винт стартера (А).

Винт крепления стартера:

42,2~53,9 Нм (4,3~5,5 кгм)

7.

поднять транспортное средство.

8-й.

Ослабьте крепежные винты, затем снимите нижнюю крышку моторного отсека (А).

9.

Снимите приводной ремень.

10

Отсоедините разъем выключателя давления масла (А).

11.

Отсоедините разъем компрессора, а затем, ослабив крепежные винты увеличьте зазор между компрессором (А) и двигателем, чтобы разместить стартер расширять

12.

Снимите нижний крепежный винт стартера (А).

Винт крепления стартера:

42,2~53,9 Нм (4,3~5,5 кгм)

монтаж
1.

Установка производится в порядке, обратном снятию.

сборка
1.

Сборка производится в порядке, обратном разборке.

ТЕСТ
ПРОВЕРЬТЕ И ПРОВЕРЬТЕ АНКЕР
1.

Снимите стартер.

2.

Разберите стартер, как описано ранее в этом разделе.

3.

Якорь на предмет износа или повреждения в результате контакта с постоянным магнитом тест. Если анкер изношен или поврежден, замените анкер.

4.

Проверьте поверхность коллектора. Если поверхность загрязнена или обожжена чистовая обработка на токарном станке в соответствии со следующими спецификациями переделывать.

5.

Проверьте внешний диаметр коллектора. Если диаметр является спецификацией опускается ниже, замените якорь.

диаметр коллектора

Значение по умолчанию (новый компонент): 33,0 мм.

Предел износа: 32,4 мм

6.

Измерьте биение коллектора (A).

Если биение коллектора находится в пределах спецификации, Коллектор нагара или медных опилок между проверьте сегменты.

Если удар коллектора превышает предел, якорь заменять.

удар коллектора

Стандартное значение (новый компонент): не более 0,02 мм

Предел износа: 0,05 мм

7.

Измерьте глубину разреза (А) между сегментами. Если нет глубины разреза присутствует (B), но выступает, сделайте надрезы подходящей пилой доработка на заданную глубину. Депозиты (C) из всех надрезов удаленный. Разрезы не должны быть пухлыми и не слишком узкими. не иметь V-образной формы (D).

Глубина разреза коллектора

Значение по умолчанию (новый компонент): 0,5 мм.

Предел: 0,2 мм

8-й.

Проверьте непрерывность между сегментами коммутатора. если между любые сегменты сломаны, замените якорь.

9.

С помощью омметра проверьте, что между коллектором (А) и обмотка якоря (B) отсутствует непрерывность. Также проверьте, что между коллектор (А) и вал якоря (С) неразрывны. Если проход присутствует, замените якорь.

ПРОВЕРЬТЕ СТАРТЕРНУЮ ЩЕТКУ

Изношенные или замасленные щетки необходимо заменить

Чтобы отшлифовать новые щетки, используйте наждачную бумагу с зернистостью 500 или 600. использовать. Наждачная бумага с поверхностью трения наружу между коллектором и Вставьте щетки и осторожно поверните якорь. Контактные поверхности Это шлифует щетки, чтобы они соответствовали контуру коллектора.

СТАРТЕР ЩЕТОДЕРЖАТЕЛЬ ТЕСТ

1.

Убедитесь, что между щеткодержателем (A) и (+) и пластина (B) (-). Если есть непрерывность, щеткодержатель заменять.

Используйте подходящую трубку (C), чтобы щетки не падали. щеткодержатель можно снять.

ПРОВЕРЬТЕ ОБгонную муфту

1.

Сдвиньте обгонную муфту вдоль вала.

Замените, если деталь не скользит плавно.

2.

Поверните обгонную муфту в обоих направлениях.

Убедитесь, что он блокирует в одном направлении и в другом плавно вращается. Закрывает их ни в одном, ни в обоих направлениях, что Замените обгонную муфту.

3.

Если ведущая шестерня стартера изношена или повреждена, обгонная муфта должна быть быть заменен. (Снаряжение отдельно не продается.)

Проверьте состояние маховика или зубчатого венца гидротрансформатора, если ведущая шестерня повреждена.

ОЧИСТКА
1.

Не погружайте детали в растворитель.

Если статор и/или якорь погружены в чистящий раствор, изоляция будет повреждена. Протирайте эти компоненты только тряпкой.

2.

Не погружайте привод в чистящий раствор.

Обгонная муфта смазывается на заводе, чистящий раствор смыл бы смазку с обгонной муфты.

3.

Привод можно чистить щеткой, смоченной в чистящем растворе. очистить, а затем высушить тканью.

генератор переменного тока
Спецификации СПЕЦИФИКАЦИЯ ▷ 13,5 В, 130 А [только ISG] позиция СПЕЦИФИКАЦИЯ номинальное напряжение 13,5 В, 130 А скорость я...
тормозной выключатель
Компоненты и обзор компонентов ОБЗОР КОМПОНЕНТОВ 1. Кронштейн педали тормоза 2. Выключатель стоп-сигнала 3. Рычаг педали тормоза Схематические изображения ...
Дополнительная информация:

Руководство по эксплуатации Kia Stonic (YB): Хладагент и Проверить количество компрессорного масла


Если заправка хладагента слишком низкая есть, производительность кондиционера уменьшенный. Переполненность системы влияет на систему кондиционирования также отрицательный. Если обнаружены неисправности поэтому не прикрепляйте проверено специализированной мастерской. ...