Kia Stonic: Тормозная система/ABS (антиблокировочная система тормозов)

Руководство по ремонту Kia Stonic (YB) / система торможения / ABS (антиблокировочная система тормозов)

Компоненты и обзор компонентов
ОБЗОР КОМПОНЕНТОВ

1. Блок управления АБС
2. Датчик скорости переднего колеса
3. Датчик скорости заднего колеса

описание и работа
Описание

Эта спецификация относится к гидравлическому блоку управления (HCU) и к электронный блок управления (ЭБУ) гидросистемы и электронный блок управления (НЕКУ)

Эта спецификация относится к проводке, а также к установке ЭБУ АБС.

Этот блок имеет следующие функции.

Запись сигналов скорости вращения колес с помощью датчиков скорости вращения колес, крепится на все 4 колеса.

контроль тормозного усилия

функция безопасности.

самодиагностика

Интерфейс для подключения внешнего диагностического устройства.

Место установки: моторный отсек

Длина тормозной магистрали от отверстия в главном цилиндре до Входное отверстие HECU должно быть не более 1 м.

Он не должен находиться рядом или под блоком двигателя. колесо.

КАК ЭТО РАБОТАЕТ

ЭБУ должен начать работать, как только будет включено рабочее напряжение. будет (IGN).

В конце фазы инициализации ЭБУ должен работать.

Во время работы ЭБУ должен находиться в заданных пределах (напряжение и температуры), чтобы иметь возможность видеть разные сигналы от разных Датчики и переключатели в соответствии с алгоритмом управления, используемым Программное обеспечение определено для обработки и гидравлических и электрических контроллеров. контролировать.

Обработка сигнала датчика колеса

ЭБУ должен получать сигнал оборотов от четырех активных датчиков Rdks.

Сигналы колес обрабатываются схемой формирования сигнала после получения сигнала питания. преобразуется активными датчиками колес в сигнал напряжения и используется в качестве входного сигнала отправил MCU.

управление электромагнитным клапаном

Когда одна сторона катушки клапана подключена к положительному напряжению, реле клапана подается подключается, а другая сторона через полупроводниковую цепь на массу, электромагнитный клапан начинает работать.

Электрическая функция катушек становится постоянной при нормальных условиях эксплуатации. проверяется тестовым импульсом клапана.

пределы напряжения

перенапряжение

При обнаружении повышенного напряжения (выше 16,8 В) ЭБУ отключает оба реле клапана и система выключены.

Когда напряжение возвращается в нормальный рабочий диапазон, система возвращается к нормальной работе после фазы инициализации возвращаться.

пониженное напряжение

При пониженном напряжении (ниже 9,3 В) управление АБС блокируется и загорается сигнальная лампа.

Когда напряжение вернется в рабочий диапазон, сигнальная лампа погаснет, и ЭБУ вернется в нормальное состояние. операция назад.

Проверка двигателя насоса

ЭБУ выполняет проверку двигателя насоса на скорости 30 км/ч. через после включения зажигания.

диагностический интерфейс

Ошибки, обнаруженные ЭБУ, шифруются ЭБУ в Сохраняется в EEPROM и считывается диагностическим прибором при включении зажигания. становится.

Диагностический интерфейс можно использовать для проверки ЭБУ в процессе производства. ECU и для приведения в действие HCU (сливной линии или ролика). и линия проверки тормозов).

МОДУЛЬ ПРЕДУПРЕЖДАЮЩЕГО СВЕТА

1.

КОНТРОЛЬНАЯ ЛАМПА АБС

Загорание контрольной лампы ABS также указывает на самопроверку. указывает на неисправность ABS. Контрольная лампа АБС горит:

на этапе инициализации после включения зажигания. (непрерывно в течение 3 секунд).

Когда функция ABS отключена из-за ошибки.

В диагностическом режиме.

Когда разъем ECU отсоединен от ECU.

2.

Контрольная лампа EBD/стояночного тормоза

Активная сигнальная лампа EBD указывает на самопроверку, а также на Состояние ошибки EBD. Однако при включении выключателя стояночного тормоза , сигнальная лампа EBD будет гореть все время независимо от рабочего состояния системы ЭБД. Контрольная лампа EBD горит:

на этапе инициализации после включения зажигания. (непрерывно в течение 3 секунд).

При включенном стояночном тормозе или при низком Уровень тормозной жидкости.

Если функция EBD неисправна.

В диагностическом режиме.

Когда разъем ECU отсоединен от ECU.

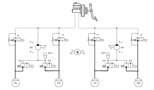
АБС-КОНТРОЛЬ
1.

НОРМАЛЬНОЕ ТОРМОЖЕНИЕ без АБС


Впускной клапан (IV)
выпускной клапан (ОВ)
возвратный насос
КАК ЭТО РАБОТАЕТ
открыть
закрывать
Снаружи

IV: впускной клапан

ОВ: выпускной клапан

RL: левое заднее колесо

FR: правое переднее колесо

FL: левое переднее колесо

RR: правое заднее колесо

РП: возвратный насос

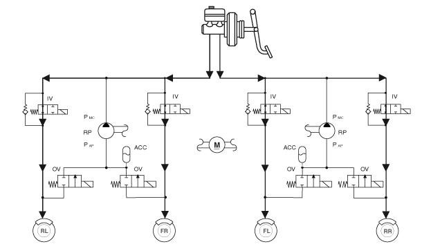
2.

РЕЖИМ ЗАДЕРЖКИ


Впускной клапан (IV)
выпускной клапан (ОВ)
возвратный насос
КАК ЭТО РАБОТАЕТ
закрывать
открыть
ВКЛ (регулировка оборотов двигателя)

IV: впускной клапан

ОВ: выпускной клапан

RL: левое заднее колесо

FR: правое переднее колесо

FL: левое переднее колесо

RR: правое заднее колесо

РП: возвратный насос

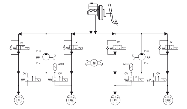
3.

режим удержания


Впускной клапан (IV)
выпускной клапан (ОВ)
возвратный насос
КАК ЭТО РАБОТАЕТ
закрывать
закрывать
ВКЛ (регулировка оборотов двигателя)

IV: впускной клапан

ОВ: выпускной клапан

RL: левое заднее колесо

FR: правое переднее колесо

FL: левое переднее колесо

RR: правое заднее колесо

РП: возвратный насос

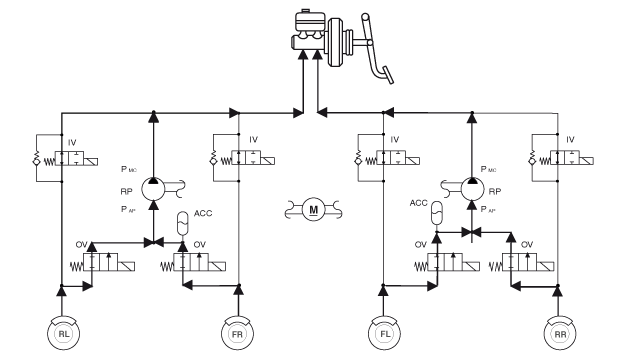
4.

Создайте давление


Впускной клапан (IV)
выпускной клапан (ОВ)
возвратный насос
КАК ЭТО РАБОТАЕТ
открыть
закрывать
ВКЛ (регулировка оборотов двигателя)

IV: впускной клапан

ОВ: выпускной клапан

RL: левое заднее колесо

FR: правое переднее колесо

FL: левое переднее колесо

RR: правое заднее колесо

РП: возвратный насос

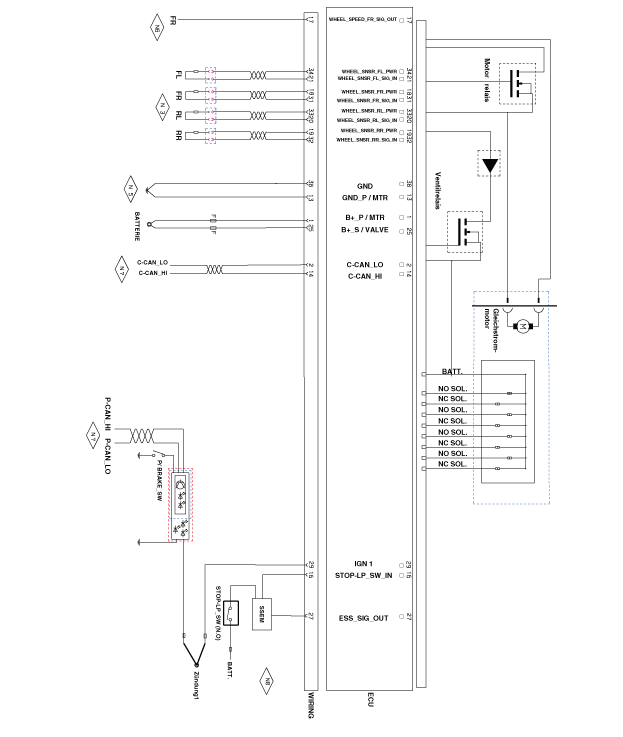
Схематические изображения
принципиальная электрическая схема

ТЕРМИНАЛ ОПИСАНИЕ

ПИН-код
Описание
Электричество
Сопротивление
ЗАМЕЧАНИЕ
(AMPS)
(мОм)
1
B+ ТОК ДВИГАТЕЛЯ НАСОСА
137
10

2
C_CAN НИЗКИЙ
30 мА
250

13
GND_GROUND ДВИГАТЕЛЯ НАСОСА
137
10

14
C_CAN ВЫСОКИЙ
30 мА
250

16
выключатель стоп-сигнала
10 мА
250

17
Датчик скорости колеса (передний правый)
16 мА
250

18
ТЕКУЩИЙ ДАТЧИК СКОРОСТИ КОЛЕСА (FR)
30 мА
250

19
ТЕКУЩИЙ ДАТЧИК СКОРОСТИ КОЛЕСА (RR)
30 мА
250

20
СИГНАЛ ДАТЧИКА СКОРОСТИ НАЗЕМНОГО КОЛЕСА (RL)
16,8 мА
250

21
СИГНАЛ ДАТЧИКА СКОРОСТИ НАЗЕМНОГО КОЛЕСА (FL)
16,8 мА
250

25
АККУМУЛЯТОР (+) МАГНИТ
40
10

27
Сигнал привода ESS
200 мА
250

29
зажигание 1
50 мА
60

31
СИГНАЛ ДАТЧИКА СКОРОСТИ НАЗЕМНОГО КОЛЕСА (FR)
16,8 мА
250

32
СИГНАЛ ДАТЧИКА СКОРОСТИ НАЗЕМНОГО КОЛЕСА (RR)
16,8 мА
250

33
ТЕКУЩИЙ ДАТЧИК СКОРОСТИ КОЛЕСА (RL)
30 мА
250

34
ТЕКУЩИЙ ДАТЧИК СКОРОСТИ КОЛЕСА (FL)
30 мА
250

38
Размеры
40
10


стояночная тормозная система
Компоненты и обзор компонентов ОБЗОР КОМПОНЕНТОВ 1. Рычаг стояночного тормоза 2. Эквалайзеры 3. Трос заднего стояночного тормоза процедуры ремонта ...
Блок управления АБС
Компоненты и обзор компонентов ОБЗОР КОМПОНЕНТОВ 1. Разъем модуля управления АБС 2. Блок управления АБС 3. Крепление АБС процедуры ремонта расширение ...
Дополнительная информация:

Kia Stonic (YB) Руководство по эксплуатации: Предупреждение о парковке сзади


Система предупреждения о парковке сзади предупреждает водитель при движении задним ходом автомобиля по звуковому сигналу, когда объект находится на расстоянии до 120 см позади автомобиля располагается. Ассистент парковки — это просто дополнительная функция. система и предназначена для водителя ни в коем случае...