Kia Stinger: система зарядки / генератор

Kia Stinger CK 2018-2023 Руководство по ремонту / Электрическая система двигателя / Система зарядки / Генератор

Технические характеристики
Спецификация

▷ 13,5 В, 150 А

Элемент
Спецификация
Номинальное напряжение
13,5 В, 150 А
Скорость в использовании
0–18 000 об/мин
Приколоть
1
Регулятор напряжения
IC регулятор встроенного типа
Регулируемое напряжение по умолчанию (В) [клемма COM]
14,39–15,43 [-35°C(31°F)]
14,15–14,95 [25°C (77°F)]
13,23–14,49 [140°C (284°F)]
Тип шкива
ОАП

Описание и работа
Описание

Генератор переменного тока имеет восемь встроенных диодов, каждый из которых преобразует переменный ток в постоянный.

Поэтому на клемме «В» генератора появляется постоянный ток.

Кроме того, зарядное напряжение этого генератора регулируется аккумуляторной батареей. система определения напряжения.

Генератор регулируется системой определения напряжения аккумуляторной батареи.

Основными элементами генератора являются ротор, статор, выпрямитель, конденсатор. щетки, подшипники и шкив поликлинового ремня.

Щеткодержатель содержит встроенный электронный регулятор напряжения.

1. Кисть
2. Шкив приводного ремня
3. Ротор
4. Статор

Компоненты и расположение компонентов
Компоненты

1. Шкив
2. Передний кронштейн
3. Передний подшипник
4. Крышка подшипника
5. Болт крышки подшипника
6. Ротор
7. Задний подшипник
8. Задний кронштейн8. Щит
9. Сквозной болт
10. Сборка щеткодержателя
11. Болт щеткодержателя
12. Задняя крышка
13. Гайка

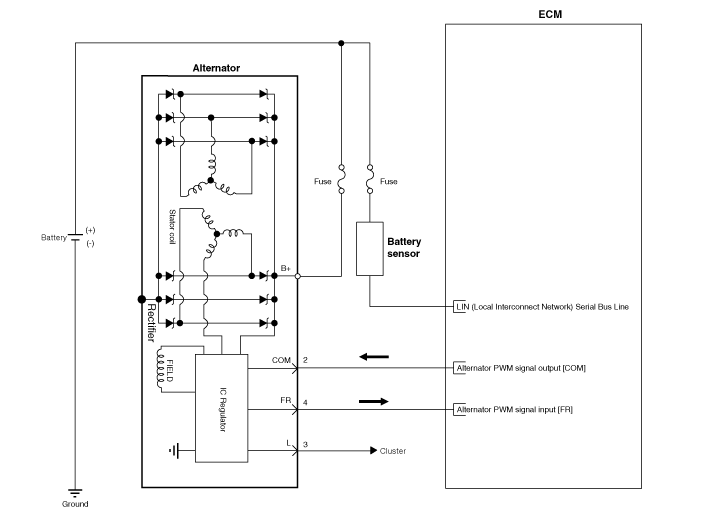
Принципиальные диаграммы
Принципиальная электрическая схема

Сигнал COM — при контроле генерируемого напряжения блок ECM отправляет данные о целевом напряжении генератору через сигнал ШИМ. напряжение: 4 В или выше, низкое напряжение: 2 В или ниже)

Сигнал FR — сигнал активации транзистора внутри генератора. контролирует напряжение, генерируемое генератором, для управления ток возбуждения перед отправкой сигнала FR в ECM. (В при определенных оборотах/электрических нагрузках режим FR может оставаться постоянным. Однако, чаще всегда обороты, электрическая нагрузка, целевое напряжение и т.д. меняется в ТС, значит и ФР тоже надо постоянно менять)

Сигнал L — включает контрольную лампу аккумулятора на приборной панели. при неисправности системы зарядки аккумулятора. (условия поворота на лампе - перезаряд, переразряд, перегорела катушка возбуждения внутри генератор)

Клемма B+ - Выходное напряжение от генератора подается на аккумулятор через клемму B+.

Процедуры ремонта
Удаление
1.

Выключите зажигание и отсоедините отрицательную (-) клемму аккумуляторной батареи.

2.

Снимите приводной ремень.

(См. Механическая система двигателя — «Приводной ремень»)

3.

Отсоедините разъем генератора (В) и отсоедините кабель (А) от клемма "В" генератора.

4.

Снимите нижний болт генератора и верхний болт (А).

5.

Снимите генератор (А).

Монтаж
1.

Установите в порядке, обратном снятию.

2.

Установите приводной ремень.

(См. Механическая система двигателя — «Приводной ремень»)

Система зарядки
Компоненты и расположение компонентов Компоненты ① ЭБУ ② Аккумулятор ③ Генератор ④ Стартер ⑤ Комбинация приборов ⑥ Выключатель зажигания или кнопка пуска/остановки ⑦ Аккумулятор с ...
преобразователь постоянного тока
Компоненты и расположение компонентов Расположение компонентов Описание и работа Описание В связи со значительно более частым проведением пусковых операций, ...
Дополнительная информация:

Kia Stinger CK 2018-2023 Руководство по техническому обслуживанию: полоса против защемления


Процедуры ремонта Удаление 1. Отсоедините отрицательную (-) клемму аккумуляторной батареи. 2. Снимите обшивку задней двери. (См. Кузов — «Отделка задней двери») 3. Отсоедините разъем планки защиты от защемления (А). ...

Kia Stinger CK 2018-2023 Руководство по техническому обслуживанию: Состояние нормальное


Общий рынок Стандартный график технического обслуживания - Кроме Европы (включая Россию) Следующие работы по техническому обслуживанию должны быть выполнены для обеспечения хорошей эмиссии контроль и производительность. Сохраняйте квитанции за все услуги по выбросам транспортных средств для защиты Ваша гарантия. Где и пробег и т...