Kia Soul EV: Система освещения / Лампа потолочной консоли Процедуры ремонта

Kia Soul EV (PS EV) 2015-2020 Руководство по техническому обслуживанию / Электрическая система кузова / Система освещения / Процедуры ремонта потолочной консоли

осмотр
1.
Снимите блок лампы потолочной консоли, затем проверьте непрерывность между клеммами. Если непрерывность не соответствует указанной, замените переключатель лампы карты.

Нет.
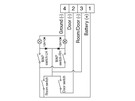
Описание
1
Земля (-)
2
Дверь (-)
3
Комната/дверь (-)
4
Батарея (+)

Удаление
1.
Отсоедините отрицательную (-) клемму аккумуляторной батареи.
2.
Выверните крепежные винты (2 шт.) и снимите потолочную консоль (A).

3.
Снимите потолочную консоль после отсоединения разъемов (А).

4.
Если необходимо заменить лампочку, замените лампочку (в следующем порядке).
(1)
Снимите линзу потолочной консоли (А).

(2)
Снимите лампочку (А).

Монтаж
1.
Установите потолочную консольную лампу после подсоединения разъема.
2.
Установите линзу, затянув 2 винта.
Процедуры ремонта комнатной лампы
осмотр 1. Убедитесь, что выключатель работает правильно после отсоединения разъема лампы салона (A). Комнатная лампа Удаление Комнатная лампа 1. Отсоедините отрицательную (-) клемму аккумуляторной батареи. 2. Де ...
Процедуры ремонта выключателя аварийной сигнализации
осмотр 1. SJB можно диагностировать с помощью GDS. SJB связывается с GDS, которая затем отображает входные и выходные данные вдоль с кодами. Он сможет быстро диагностировать дефекты...
Дополнительная информация:

Kia Soul EV (PS EV) 2015-2020 Руководство по техническому обслуживанию: Выключатель ESP OFF Процедуры ремонта


Удаление 1. Выключите зажигание и отсоедините отрицательный (-) кабель аккумуляторной батареи. 2. Снимите нижнюю панель аварийной подушки. (См. Кузов — «Нижняя панель аварийной площадки») 3. Снимите узел нижнего переключателя аварийной подушки (А), нажав на него. 4. Отсоедините разъемы (А) от нижней части аварийного ...

Kia Soul EV (PS EV) 2015-2020 Руководство по техническому обслуживанию: Ремонт замка задней двери


Замена 1. Снимите модуль задней двери. (См. Задняя дверь — «Модуль задней двери») 2. Снимите основание внешней ручки задней двери (А), вдавив стопорные штифты, расположенные сзади. 3. Снимите трос внешней ручки задней двери (А). 4. Отсоедините разъем замка задней двери (А). ...