Kia Soul EV: индикаторы и датчики / схемы приборов

Kia Soul EV (PS EV) 2015-2020 Руководство по техническому обслуживанию / Электрическая система кузова / Индикаторы и датчики / Схема комбинации приборов

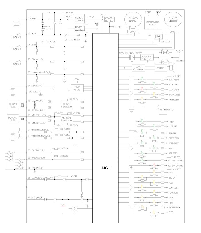
Принципиальная электрическая схема

Компоненты комбинации приборов и расположение компонентов
Компоненты Информация о выводах разъема № Описание № Описание 1 Сигнал заземления 3 (заземление питания) 21 Вход выключателя отключения (-) 2 Выход освещения (-) 22 Вход выключателя отключения 1 (+) (кнопка отключения) 3 Переключатель реостата ...
Описание и работа комбинации приборов
Описание Миан Особенности 1. Датчик мощности и заряда (1) Отображает степень экономичного вождения, определяя статус работы водителя в зависимости от режима движения автомобиля. конд...
Дополнительная информация:

Kia Soul EV (PS EV) 2015-2020 Service Manual: Компоненты и расположение компонентов


Компоненты 1. Преднатяжитель переднего ремня безопасности2. Регулятор высоты3. Натяжитель заднего ремня безопасности4. Замок заднего ремня безопасности [LH]5. Замок заднего ремня безопасности [RH] ...

Kia Soul EV (PS EV) 2015-2020 Service Manual: Компоненты и расположение компонентов


Компоненты 1. Крышка переднего бампера2. Боковая скоба переднего бампера 3. Крышка дверцы зарядного устройства ...