Kia Optima Hybrid: индикаторы и приборы / схемы приборов

Принципиальная электрическая схема

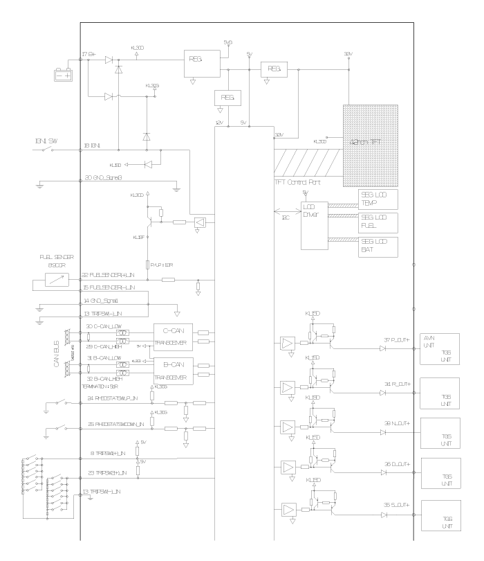
Описание и работа комбинации приборов

Описание Схема кластерной сети ECMМодуль управления двигателемHCUГибридный модуль управленияMCUМодуль управления двигателемBMSBСистема управления батареямиTCMМодуль управления коробкой передачEBSEЭлектронная тормозная системаOPUМасляная ...

Процедуры ремонта комбинации приборов

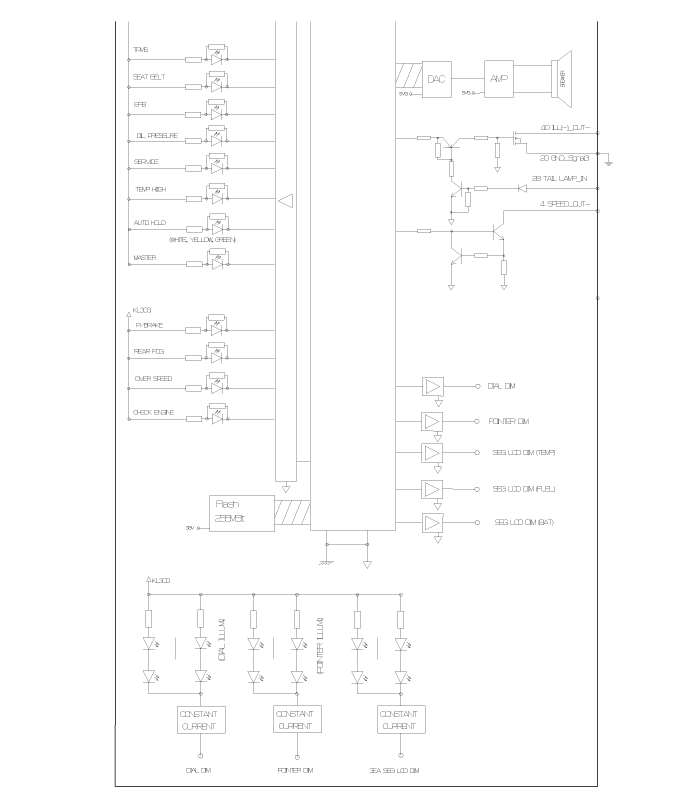
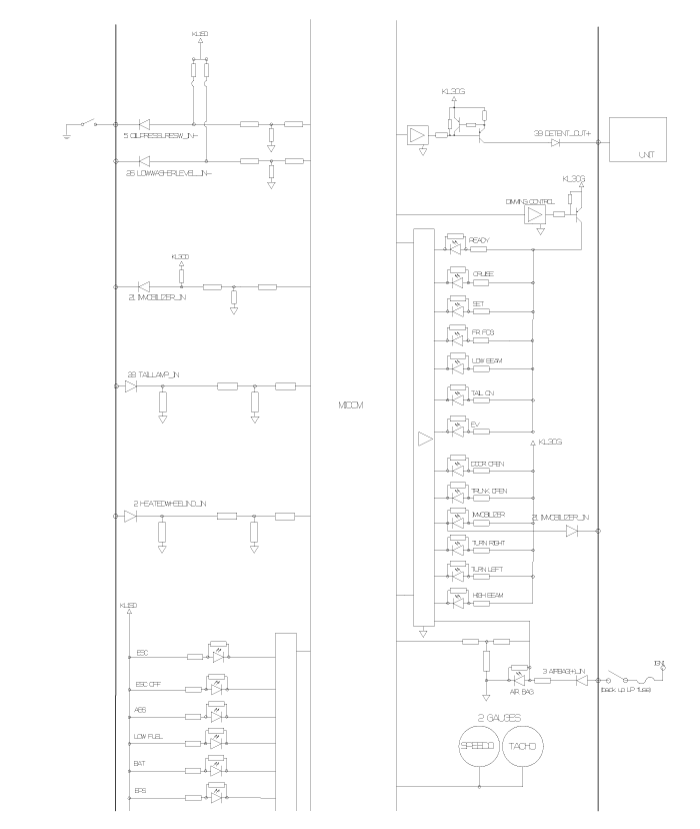
Проверка NORefSymbolNameSignal InputMessage NameSignal controlSignal Value(X: не важно)Illumination/Power1TurnLeftB-CANTurn LH Signal Lamp Switch Статус индикатора в CLULED/B+2TurnRightB-CANTurn ...

Дополнительная информация:

Kia Optima Hybrid (TF HEV) 2016-2020 Руководство по техническому обслуживанию: Процедуры ремонта передней ступицы/поворотного кулака


Замена 1. Слегка ослабьте колесные гайки. Поднимите автомобиль и убедитесь, что он надежно закреплен. 2. Снимите колесные гайки, снимите переднее колесо и шину с передней ступицы. Момент затяжки: 88,2 ~ 107,8 Н·м (9,0 ~ 11,0 кгс·м, 65,0 ~ 79,5 фунт-фут) Будьте осторожны, чтобы не повредить колесные гайки, когда ...

Kia Optima Hybrid (TF HEV) 2016-2020 Service Manual: Кузовной ремонт


Габаритные размеры Отверстие для крепления переднего лонжерона (O25) Отверстие для крепления боковой крышки (O9) Болт крепления переднего подрамника Отверстие для крепления переднего подрамника (O16.5) Отверстие для крепления переднего лонжерона (O25) Отверстие для крепления переднего лонжерона (O14.5) Инструментальное отверстие в боковой панели центрального пола (O20) Реальное монтажное отверстие продольного рычага (O19) Заднее ...