| Клемма ECM и входной/выходной сигнал |
| Функция терминала ЕСМ |
|
Приколоть
Нет. |
Описание
|
Подключен к
|
|
1
|
Силовая земля
|
Заземление
|
|
2
|
Мощность батареи (В+)
|
Выключатель зажигания
|
|
3
|
Силовая земля
|
Заземление
|
|
4
|
Мощность батареи (В+)
|
Главное реле
|
|
5
|
Силовая земля
|
Заземление
|
|
6
|
Мощность батареи (В+)
|
Батарея
|
|
7
|
-
|
|
|
8
|
-
|
?
|
|
9
|
Вход сигнала датчика уровня топлива (FLS)
|
Датчик уровня топлива (FLS)
|
|
10
|
-
|
?
|
|
11
|
-
|
?
|
|
12
|
Вход сигнала датчика детонации (KS)
|
Датчик детонации (КС)
|
|
13
|
Масса датчика
|
Датчик положения акселератора (APS) 2
|
|
14
|
Масса датчика
|
Датчик температуры охлаждающей жидкости двигателя (ECTS)
|
|
15
|
Вход сигнала датчика положения распределительного вала (CMPS) [ряд 1/выпуск]
|
Датчик положения распределительного вала (CMPS) [ряд 1/выпуск]
|
|
16
|
-
|
|
|
17
|
Вход сигнала датчика положения коленчатого вала (CKPS)
|
Датчик положения коленчатого вала (CKPS)
|
|
18
|
Rc / Rp (напряжение ячейки насоса)
|
Датчик кислорода с подогревом [ряд 1/датчик 1]
|
|
19
|
VS + (напряжение элемента NERNST)
|
Датчик кислорода с подогревом [ряд 1/датчик 1]
|
|
20
|
ВС - / ИП - (Точка соприкосновения для ВС, ИП)
|
Датчик кислорода с подогревом [ряд 1/датчик 1]
|
|
21
|
-
|
?
|
|
22
|
-
|
|
|
23
|
-
|
|
|
24
|
-
|
?
|
|
25
|
Выход управления форсункой (цилиндр №1)
|
Инжектор (цилиндр №1)
|
|
26
|
Выход управления форсункой (цилиндр №3)
|
Инжектор (цилиндр №3)
|
|
27
|
Выход управления форсункой (цилиндр №4)
|
Инжектор (цилиндр №4)
|
|
28
|
Выход управления форсункой (цилиндр №2)
|
Инжектор (цилиндр №2)
|
|
29
|
-
|
|
|
30
|
Питание датчика (+5В)
|
Датчик абсолютного давления во впускном коллекторе (MAPS)
|
|
31
|
Датчик абсолютного давления во впускном коллекторе (MAPS)
сигнальный вход |
Датчик абсолютного давления во впускном коллекторе (MAPS)
|
|
32
|
Вход сигнала датчика положения дроссельной заслонки (TPS) 2
|
Датчик положения дроссельной заслонки (TPS) 2
|
|
33
|
Вход сигнала датчика температуры охлаждающей жидкости двигателя (ECTS)
|
Датчик температуры охлаждающей жидкости двигателя (ECTS)
|
|
34
|
Масса датчика
|
Датчик детонации (КС)
|
|
35
|
Вход сигнала датчика положения акселератора (APS) 2
|
Датчик положения акселератора (APS) 2
|
|
36
|
Питание датчика (+5В)
|
Датчик положения акселератора (APS) 2
|
|
37
|
Масса датчика
|
Датчик положения распределительного вала (CMPS) [ряд 1/выпуск]
|
|
38
|
-
|
|
|
39
|
Масса датчика
|
Датчик положения коленчатого вала (CKPS)
|
|
40
|
Вход сигнала скорости автомобиля
|
Блок управления ESP
|
|
41
|
-
|
|
|
42
|
Rc (компенсационное сопротивление)
|
Датчик кислорода с подогревом [ряд 1/датчик 1]
|
|
43
|
Питание датчика (+5В)
|
Датчик давления кондиционера (APT),
Датчик давления в топливном баке (FTPS) |
|
44
|
-
|
|
|
45
|
-
|
?
|
|
46
|
Линия связи НВЛД
|
NVLD (обнаружение утечки естественного вакуума)
|
|
47
|
-
|
?
|
|
48
|
-
|
?
|
|
49
|
-
|
?
|
|
50
|
Выходной сигнал HEV ГОТОВ
|
Модуль распределения питания (PDM)
|
|
51
|
Мощность батареи (В+)
|
Главное реле
|
|
52
|
Вход сигнала датчика давления в топливном баке (FTPS)
|
Датчик давления в топливном баке (FTPS)
|
|
53
|
Вход сигнала датчика температуры впускного воздуха (IATS)
|
Датчик температуры впускного воздуха (IATS)
|
|
54
|
Вход сигнала датчика давления кондиционера (APT)
|
Датчик давления кондиционера (APT)
|
|
55
|
-
|
?
|
|
56
|
-
|
|
|
57
|
Масса датчика
|
Датчик давления кондиционера (APT)
|
|
58
|
-
|
?
|
|
59
|
Масса датчика
|
Датчик положения дроссельной заслонки (TPS) 1,2
|
|
60
|
Питание датчика (+5В)
|
Датчик положения акселератора (APS) 1
|
|
61
|
Масса датчика
|
Датчик положения акселератора (APS) 1
|
|
62
|
Вход сигнала датчика положения распределительного вала (CMPS) [ряд 1/впуск]
|
Датчик положения распределительного вала (CMPS) [ряд 1/впускной]
|
|
63
|
Питание датчика (+5В)
|
Датчик положения дроссельной заслонки (TPS) 1,2
|
|
64
|
Выход управления главным реле
|
Главное реле
|
|
65
|
Реле охлаждающего вентилятора [Низкий] управляющий выход
|
Реле вентилятора охлаждения [Низкий]
|
|
66
|
Выход управления клапаном CVVT Oil Control (OCV) [ряд 1/впуск]
|
Клапан управления маслом CVVT (OCV) [ряд 1/впуск]
|
|
67
|
Выход управления электромагнитным клапаном управления продувкой (PCSV)
|
Электромагнитный клапан управления продувкой (PCSV)
|
|
68
|
Выход управления клапаном CVVT Oil Control (OCV) [ряд 1/выпуск]
|
Клапан управления маслом CVVT (OCV) [ряд 1/выпуск]
|
|
69
|
-
|
|
|
70
|
Выход управления реле топливного насоса
|
Реле топливного насоса
|
|
71
|
ETC Motor [+] управляющий выход
|
ЭТК Мотор
|
|
72
|
ETC Motor [-] управляющий выход
|
ЭТК Мотор
|
|
73
|
Масса датчика
|
Датчик давления в топливном баке (FTPS)
|
|
74
|
Масса датчика
|
Датчик абсолютного давления во впускном коллекторе (MAPS)
|
|
75
|
Линия связи иммобилайзера
|
Управление иммобилайзером
|
|
76
|
-
|
|
|
77
|
МОЖЕТ [высокий]
|
Другой модуль управления, разъем канала передачи данных (DLC),
|
|
78
|
МОЖЕТ [Низкий]
|
Другой модуль управления, разъем канала передачи данных (DLC),
|
|
79
|
-
|
?
|
|
80
|
Датчик положения дроссельной заслонки (TPS) 1 сигнальный вход
|
Датчик положения дроссельной заслонки (TPS) 1
|
|
81
|
-
|
|
|
82
|
Датчик положения акселератора (APS) 1 вход сигнала
|
Датчик положения акселератора (APS) 1
|
|
83
|
Масса датчика
|
Датчик положения распределительного вала (CMPS) [ряд 1/впускной]
|
|
84
|
Датчик кислорода с подогревом (HO2S) [ряд 1/датчик 2] входной сигнал
|
Датчик кислорода с подогревом (HO2S) [ряд 1/датчик 2]
|
|
85
|
Масса датчика
|
Датчик кислорода с подогревом (HO2S) [ряд 1/датчик 2]
|
|
86
|
-
|
|
|
87
|
-
|
|
|
88
|
Реле охлаждающего вентилятора [высокий] управляющий выход
|
Реле вентилятора охлаждения [высокий уровень]
|
|
89
|
-
|
|
|
90
|
-
|
|
|
91
|
Выход управления клапаном закрытия адсорбера (CCV)
|
Клапан закрытия канистры (CCV)
|
|
92
|
Выход управления индикаторной лампой неисправности (MIL)
|
Индикаторная лампа неисправности (MIL)
|
|
93
|
Подогреваемый кислородный датчик (HO2S) [ряд 1/датчик 1] Выход управления нагревателем
|
Датчик кислорода с подогревом (HO2S) [ряд 1/датчик 1]
|
|
94
|
Подогреваемый кислородный датчик (HO2S) [ряд 1/датчик 2] Выход управления нагревателем
|
Датчик кислорода с подогревом (HO2S) [ряд 1/датчик 2]
|
|
Приколоть
Нет. |
Описание
|
Подключен к
|
|
1
|
Выход управления катушкой зажигания (цилиндр №1) (без иммобилайзера)
|
Катушка зажигания (цилиндр №1)
|
|
Выход управления катушкой зажигания (цилиндр №4) (с иммобилайзером)
|
Катушка зажигания (цилиндр №4)
|
|
|
2
|
Щит
|
Катушка зажигания (цилиндр №1,2,3,4)
|
|
3
|
-
|
?
|
|
4
|
-
|
?
|
|
5
|
-
|
?
|
|
6
|
-
|
?
|
|
7
|
-
|
?
|
|
8
|
-
|
?
|
|
9
|
-
|
?
|
|
10
|
-
|
?
|
|
11
|
-
|
?
|
|
12
|
-
|
?
|
|
13
|
Вход сигнала электрической нагрузки [Wiper]
|
Реле стеклоочистителя [низкий уровень]
|
|
14
|
-
|
|
|
15
|
-
|
|
|
16
|
Выход управления катушкой зажигания (цилиндр №3) (без иммобилайзера)
|
Катушка зажигания (цилиндр №3)
|
|
Выход управления катушкой зажигания (цилиндр №2) (с иммобилайзером)
|
Катушка зажигания (цилиндр №2)
|
|
|
17
|
-
|
?
|
|
18
|
-
|
?
|
|
19
|
-
|
?
|
|
20
|
-
|
?
|
|
21
|
-
|
?
|
|
22
|
-
|
?
|
|
23
|
-
|
?
|
|
24
|
-
|
?
|
|
25
|
-
|
?
|
|
26
|
-
|
?
|
|
27
|
-
|
?
|
|
28
|
-
|
?
|
|
29
|
Вход сигнала переключателя тормоза 1
|
Тормозной переключатель
|
|
30
|
-
|
|
|
31
|
Выход управления катушкой зажигания (цилиндр №4) (без иммобилайзера)
|
Катушка зажигания (цилиндр №4)
|
|
Выход управления катушкой зажигания (цилиндр №1) (с иммобилайзером)
|
Катушка зажигания (цилиндр №1)
|
|
|
32
|
-
|
?
|
|
33
|
-
|
?
|
|
34
|
-
|
?
|
|
35
|
-
|
?
|
|
36
|
-
|
?
|
|
37
|
-
|
?
|
|
38
|
-
|
?
|
|
39
|
-
|
?
|
|
40
|
-
|
?
|
|
41
|
-
|
?
|
|
42
|
-
|
|
|
43
|
-
|
|
|
44
|
Вход сигнала переключателя тормоза 2
|
Тормозной переключатель
|
|
45
|
-
|
|
|
46
|
Выход управления катушкой зажигания (цилиндр №2) (без иммобилайзера)
|
Катушка зажигания (цилиндр №2)
|
|
Выход управления катушкой зажигания (цилиндр №3) (с иммобилайзером)
|
Катушка зажигания (цилиндр №3)
|
|
|
47
|
-
|
?
|
|
48
|
-
|
?
|
|
49
|
-
|
?
|
|
50
|
-
|
?
|
|
51
|
-
|
?
|
|
52
|
-
|
?
|
|
53
|
-
|
?
|
|
54
|
-
|
?
|
|
55
|
H-CAN [высокий]
|
Другой модуль управления, разъем канала передачи данных (DLC)
|
|
56
|
H-CAN [Низкий]
|
Другой модуль управления, разъем канала передачи данных (DLC)
|
|
57
|
-
|
|
|
58
|
-
|
|
|
59
|
-
|
?
|
|
60
|
-
|
|
| Клемма ECM Входной/выходной сигнал |
Параметры, относящиеся к двигателю, будут иметь действительные значения только тогда, когда
HPCU (модуль управления HEV) запрашивает запуск двигателя. Когда
двигатель не работает значения будут недействительными.
|
|
Приколоть
Нет. |
Описание
|
Состояние
|
Тип
|
Уровень
|
Результат испытаний
|
|
1
|
Силовая земля
|
Праздный
|
ОКРУГ КОЛУМБИЯ
|
Макс. 50 мВ
|
?
|
|
2
|
Мощность батареи (В+)
|
ИГ ВЫКЛ.
|
ОКРУГ КОЛУМБИЯ
|
Макс. 0,5 В
|
10,2 мВ
|
|
ЗАЖИГАНИЕ ВКЛЮЧЕНО
|
Напряжение батареи
|
12,02 В
|
|||
|
3
|
Силовая земля
|
Праздный
|
ОКРУГ КОЛУМБИЯ
|
Макс. 50 мВ
|
2,8 мВ
|
|
4
|
Мощность батареи (В+)
|
ИГ ВЫКЛ.
|
ОКРУГ КОЛУМБИЯ
|
Макс. 1,0 В
|
3,1 мВ
|
|
ЗАЖИГАНИЕ ВКЛЮЧЕНО
|
Напряжение батареи
|
12,1 В
|
|||
|
5
|
Силовая земля
|
Праздный
|
ОКРУГ КОЛУМБИЯ
|
Макс. 50 мВ
|
1,8 мВ
|
|
6
|
Мощность батареи (В+)
|
Всегда (без
Ключ зажигания) |
Текущий
|
Ниже 2,0 мА
|
0,4 мА
|
|
ОКРУГ КОЛУМБИЯ
|
Напряжение батареи
|
12,88 В
|
|||
|
7
|
-
|
|
|
|
?
|
|
8
|
-
|
?
|
?
|
?
|
?
|
|
9
|
Вход сигнала датчика уровня топлива (FLS)
|
|
|
|
|
|
10
|
-
|
?
|
?
|
?
|
?
|
|
11
|
-
|
?
|
?
|
?
|
?
|
|
12
|
Вход сигнала датчика детонации (KS)
|
стук
|
Переменная
Частота |
-0,3 ~ 0,3 В
|
?
|
|
Нормальный
|
0 В
|
||||
|
13
|
Масса датчика
|
Праздный
|
ОКРУГ КОЛУМБИЯ
|
Макс. 50 мВ
|
30 мВ
|
|
14
|
Масса датчика
|
Праздный
|
ОКРУГ КОЛУМБИЯ
|
Макс. 50 мВ
|
12,4 мВ
|
|
15
|
Вход сигнала датчика положения распределительного вала (CMPS) [ряд 1/выпуск]
|
Праздный
|
Пульс
|
HI: Vcc или напряжение батареи
|
5,0 В
|
|
Ло: Макс. 0,5 В
|
0,2 В
|
||||
|
ЧАСТОТА: 5,36 Гц
|
?
|
||||
|
16
|
-
|
|
|
|
|
|
17
|
Вход сигнала датчика положения коленчатого вала (CKPS)
|
Праздный
|
Пульс
|
HI: Vcc или напряжение батареи
|
5,00 В
|
|
Ло: Макс. 0,5 В
|
40 мВ
|
||||
|
ЧАСТОТА: 600 Гц
|
?
|
||||
|
18
|
Rc/Rp (напряжение ячейки насоса)
|
Праздный
|
Аналоговый
|
Нормальный: 450 ± 50 мВ
|
|
|
Богатый: Макс. Нормальный+150 мВ
|
|
||||
|
Постное: мин. Нормальный-150 мВ
|
|
||||
|
19
|
VS+ (напряжение элемента NERNST)
|
Праздный
|
Аналоговый
|
Нормальный: 450 ± 50 мВ
|
|
|
Богатый: Макс. Нормальный+150 мВ
|
|
||||
|
Постное: мин. Нормальный-150 мВ
|
|
||||
|
20
|
VS-/IP- (Общее основание для VS, IP)
|
Праздный
|
Аналоговый
|
Ссылка для V_IP, V_N
|
?
|
|
21
|
-
|
?
|
?
|
?
|
?
|
|
22
|
-
|
?
|
?
|
?
|
?
|
|
23
|
-
|
|
|
|
|
|
24
|
-
|
?
|
?
|
?
|
?
|
|
25
|
Выход управления форсункой (цилиндр №1)
|
Праздный
|
Пульс
|
HI: Напряжение батареи
|
13,8 В
|
|
Ло: Макс. 1,0 В
|
200 мВ
|
||||
|
Vпик: Макс. 80В
|
54,1 В
|
||||
|
Частота
|
5,21 Гц
|
||||
|
Время пребывания
|
2,74 мс
|
||||
|
26
|
Выход управления форсункой (цилиндр №3)
|
Праздный
|
Пульс
|
HI: Напряжение батареи
|
13,9 В
|
|
Ло: Макс. 1,0 В
|
170 мВ
|
||||
|
Vпик: Макс. 80В
|
53,9 В
|
||||
|
Частота
|
5,18 Гц
|
||||
|
Время пребывания
|
2,73 мс
|
||||
|
27
|
Выход управления форсункой (цилиндр №4)
|
Праздный
|
Пульс
|
HI: Напряжение батареи
|
14В
|
|
Ло: Макс. 1,0 В
|
160 мВ
|
||||
|
Vпик: Макс. 80В
|
54,3 В
|
||||
|
Частота
|
5,24 Гц
|
||||
|
Время пребывания
|
2,70 мс
|
||||
|
28
|
Выход управления форсункой (цилиндр №2)
|
Праздный
|
Пульс
|
HI: Напряжение батареи
|
14,1 В
|
|
Ло: Макс. 1,0 В
|
160 мВ
|
||||
|
Vпик: Макс. 80В
|
53,9 В
|
||||
|
Частота: 5,21 Гц
|
5,21 Гц
|
||||
|
Время задержки: 2,73 мс
|
2,74 мс
|
||||
|
29
|
-
|
|
|
|
?
|
|
30
|
Питание датчика (+5В)
|
ИГ ВЫКЛ.
|
ОКРУГ КОЛУМБИЯ
|
Макс. 0,5 В
|
0 мВ
|
|
ЗАЖИГАНИЕ ВКЛЮЧЕНО
|
4,9 ~ 5,1 В
|
4,98 В
|
|||
|
31
|
Вход сигнала датчика абсолютного давления в коллекторе (MAPS)
|
Праздный
|
Аналоговый
|
0,8 ~ 1,6 В
|
1,37 В
|
|
32
|
Вход сигнала датчика положения дроссельной заслонки (TPS) 2
|
КТ
|
Аналоговый
|
4,2 ~ 5,0 В
|
4,52 В
|
|
В.О.Т.
|
3,3 ~ 3,8 В
|
3,68 В
|
|||
|
33
|
Вход сигнала датчика температуры охлаждающей жидкости двигателя (ECTS)
|
Праздный
|
Аналоговый
|
0,5 ~ 4,5 В
|
1,02 В
|
|
34
|
Масса датчика
|
Праздный
|
ОКРУГ КОЛУМБИЯ
|
Макс. 50 мВ
|
8 мВ
|
|
35
|
Вход сигнала датчика положения акселератора (APS) 2
|
КТ
|
Аналоговый
|
Макс. 1,0 В
|
0,4 В
|
|
В.О.Т.
|
1,5 ~ 3,0 В
|
1,9 В
|
|||
|
36
|
Питание датчика (+5В)
|
ИГ ВЫКЛ.
|
ОКРУГ КОЛУМБИЯ
|
Макс. 0,5 В
|
5 мВ
|
|
ЗАЖИГАНИЕ ВКЛЮЧЕНО
|
4,9 ~ 5,1 В
|
5,02 В
|
|||
|
37
|
Масса датчика
|
Праздный
|
ОКРУГ КОЛУМБИЯ
|
Макс. 50 мВ
|
11 мВ
|
|
38
|
-
|
|
|
|
|
|
39
|
Масса датчика
|
Праздный
|
ОКРУГ КОЛУМБИЯ
|
Макс. 50 мВ
|
11 мВ
|
|
40
|
Вход сигнала скорости автомобиля
|
Запуск автомобиля
|
Пульс
|
Привет: мин. 4,5 В
|
5,0 В
|
|
Ло: Макс. 0,5 В
|
0В
|
||||
|
Частота
|
46,9 Гц в режиме ожидания
|
||||
|
Долг(-)
|
50,4% в режиме ожидания
|
||||
|
41
|
-
|
?
|
?
|
?
|
?
|
|
42
|
Rc (компенсационное сопротивление)
|
Праздный
|
Аналоговый
|
¦Rc-Rc/Rp¦<±0,1 В
|
?
|
|
43
|
Питание датчика (+5В)
|
ИГ ВЫКЛ.
|
ОКРУГ КОЛУМБИЯ
|
Макс. 0,5 В
|
?
|
|
ЗАЖИГАНИЕ ВКЛЮЧЕНО
|
4,9 ~ 5,1 В
|
?
|
|||
|
44
|
-
|
|
|
|
?
|
|
45
|
-
|
?
|
?
|
?
|
?
|
|
46
|
Линия связи НВЛД
|
ЗАЖИГАНИЕ ВКЛЮЧЕНО
|
Пульс
|
Привет: Напряжение батареи
Ло: Макс. 1,0 В |
?
|
|
47
|
-
|
?
|
?
|
?
|
?
|
|
48
|
-
|
?
|
?
|
?
|
?
|
|
49
|
-
|
?
|
?
|
?
|
?
|
|
50
|
Выходной сигнал HEV ГОТОВ
|
ЗАЖИГАНИЕ ВКЛЮЧЕНО
|
ОКРУГ КОЛУМБИЯ
|
Привет: Vcc или напряжение батареи
Ло: Макс. 1,0 В |
|
|
51
|
Мощность батареи (В+)
|
ИГ ВЫКЛ.
|
ОКРУГ КОЛУМБИЯ
|
Макс. 1,0 В
|
3,1 мВ
|
|
ЗАЖИГАНИЕ ВКЛЮЧЕНО
|
Напряжение батареи
|
12,3 В
|
|||
|
52
|
Вход сигнала датчика давления в топливном баке (FTPS)
|
Праздный
|
Аналоговый
|
0,4 ~ 4,6 В
|
|
|
53
|
Датчик температуры впускного воздуха
(IATS) сигнальный вход |
Праздный
|
Аналоговый
|
0 ~ 5,0 В
|
2,55 В
|
|
54
|
Вход сигнала датчика давления кондиционера (APT)
|
Праздный
|
ОКРУГ КОЛУМБИЯ
|
0,4 ~ 4,6 В
|
Кондиционер выключен: 1,29 В
Включение кондиционера: 2,01 В |
|
55
|
-
|
?
|
?
|
?
|
?
|
|
56
|
-
|
?
|
?
|
?
|
?
|
|
57
|
Масса датчика
|
Праздный
|
ОКРУГ КОЛУМБИЯ
|
Макс. 50 мВ
|
11 мВ
|
|
58
|
-
|
?
|
?
|
?
|
?
|
|
59
|
Масса датчика
|
Праздный
|
ОКРУГ КОЛУМБИЯ
|
Макс. 50 мВ
|
6 мВ
|
|
60
|
Питание датчика (+5В)
|
ИГ ВЫКЛ.
|
ОКРУГ КОЛУМБИЯ
|
Макс. 0,5 В
|
10 мВ
|
|
ЗАЖИГАНИЕ ВКЛЮЧЕНО
|
4,9 ~ 5,1 В
|
5,02 В
|
|||
|
61
|
Масса датчика
|
Праздный
|
ОКРУГ КОЛУМБИЯ
|
Макс. 50 мВ
|
30 мВ
|
|
62
|
Вход сигнала датчика положения распределительного вала (CMPS) [ряд 1/впуск]
|
Праздный
|
Пульс
|
HI: Vcc или напряжение батареи
|
5,0 В
|
|
Ло: Макс. 0,5 В
|
0,2 В
|
||||
|
Частота
|
5,2 Гц
|
||||
|
63
|
Питание датчика (+5В)
|
ИГ ВЫКЛ.
|
ОКРУГ КОЛУМБИЯ
|
Макс. 0,5 В
|
0В
|
|
ЗАЖИГАНИЕ ВКЛЮЧЕНО
|
4,9 ~ 5,1 В
|
5,03 В
|
|||
|
64
|
Выход управления главным реле
|
Реле ВЫКЛ.
|
ОКРУГ КОЛУМБИЯ
|
Напряжение батареи
|
12,3 В
|
|
Реле на
|
Макс. 1,0 В
|
730 мВ
|
|||
|
65
|
Реле охлаждающего вентилятора [Низкий] управляющий выход
|
Кондиционер включен
|
Пульс
|
HI: Напряжение батареи
|
10,4 В
|
|
LO: 0 ~ 0,5 В
|
60 мВ
|
||||
|
66
|
CVVT Регулятор масла (OCV) Клапан [ряд 1/впуск] управляющий выход
|
Праздный
|
Пульс
|
HI: Напряжение батареи
|
15,0 В
|
|
Ло: Макс. 1,0 В
|
120 мВ
|
||||
|
Частота
|
300 Гц
|
||||
|
Обязанность(+)
|
84,70%
|
||||
|
67
|
Выход управления электромагнитным клапаном управления продувкой (PCSV)
|
Неактивный
Активный |
Пульс
|
HI: Напряжение батареи
|
14,3 В
|
|
Ло: Макс. 1,0 В
|
80 мВ
|
||||
|
Vпик: Макс. 70В
|
57,0 В
|
||||
|
Частота
|
16 Гц
|
||||
|
68
|
CVVT Контроль масла (OCV) Выход управления клапаном [ряд 1/выпуск]
|
Праздный
|
Пульс
|
HI: Напряжение батареи
|
13,5 В
|
|
Ло: Макс. 1,0 В
|
100 мВ
|
||||
|
Впик: Макс.70В
|
13,5 В
|
||||
|
Частота
|
300 Гц
|
||||
|
69
|
-
|
|
|
|
|
|
70
|
Выход управления реле топливного насоса
|
Реле ВЫКЛ.
|
ОКРУГ КОЛУМБИЯ
|
Напряжение батареи
|
12,8 В
|
|
Реле на
|
Макс. 1,0 В
|
40 мВ
|
|||
|
71
|
ETC Motor [+] управляющий выход
|
Праздный
|
Пульс
|
HI: Напряжение батареи
|
13,4 В
|
|
Ло: Макс. 1,0 В
|
0В
|
||||
|
72
|
ETC Motor [-] управляющий выход
|
Праздный
|
Пульс
|
HI: Напряжение батареи
|
13,3 В
|
|
Ло: Макс. 1,0 В
|
0В
|
||||
|
73
|
Масса датчика
|
Праздный
|
ОКРУГ КОЛУМБИЯ
|
Макс. 50 мВ
|
|
|
74
|
Масса датчика
|
Праздный
|
ОКРУГ КОЛУМБИЯ
|
Макс. 50 мВ
|
7 мВ
|
|
75
|
Линия связи иммобилайзера
|
В течение
общение |
Пульс
|
Привет: мин. 8,5 В
|
11,8 В
|
|
Ло: Макс. 3,5 В
|
1,0 В
|
||||
|
76
|
-
|
?
|
?
|
?
|
?
|
|
77
|
МОЖЕТ [высокий]
|
Рецессивный
|
Пульс
|
2,0 ~ 3,0 В
|
2,58 В
|
|
Доминантный
|
2,75~4,5 В
|
3,54 В
|
|||
|
78
|
МОЖЕТ [Низкий]
|
Рецессивный
|
Пульс
|
2,0 ~ 3,0 В
|
2,64 В
|
|
Доминантный
|
0,5~2,25 В
|
1,52 В
|
|||
|
79
|
-
|
?
|
?
|
?
|
?
|
|
80
|
Датчик положения дроссельной заслонки (TPS) 1 сигнальный вход
|
КТ
|
Аналоговый
|
0,3 ~ 0,9 В
|
0,65 В
|
|
В.О.Т.
|
1,5 ~ 3,0 В
|
1,63 В
|
|||
|
81
|
-
|
?
|
?
|
?
|
?
|
|
82
|
Датчик положения акселератора (APS) 1 вход сигнала
|
КТ
|
Аналоговый
|
Макс. 1,0 В
|
0,8 В
|
|
В.О.Т.
|
Мин. 4,0 В
|
4,0 В
|
|||
|
83
|
Масса датчика
|
Праздный
|
ОКРУГ КОЛУМБИЯ
|
Макс. 50 мВ
|
12 мВ
|
|
84
|
Датчик кислорода с подогревом (HO2S) [ряд 1/датчик 2] входной сигнал
|
Праздный
|
ОКРУГ КОЛУМБИЯ
|
Богатый: 0,6 ~ 1,0 В
|
74 мВ
|
|
Пост: Макс. 0,4 В
|
70 мВ
|
||||
|
85
|
Масса датчика
|
Праздный
|
ОКРУГ КОЛУМБИЯ
|
Макс. 50 мВ
|
10 мВ
|
|
86
|
-
|
|
|
|
|
|
87
|
-
|
|
|
|
|
|
88
|
Реле охлаждающего вентилятора [высокий] управляющий выход
|
Реле ВЫКЛ.
|
ОКРУГ КОЛУМБИЯ
|
Напряжение батареи
|
?
|
|
Реле на
|
Макс. 1,0 В
|
?
|
|||
|
89
|
-
|
?
|
?
|
?
|
?
|
|
90
|
-
|
?
|
?
|
?
|
?
|
|
91
|
Выход управления клапаном закрытия адсорбера (CCV)
|
Активный
Неактивный |
Пульс
|
Высокий: напряжение батареи
|
13,0 В
|
|
Низкий: макс. 1,0 В
|
20 мВ
|
||||
|
V пик: макс. 70В
|
57,7 В
|
||||
|
92
|
Выход управления индикаторной лампой неисправности (MIL)
|
Лампа ВЫКЛ.
|
ОКРУГ КОЛУМБИЯ
|
Напряжение батареи
|
13,8 В
|
|
Лампа включена
|
Макс. 1,0 В
|
54 мВ
|
|||
|
93
|
Датчик кислорода с подогревом (HO2S)
[Банк 1/Датчик 1] Управление нагревателем выход |
Работа двигателя
|
Пульс
|
HI: Напряжение батареи
|
14,4 В
|
|
Ло: Макс. 1,0 В
|
0,36 В
|
||||
|
Частота
|
10,0 Гц
|
||||
|
Обязанность(+)
|
58,30%
|
||||
|
94
|
Датчик кислорода с подогревом (HO2S)
[Банк 1/Датчик 2] Управление нагревателем выход |
Работа двигателя
|
Пульс
|
HI: Напряжение батареи
|
14,0 В
|
|
Ло: Макс. 1,0 В
|
0,31 В
|
||||
|
Частота
|
7,68 Гц
|
||||
|
Обязанность(+)
|
53,9%
|
|
Приколоть
Нет. |
Описание
|
Состояние
|
Тип
|
Уровень
|
Результат испытаний
|
|
1
|
Выход управления катушкой зажигания (цилиндр №1) (без иммобилайзера)
|
Праздный
|
Пульс
|
1-е напряжение: 300 ~ 400 В
|
416В
|
|
Напряжение ВКЛ: макс. 2,0 В
|
1,4 В
|
||||
|
Выход управления катушкой зажигания (цилиндр №4) (с иммобилайзером)
|
Частота
|
5,2 Гц
|
|||
|
Время пребывания
|
2,78 мс
|
||||
|
2
|
Щит
|
Праздный
|
ОКРУГ КОЛУМБИЯ
|
Макс. 50 мВ
|
16,8 мВ
|
|
3
|
-
|
?
|
?
|
?
|
?
|
|
4
|
-
|
?
|
?
|
?
|
?
|
|
5
|
-
|
?
|
?
|
?
|
?
|
|
6
|
-
|
?
|
?
|
?
|
?
|
|
7
|
-
|
?
|
?
|
?
|
?
|
|
8
|
-
|
?
|
?
|
?
|
?
|
|
9
|
-
|
?
|
?
|
?
|
?
|
|
10
|
-
|
?
|
?
|
?
|
?
|
|
11
|
-
|
?
|
?
|
?
|
?
|
|
12
|
-
|
?
|
?
|
?
|
?
|
|
13
|
Вход сигнала электрической нагрузки [Wiper]
|
?
|
?
|
?
|
?
|
|
14
|
-
|
|
|
|
|
|
15
|
-
|
|
|
|
|
|
16
|
Выход управления катушкой зажигания (цилиндр №3) (без иммобилайзера)
|
Праздный
|
Пульс
|
1-е напряжение: 300 ~ 400 В
|
416В
|
|
Напряжение ВКЛ: макс. 2,0 В
|
1,3 В
|
||||
|
Выход управления катушкой зажигания (цилиндр №2) (с иммобилайзером)
|
Частота
|
5,2 Гц
|
|||
|
Время пребывания
|
2,73 мс
|
||||
|
17
|
-
|
?
|
?
|
?
|
?
|
|
18
|
-
|
?
|
?
|
?
|
?
|
|
19
|
-
|
?
|
?
|
?
|
?
|
|
20
|
-
|
?
|
?
|
?
|
?
|
|
21
|
-
|
?
|
?
|
?
|
?
|
|
22
|
-
|
?
|
?
|
?
|
?
|
|
23
|
-
|
?
|
?
|
?
|
?
|
|
24
|
-
|
?
|
?
|
?
|
?
|
|
25
|
-
|
?
|
?
|
?
|
?
|
|
26
|
-
|
?
|
?
|
?
|
?
|
|
27
|
-
|
?
|
?
|
?
|
?
|
|
28
|
-
|
?
|
?
|
?
|
?
|
|
29
|
Вход сигнала переключателя тормоза 1
|
Тормоз включен
|
ОКРУГ КОЛУМБИЯ
|
Напряжение батареи
|
?
|
|
Тормоз выключен
|
Макс. 0,5 В
|
?
|
|||
|
30
|
-
|
|
|
|
?
|
|
31
|
Выход управления катушкой зажигания (цилиндр №4) (без иммобилайзера)
|
Праздный
|
Пульс
|
1-е напряжение: 300 ~ 400 В
|
408В
|
|
Напряжение ВКЛ: макс. 2,0 В
|
1,6 В
|
||||
|
Выход управления катушкой зажигания (цилиндр №1) (с иммобилайзером)
|
Частота
|
5,2 Гц
|
|||
|
Время пребывания
|
2,74 мс
|
||||
|
32
|
-
|
?
|
?
|
?
|
?
|
|
33
|
-
|
?
|
?
|
?
|
?
|
|
34
|
-
|
?
|
?
|
?
|
?
|
|
35
|
-
|
?
|
?
|
?
|
?
|
|
36
|
-
|
?
|
?
|
?
|
?
|
|
37
|
-
|
?
|
?
|
?
|
?
|
|
38
|
-
|
?
|
?
|
?
|
?
|
|
39
|
-
|
?
|
?
|
?
|
?
|
|
40
|
-
|
?
|
?
|
?
|
?
|
|
41
|
-
|
?
|
?
|
?
|
?
|
|
42
|
-
|
|
|
|
|
|
43
|
-
|
|
|
|
?
|
|
44
|
Вход сигнала переключателя тормоза 2
|
Толкать
|
ОКРУГ КОЛУМБИЯ
|
Макс. 0,5 В
|
?
|
|
Нормальный
|
Напряжение батареи
|
?
|
|||
|
45
|
-
|
|
|
|
?
|
|
46
|
Выход управления катушкой зажигания (цилиндр №2) (без иммобилайзера)
|
Праздный
|
Пульс
|
1-е напряжение: 300 ~ 400 В
|
410В
|
|
Напряжение ВКЛ: макс. 2,0 В
|
1,5 В
|
||||
|
Выход управления катушкой зажигания (цилиндр №3) (с иммобилайзером)
|
Частота
|
5,2 Гц
|
|||
|
Время пребывания
|
2,78 мс
|
||||
|
47
|
-
|
?
|
?
|
?
|
?
|
|
48
|
-
|
?
|
?
|
?
|
?
|
|
49
|
-
|
?
|
?
|
?
|
?
|
|
50
|
-
|
?
|
?
|
?
|
?
|
|
51
|
-
|
?
|
?
|
?
|
?
|
|
52
|
-
|
?
|
?
|
?
|
?
|
|
53
|
-
|
?
|
?
|
?
|
?
|
|
54
|
-
|
?
|
?
|
?
|
?
|
|
55
|
H-CAN [высокий]
|
?
|
?
|
?
|
?
|
|
56
|
H-CAN [Низкий]
|
?
|
?
|
?
|
?
|
|
57
|
-
|
|
|
|
|
|
58
|
-
|
|
|
|
?
|
|
59
|
-
|
?
|
?
|
?
|
?
|
|
60
|
-
|
|
|
|
?
|
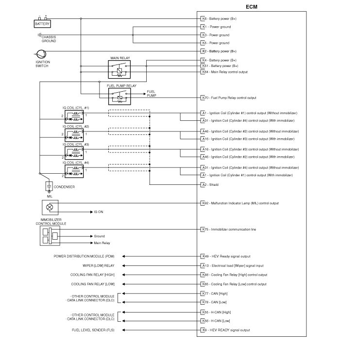
| Принципиальная электрическая схема |
Компоненты и расположение компонентов
Расположение компонентов 1. ECM (модуль управления двигателем)2. Датчик абсолютного давления во впускном коллекторе (MAPS)3. Датчик температуры впускного воздуха (IATS)4. Датчик температуры охлаждающей жидкости двигателя (ECTS)5. Датчик положения дроссельной заслонки ...
Модуль управления двигателем (ECM) Процедуры ремонта
Снятие 1. Отключите цепь высокого напряжения. (См. «Процедуры отключения при высоком напряжении») 2. Выключите зажигание и отсоедините отрицательную (-) клемму вспомогательной аккумуляторной батареи 12 В. 3. Удалите...
Снятие Боковую подушку безопасности нельзя отсоединить от спинки сиденья в сборе, поэтому при замене боковой подушки безопасности замените спинку сиденья в сборе. 1. Отсоедините отрицательный кабель аккумуляторной батареи и подождите не менее 3 минут перед началом работы. 2. Снимите переднее сиденье в сборе. (Обратитесь к...
Меры предосторожности Поскольку в гибридных автомобилях используется батарея высокого напряжения, неправильное обращение с системой высокого напряжения или автомобилями может привести к серьезным авариям, таким как поражение электрическим током и утечка тока. • Обязательно отключите высокое напряжение, сняв ...