Kia Forte: Тормозная система / Выключатель стоп-сигнала

Киа Kia Forte 2019-2023 (БД) Руководство по ремонту / Тормозная система / Тормозная система / Выключатель стоп-сигнала

Компоненты и расположение компонентов
Компоненты

1. Педаль тормоза в сборе
2. Выключатель стоп-сигнала
3. Рычаг педали тормоза

Описание и работа
Операция

Принцип работы индуктивного бесконтактного выключателя

1.

Используйте высокочастотное магнитное поле и индуцированный ток, которые генерируется колебаниями (до утвержденного напряжения) катушки в переключателе.

2.

Вихревой ток возникает на поверхности металла за счет собственной индуктивности. эффект, если есть металл в высокочастотном магнитном поле.

3.

Образующийся вихревой ток ослабляет высокочастотное магнитное поле. поле столько же, сколько количество, генерируемое путем нарушения магнитного поля переключателя поток.

4.

ON-OFF, оценивая, ослабляется ли магнитное поле высокого напряжения или нет (рассчитать разность напряжений по длине между металлом и катушкой)

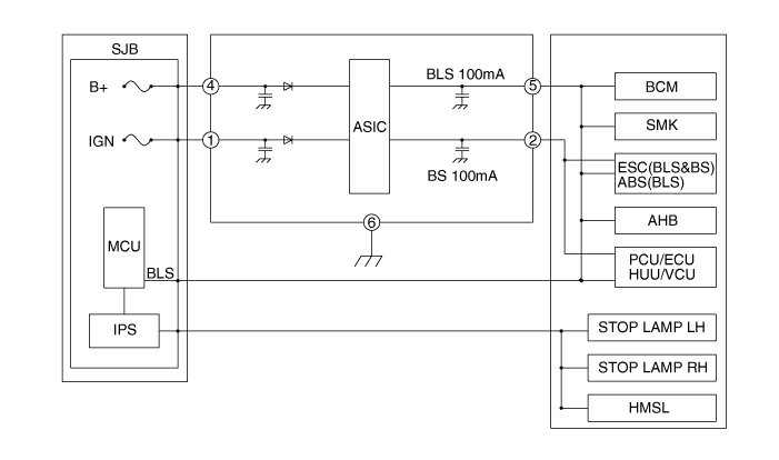
Принципиальные диаграммы
Схема системы

Терминальная функция

Пин №
Описание
1
IGN1
2
Тормозной сигнал
3
-
4
В+
5
Сигнал стоп-сигнала
6
Земля

Поиск неисправностей
Поиск неисправностей
1.

Диагностика деталей

Предметы
Причина
Симптом

Выключатель предохранителя
Неисправное соединение предохранителя, Поврежденный предохранитель

Код неисправности: P0504

Симптом: проблемы с переключением передач, отказ при запуске, круиз. проблема с отменой функции управления, отмена функции EPB неисправность, неисправность стоп-сигнала, горит лампа ESC OFF.

① Проверка формы сигнала выполняется с помощью осциллографа на каждом части во время разгона/торможения автомобиля. (См. переключатель стоп-сигнала процедуры проверки цепи)

② Обратитесь к соответствующим процедурам ремонта детали, если что-то в осциллограмме обнаружена аномалия (обратитесь к процедурам ремонта соответствующей детали и при необходимости заменить ее)
Реле предохранителя
Неисправное соединение предохранителя, Поврежденный предохранитель

Код неисправности: P0504

Симптом: проблемы с переключением передач, отказ при запуске, круиз. проблема с отменой функции управления, отмена функции EPB неисправность, неисправность стоп-сигнала, горит лампа ESC OFF.

Выключатель стоп-сигнала

Поврежденная проводка каждой части

Неправильное подключение к разъему

Каждая часть неисправна

Код неисправности: P0504

Симптом: проблемы с переключением передач, отказ при запуске, круиз. проблема с отменой функции управления, отмена функции EPB неисправность, неисправность стоп-сигнала, горит лампа ESC OFF.

Стоп-сигнал электронный
модуль (если применимо)

Код неисправности: P0504, C2130, C2131

Симптом: проблемы с переключением передач, отказ при запуске, круиз. проблема с отменой функции управления, отмена функции EPB неисправность, неисправность стоп-сигнала, горит лампа ESC OFF.

Модуль управления двигателем (ECM)

Код неисправности: P0504

Симптом: проблемы с переключением передач, круиз-контроль. проблема отмены

Модуль управления кузовом (BCM)

Проблемы с переключением передач

Соленоид блокировки переключения передач

Проблемы с переключением передач

Переключатель ингибитора

Симптом: проблемы с переключением передач, отказ при запуске, круиз. проблема с отменой функции управления, отмена функции EPB беда

Блок смарт-ключей (SMK)

Стартовый сбой

Электронный стояночный тормоз

Симптом: проблема с отменой функции EPB, ESC OFF свет освещен.

Блок управления ABS/ESC
(Датчик давления)

Симптом: горит индикатор ESC OFF.


2.

Симптоматическая диагностика

Симптом
Часть, которая может быть причиной

Проблемы с запуском
Предохранитель выключателя, предохранитель реле, выключатель стоп-сигнала, электронный стоп-сигнал модуль, модуль управления ABS/ESC, каждый провод, разъем
① Проверьте форму сигнала с помощью осциллографа на каждой детали во время движения автомобиля. ускорение/торможение. (См. проверку цепи выключателя стоп-сигналов. процедуры)

② Обратитесь к соответствующим процедурам ремонта детали, если что-то в осциллограмме обнаружена аномалия (обратитесь к процедурам ремонта соответствующей детали и при необходимости заменить ее)
Проблемы с переключением передач
Предохранитель выключателя, предохранитель реле, выключатель стоп-сигнала, электронный стоп-сигнал модуль, BCM, ECM, выключатель ингибитора, каждый провод, разъем
горит лампочка ESC OFF
Предохранитель выключателя, предохранитель реле, выключатель стоп-сигнала, электронный стоп-сигнал модуль, модуль управления ABS/ESC, каждый провод, разъем
P0504
Предохранитель выключателя, предохранитель реле, выключатель стоп-сигнала, электронный стоп-сигнал модуль, ECM, каждый провод, разъем
Не работает стоп-сигнал
Предохранитель выключателя, предохранитель реле, выключатель стоп-сигнала, электронный стоп-сигнал модуль, провод/разъем отсоединен
Стоп-сигнал всегда
включенный
Выключатель стоп-сигнала, электронный модуль стоп-сигнала,
Короткое замыкание проводки, сгорел предохранитель

3.

Диагностика системы выключателя стоп-сигналов

SSEM: Электронный модуль стоп-сигнала

4.

Обратитесь к руководству по кодам DTC, когда отображаются соответствующие коды DTC.

Процедуры ремонта
Корректирование
1.

Проверьте зазор между выключателем стоп-сигнала и кронштейном.

Зазор стоп-сигнала (A):

1,0–2,0 мм (0,04–0,08 дюйма)

2.

Если зазор между выключателем стоп-сигнала и кронштейном не составляет 1,0 - 2,0 мм (0,04–0,08 дюйма), проверьте монтажный зажим и другие детали вокруг стоп-сигнал.

3.

Если все в порядке, переустановите выключатель стоп-сигнала и проверьте клиренс снова.

осмотр

1. Проверка предохранителей

Установите тестовый предохранитель на предохранитель выключателя и часть предохранителя реле, чтобы подтвердить нормальную работу. совместная подгонка.

2. Анализ данных КДС

1.

Проанализируйте данные KDS и проверьте исправность выключателя стоп-сигнала.

(1)

Подключите KDS к разъему самодиагностики.

(2)

Включите искровой выключатель.

(3)

Нажмите на педаль тормоза.

(4)

Осмотрите категорию «тормозной выключатель», в которой отображается «датчик данные" КДС.

Нормальная форма сигнала: значение сигнала датчика давления будет изменить в соответствии с переключателем ВКЛ/ВЫКЛ тормоза.

3. Осмотр разъема каждой частью

Проверьте наличие повреждений, перенапряжения клемм или неполного соединения в каждом разъеме.

[Распределительная коробка машинного отделения]

[Модуль управления ABS/VDC]

4. Осмотрите цепь стоп-сигнала.

Подсоедините щуп к каждому клеммному проводу и проверьте осциллограмму сигнала.

[Вход/выход переключателя стоп-сигнала]

[Экран формы сигнала осциллографа]

Замена
1.

Выключите зажигание и отсоедините отрицательную (-) клемму аккумуляторной батареи.

2.

Снимите нижнюю панель аварийной подушки.

(См. Кузов (внутри и снаружи) — «Нижняя панель аварийной площадки»)

3.

Отсоедините разъем выключателя стоп-сигналов (А).

4.

Потяните стопорную пластину (А), как показано стрелкой.

5.

Поверните выключатель тормоза на 45° против часовой стрелки и снимите его.

6.

Осмотрите снятый выключатель стоп-сигнала в соответствии с описанными ниже процедурами.

(1)

Подтвердите нормальное соединение с клеммной частью.

Можно сделать подтверждение, чтобы убедиться, что разъем должным образом закреплены и присутствует метка соединения.

7.

Зафиксируйте рычаг педали тормоза и полностью вставьте тормозной выключатель так, чтобы Контактная часть невидима.

8.

После вставки поверните переключатель тормоза на 45° по часовой стрелке, а затем соберите запирающая пластина нажатием.

9.

Проверьте зазор между выключателем стоп-сигнала и кронштейном.

Зазор стоп-сигнала (A):

1,0–2,0 мм (0,04–0,08 дюйма)

Если зазор между выключателем стоп-сигнала и кронштейном не между 1,0–2,0 мм (0,04–0,08 дюйма), проверьте зажим и другие детали вокруг стоп-сигнала.

Если все в порядке, переустановите выключатель стоп-сигнала. и снова проверьте зазор.

10.

Подсоедините разъем выключателя стоп-сигналов (А).

11.

Установите остальные детали в порядке, обратном снятию.

Задний барабанный тормоз
Компоненты и расположение компонентов Компоненты 1. Прижимной штифт башмака 2. Регулятор обуви 3. Верхняя возвратная пружина 4. Регулировочный рычаг 5. Обувь 6. Регулировка с...
Стояночная тормозная система
Компоненты и расположение компонентов Компоненты 1. Рычаг стояночного тормоза в сборе 2. Передний трос стояночного тормоза 3. Трос стояночного тормоза [левый] 4. Стояночный тормоз...
Дополнительная информация:

Kia Forte 2019-2023 (BD) Руководство по техническому обслуживанию: Внутренняя ручка передней двери


Процедуры ремонта Замена 1. Снимите обивку передней двери. (См. Передняя дверь — «Обшивка передней двери») 2. Ослабив крепежные винты, снимите внутреннюю ручку передней двери. (А). 3. Установить, ...

Kia Forte 2019-2023 (BD) Руководство по техническому обслуживанию: Охлаждающая жидкость


Процедуры ремонта Замена и прокачка воздуха Никогда не снимайте крышку радиатора, когда двигатель горячий. Серьезный ошпаривание может быть вызвано выходом горячей жидкости под высоким давлением из радиатора. ...