Kia Forte: Система управления двигателем/датчик детонации (KS)

Киа Kia Forte 2019-2023 (БД) Руководство по ремонту / Управление двигателем/топливная система / Система управления двигателем / Датчик детонации (КС)

Технические характеристики
Спецификация

Элемент
Спецификация
Сопротивление (МОм)
4,87

Описание и работа
Описание

Стук – это явление, характеризующееся нежелательной вибрацией и шумом, а также может привести к повреждению двигателя. Датчик детонации (КС) установлен на блоке цилиндров и чувствует стук двигателя.

Когда возникает детонация, вибрация блока цилиндров передается как давление. к пьезоэлементу. При появлении стука датчик выдает сигнал напряжения. ECM задерживает момент зажигания, когда возникает детонация. Если стук пропал после задержки опережения зажигания ECM будет опережать опережение зажигания. Этот последовательное управление может улучшить мощность двигателя, крутящий момент и экономию топлива.

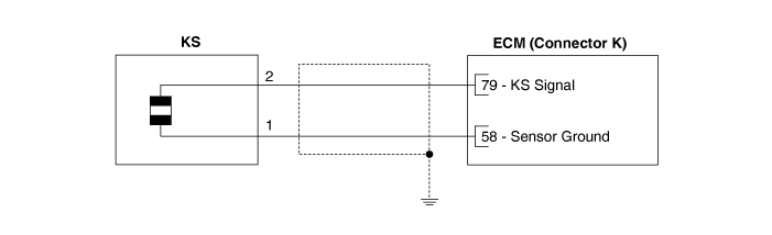
Принципиальные диаграммы
Принципиальная электрическая схема

Соединитель жгута

Процедуры ремонта
Снятие и установка
1.

Выключите зажигание и отсоедините отрицательный (-) аккумулятор. Терминал.

2.

Снимите впускной коллектор.

(См. Механическая система двигателя — «Впускной коллектор»)

3.

Снимите датчик детонации (А), предварительно ослабив крепежный болт.

Болт крепления датчика детонации:

18,6–23,5 Н·м (1,9–2,4 кгс·м, 13,7–17,4 фунт-фут)

4.

Установите в порядке, обратном снятию.

Установите компонент с указанным моментом затяжки.

Обратите внимание, что внутреннее повреждение может произойти, когда компонент сбрасывается. Если компонент упал, осмотрите его перед установка.

Датчик положения распределительного вала (CMPS)
Описание и работа Описание Датчик положения распределительного вала (CMPS) представляет собой датчик Холла и определяет положение распределительного вала. с помощью элемента зала. Это связано с положением коленчатого вала ...
Датчик кислорода с подогревом (HO2S)
Технические характеристики Спецификация HO2S [ряд 1/датчик 1] (линейный тип) Элемент Спецификация Сопротивление нагревателя (Ом) 2,4 - 4,0 [20°C (68° ...
Дополнительная информация:

Руководство по эксплуатации Kia Forte 2019-2023 (BD): Сигнализаторы подушек безопасности и ремней безопасности


Сигнальная лампа подушки безопасности Этот сигнализатор загорается: Как только вы установите ключ зажигания или Кнопка запуска/остановки двигателя в положении ON позиция. - Горит примерно 6 секунд, а затем гаснет. При неисправности с СРС. В этой ситуации ваш автомобиль ...

Kia Forte 2019-2023 (BD) Руководство по техническому обслуживанию: Электропривод сиденья


Компоненты и расположение компонентов Компоненты 1. Двигатель поддержки пиломатериалов 2. Наклонный двигатель 3. Двигатель передней высоты 4. Двигатель задней высоты 5. Скользящий двигатель 6. Переключатель подушки сиденья 7. Переключатель спинки сиденья 8. Переключатель поддержки пиломатериала Описание ...