Kia Forte: электрическая система двигателя/генератор

Киа Kia Forte 2019-2023 (БД) Руководство по ремонту / Электрическая система двигателя / Генератор

Технические характеристики
Спецификация

Элемент
Спецификация
Номинальное напряжение
13,5 В, 130 А
Скорость в использовании
1000–18 000 об/мин
Приколоть
3 (C, L, FR)
Тип шкива
Шкив ОАД
Регулятор напряжения
IC регулятор встроенного типа
Напряжение настройки регулятора (внутренний режим)
14,55 ± 0,3 В
Напряжение настройки регулятора (внешний режим)
С - Терминал
Частота (Гц)
115-500
Напряжение (В)
Высокий: 3,3–3,7
Низкий: 1,3–1,7
Тип сигнала
ШИМ
FR - Терминал
Частота (Гц)
212 - 288
Ток (мА)
2,7 - 7
Тип сигнала
ШИМ

Компоненты и расположение компонентов
Компоненты

1. ОАД (обгонная развязка генератора)
2. Передний корпус
3. Передний подшипник
4. Статор
5. Ротор
6. Задний подшипник
7. Задний Корпус
8. Сборка регулятора
9. Сквозной болт
10. Выпрямитель в сборе
11. Задняя крышка

Описание и работа
Описание

Генератор переменного тока имеет восемь встроенных диодов, каждый из которых преобразует переменный ток в постоянный.

Поэтому на клемме «В» генератора появляется постоянный ток.

Кроме того, зарядное напряжение этого генератора регулируется аккумуляторной батареей. система определения напряжения.

Генератор регулируется системой определения напряжения аккумуляторной батареи.

Основными элементами генератора являются ротор, статор, выпрямитель, конденсатор. щетки, подшипники и шкив поликлинового ремня.

Щеткодержатель содержит встроенный электронный регулятор напряжения.

1. Кисть
2. OAD (разъединитель генератора с обгонной муфтой)
3. Ротор
4. Статор
5. Выпрямитель

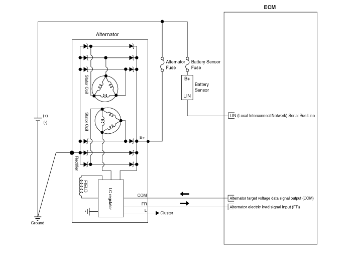
Принципиальные диаграммы
Принципиальная электрическая схема

Сигнал COM — при контроле генерируемого напряжения блок ECM отправляет данные о целевом напряжении генератору через сигнал ШИМ. напряжение: 4 В или выше, низкое напряжение: 2 В или ниже)

Сигнал FR — сигнал активации транзистора внутри генератора. контролирует напряжение, генерируемое генератором, для управления ток возбуждения перед отправкой сигнала FR в ECM. (В при определенных оборотах/электрических нагрузках режим FR может оставаться постоянным. Однако, чаще всегда обороты, электрическая нагрузка, целевое напряжение и т.д. меняется в ТС, значит и ФР тоже надо постоянно менять)

Сигнал L — включает контрольную лампу аккумулятора на приборной панели. при неисправности системы зарядки аккумулятора. (условия поворота на лампе - перезаряд, переразряд, перегорела катушка возбуждения внутри генератор)

Клемма B+ - Выходное напряжение от генератора подается на аккумулятор через клемму B+.

Процедуры ремонта
Снятие и установка
1.

Выключите зажигание и отсоедините отрицательный (-) аккумулятор. Терминал.

2.

Отсоедините разъем воздушного компрессора (А) и разъем генератора. (B) и отсоедините кабель от клеммы «B» генератора (C).

Гайка крепления клеммы "B" генератора:

9,8–11,8 Н·м (1,0–1,2 кгс·м, 7,2–8,7 фунт-фут)

3.

Снимите приводной ремень.

(См. Механическая система двигателя — «Приводной ремень»)

4.

Снимите генератор (А).

5.

Установите в порядке, обратном снятию.

Разборка
1.

Снимите генератор.

(См. Система зарядки — «Генератор»)

2.

Снимите колпачок OAD (разъединитель генератора с обгонной муфтой) (A).

При установке замените новым колпачком OAD.

3.

Снимите шкив OAD (обгонная муфта генератора) (A), используя специальный инструмент.

4.

Снимите заднюю крышку (А) после откручивания гаек.

5.

Снимите крепежные болты (А) и узел регулятора (В).

6.

Снимите направляющую контактного кольца (А), потянув за нее.

7.

Отпаяйте 3 провода статора (A).

8.

Снимите 4 сквозных болта (А).

9.

Отсоедините ротор (А) и кронштейн (В).

Сборка
1.

Соберите в порядке, обратном разборке.

При повторной сборке шкива OAD замените его новым колпачком OAD.

осмотр
[Ротор]
1.

Убедитесь, что между контактными кольцами (С) имеется непрерывность.

2.

Убедитесь в отсутствии непрерывности между контактными кольцами и ротором. (B) или вал ротора (A).

3.

Если ротор не проходит проверку на непрерывность, замените генератор.

[Статор]
1.

Проверьте непрерывность между каждой парой проводов (A).

2.

Убедитесь в отсутствии непрерывности между каждым выводом и сердечником катушки.

3.

Если катушка не проходит проверку на непрерывность, замените генератор.

Система зарядки
Компоненты и расположение компонентов Компоненты ① ЭБУ ② Аккумулятор ③ Генератор ④ Стартер ⑤ Комбинация приборов ⑥ Выключатель зажигания или кнопка пуска/остановки ⑦ Аккумулятор с ...
Батарея
Технические характеристики Спецификация ▷CMF60L - DIN Элемент Спецификация Емкость [20 ч / 5 ч] (Ач) 60/48 Холодный кран...
Дополнительная информация:

Kia Forte 2019-2023 (BD) Руководство по техническому обслуживанию: Чехол подушки переднего сиденья


Компоненты и расположение компонентов Расположение компонента 1. Чехол подушки переднего сиденья Процедуры ремонта Замена • Наденьте перчатки, чтобы не...

Kia Forte 2019-2023 (BD) Руководство по ремонту: Главный цилиндр сцепления


Компоненты и расположение компонентов Компоненты [Бензин 1.6] 1. Педаль сцепления в сборе 2. Рычаг педали сцепления 3. Замок зажигания и переключатель сцепления 4. Главный цилиндр сцепления 5. Шланг резервуара 6. Трубка сцепления [Бензин 2.0] ...