Kia Carens: Регулировка фар и передних противотуманных фар (для Европы) / Фары ближнего света (LHD)

Kia Carens RP (2013-2018) Руководство по эксплуатации / Обслуживание / Лампочки / Регулировка фар и передних противотуманных фар (для Европы) / Фара ближнего света (LHD)

1. Включите ближний свет без водителя.

2. Линия светотеневой границы должна проецироваться на линию светотеневой границы, показанную на рисунке.

3. При наведении на ближний свет вертикальное наведение следует отрегулировать после регулировки горизонтальная наводка.

4. Если установлено устройство регулировки уровня фар, отрегулируйте устройство регулировки уровня фар. переключатель с 0 положениями.

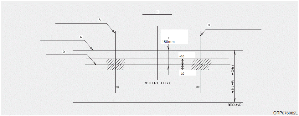
A: Вертикальная линия центра левой противотуманной фары.
B : Вертикальная линия центра правой противотуманной фары
C : Горизонтальная линия центра противотуманной фары (ближнего света)
D : Вырезать – Автономно
E : ось автомобиля
F : Верхний предел
Г : Земля

Точка прицеливания
A : Вертикальная линия центра левой фары (ближнего света) B : Вертикальная линия центра правой фары (ближнего света) C : Горизонтальная линия центра фары (ближнего света) D : Вырезать – Автономно Э: Машина А...

Передняя противотуманная фара
1. Включите передний противотуманный фонарь без присутствия водителя. 2. Светотеневая граница должна проецироваться в допустимом диапазоне (заштрихованная область). ...
Дополнительная информация:

Kia Carens RP (2013-2018) Руководство по техническому обслуживанию: Процедуры ремонта конденсатора


осмотр 1. Проверьте ребра конденсатора на наличие засоров и повреждений. Если засорился, очистите их водой и продуть сжатым воздухом. Если согнуть, аккуратно согните их с помощью отвертки или плоскогубцев. 2. Проверьте соединения конденсатора...

Kia Carens RP (2013-2018) Руководство по техническому обслуживанию: Процедуры ремонта масляного поддона


Удаление 1. Снимите нижние крышки. 2. Слейте моторное масло. 3. С помощью SST (09215-3C000) снимите масляный поддон. ...
avtotema.org