Kia Cadenza: Система запуска двигателя с кнопки / Принципиальные схемы

Kia Cadenza YG 2016-2023 Руководство по ремонту / Электрическая система кузова / Кнопка запуска двигателя / Принципиальные схемы

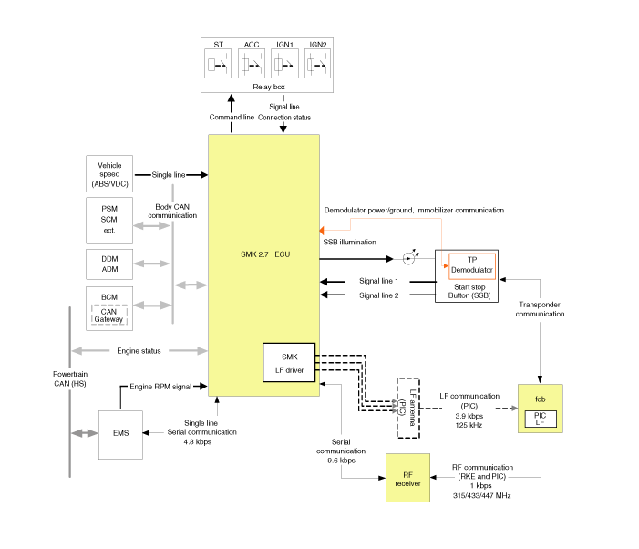
Принципиальная схема (1)

Принципиальная схема (2)

Компоненты и расположение компонентов
Расположение компонента 1. Кнопка пуска и остановки (SSB)2. Брелок 3. РЧ-приемник4. Блок смарт-ключей5. Внутренняя антенна 16. Внутренняя антенна 2 7. Магистральная антенна8. Бамперная антенна9. Дверь ч...
Описание и работа
Описание Системный Обзор Система предлагает следующие возможности: – Интерфейс человек/машина через одноступенчатую кнопку для переключения терминала и запуска двигателя. – Контро...
Дополнительная информация:

Руководство по обслуживанию Kia Cadenza YG 2016-2023: Компоненты блока телеметики (TMU) и расположение компонентов


Компонент Спецификация контактов разъема No.Pin NameTypeFromToDescription (Спецификация проводки)1GNDDC GroundTMUBatteryConnected to battery Ground2GNDDC GroundTMUBatteryConnected to battery Ground3-----4-----5-----6-----7-----8-- ---9-----10-----11-----12HS CAN (-)Data I/OBUSBUSВысокая скорость шины CAN low13HS ...

Kia Cadenza YG 2016-2023 Руководство по обслуживанию: Электромагнитный клапан SS-B (ON/OFF) Описание и работа


Описание • Электромагнитный клапан SS-B относится к типу ON/OFF. • Когда TCM подает питание на электромагнитный клапан, диапазон скоростей изменяется посредством управления электромагнитным клапаном. Рабочий стол электромагнитного клапана SS-B SS-BN, P123●4 5●6 R● ● : состояние подключения Δ: Подключил...