Hyundai Tucson manuels

Руководство по обслуживанию и ремонту Hyundai Tucson: Процедуры ремонта ДВИГАТЕЛЯ ЗАДНЕГО СТЕКЛООЧИСТИТЕЛЯ

Контроль
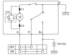
МОТОР ЗАДНЕГО СТЕКЛООЧИСТИТЕЛЯ
1.
Отсоедините разъем электродвигателя заднего стеклоочистителя.
2.
Подсоедините положительный (+) кабель аккумуляторной батареи к клемме 4, а кабель аккумуляторной отрицательный (-) аккумуляторной батареи к клемме 3 соответственно.
3.
Проверьте правильную работу двигателя. Если вы заметили, что двигатель омыватель ветрового стекла работает ненормально, замените его.
Нет.
Описание
1
Батарея (+)
2
СТОЯНКА
3
МАССА
4
Мотор заднего стеклоочистителя (+)

Проверка работы автоматической остановки
1.
С помощью ручки газа запустите двигатель на малой скорость.
2.
Остановите двигатель в любом месте, кроме выключенного положения, отсоединение разъема двигателя.
3.
Подсоедините положительный (+) кабель аккумулятора к клемме 1 и аккумулятору. отрицательный (-) к клемме 3.
4.
Соедините клемму двигателя 2 и клемму 4.
5.
Убедитесь, что двигатель останавливается в положении ВЫКЛ.

Верификация (с GDS)
1.
В электрической системе кузова неисправность может быть быстрая диагностика с помощью системы диагностики автомобиля (GDS).
Система диагностики (GDS) предоставляет следующую информацию.
(1)
Самодиагностика: проверка отказа и количества код (код неисправности)
(2)
Текущие данные: проверка состояния входных/выходных данных системный вывод
(3)
Проверка срабатывания: проверка условий эксплуатации системы
(4)
Дополнительная функция: Управление другими функциями, включая дополнительная настройка системы и настройка нулевой точки
2.
Выберите «Модель автомобиля» и «Модуль управления кузовом». (BCM)" для проверки, чтобы проверить автомобиль с помощью тестера.
3.
Выберите меню «Текущие данные», чтобы узнать текущий статус. входные/выходные данные.

ДЕПОЗИТ
1.
Снимите щетку заднего стеклоочистителя и рычаг (B) после снятия гайку и ослабьте колпачок грязесъемника (А).

2.
Снимите обивку задней двери после ее открытия.
(См. Кузов — «Отделка задней двери»)
3.
Отсоедините разъем электродвигателя заднего стеклоочистителя (А), затем снимите мотор заднего стеклоочистителя (B) после ослабления болтов (3 шт.).

СРЕДСТВО
1.
Установите электродвигатель заднего стеклоочистителя в сборе.
Момент затяжки гайки:
6,9~9,8 Нм (0,7~1,0 кгс·м, 5,0~7,2 фунт-сила·фут)
2.
Установите обивку задней двери.
3.
Установите рычаг заднего стеклоочистителя и крышку заднего стеклоочистителя.
Момент затяжки (гайка):
8,8~10,8 Нм (0,9~1,1 кгс·м, 6,5~8,0 фунт-сила·фут)
4.
Установите щетку заднего стеклоочистителя на линию отопителя. нижний антиобледенитель и на стекле задней двери.

Компоненты и расположение компонентов
РАСПОЛОЖЕНИЕ КОМПОНЕНТОВ 1. Рычаг заднего стеклоочистителя и лезвие 2. Гайка рычага заднего стеклоочистителя 3. Кольцо заднего стеклоочистителя ...

ВЫКЛЮЧАТЕЛЬ ЗАДНЕГО ОМЫВАТЕЛЯ Процедуры ремонта
Контроль Проверка многофункционального переключателя 1. Проверьте целостность цепи между клеммами в каждом положении переключателя. как показано ниже...
Другие материалы:

Работа круиз-контроля
Установка заданной скорости 1. Разогнаться до нужной скорости, которая должна быть более 20 миль в час (30 км/ч). 2. Нажмите кнопку помощи при вождении () кнопка на нужной скорости. Заданная скорость и индикатор Cruise() будет засветиться на кластере. 3. Отпустите педаль акселератора. Скорость автомобиля будет поддерживать ...

Процедуры ремонта опускающегося солнцезащитного козырька
ЗАМЕНА 1. Откройте рольставни, нажав переключатель люка в крыше. панорамный. 2. Снимите обшивку крыши. (См. Отделка крыши — «Отделка крыши») 3. ...