Hyundai Tucson manuels

Руководство по обслуживанию и ремонту Hyundai Tucson: электрический модуль багажника

Компоненты и расположение компонентов

КОМПОНЕНТЫ

Принципиальные диаграммы

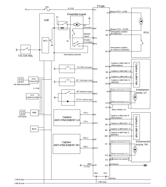
Принципиальная электрическая схема

Процедуры ремонта

ДЕПОЗИТ
1)
После замены на новый электрический модуль задней двери, постоянно проверяйте код DTC.
Если существует код DTC B24B0, выполните изменение режима. электрическая задняя дверь.
(См. Блок питания задней двери — «Поиск и устранение неисправностей»)
2)
После замены на новый электрический модуль задней двери, выполнить сброс системы.
(См. Блок питания задней двери — «Поиск и устранение неисправностей»)
3)
Перед доставкой клиенту включите заднюю дверь с электроприводом. чтобы убедиться, что нет звукового предупреждения.
1.
Отсоедините отрицательную (-) клемму аккумуляторной батареи.
2.
Снимите боковую обшивку багажника [G].
(См. Кузов — «Боковая отделка багажника»)
3.
Снимите модуль задней двери с электроприводом (А) после отсоединения разъемы и снял гайки.

СРЕДСТВО
1.
Установите модуль задней двери с электроприводом.
2.
Подсоедините разъем модуля двери багажного отделения с электроприводом.
3.
Установите боковую обшивку багажника [D].
4.
Подсоедините отрицательную (-) клемму аккумуляторной батареи.
Поиск неисправностей
Проверка аномалий Диагностика с помощью ГДС 1. В электрической системе кузова неисправность может быть быстро поставили диагноз...

Процедуры ремонта электрического замка багажника
ДЕПОЗИТ 1. Отсоедините отрицательную (-) клемму аккумуляторной батареи. 2. Снимите обшивку задней двери. (См. Кузов - "Отделка...
Другие материалы:

Вытяжка в сборе
Компоненты и расположение компонентов РАСПОЛОЖЕНИЕ КОМПОНЕНТОВ 1. Капюшон Процедуры ремонта ЗАМЕНА • Будьте осторожны, чтобы не...

Как использовать умную заднюю дверь
Дверь багажника можно открыть дистанционно, если выполняются следующие условия. Прошло 15 секунд с момента закрытия и блокировки все двери. Вы стоите более 3 секунд в зоне обнаружения. Информация • Умная задняя дверь не работает...