Hyundai Tucson manuels

Руководство по обслуживанию и ремонту Hyundai Tucson: Комбинация приборов

Компоненты и расположение компонентов

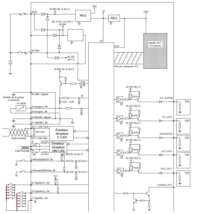
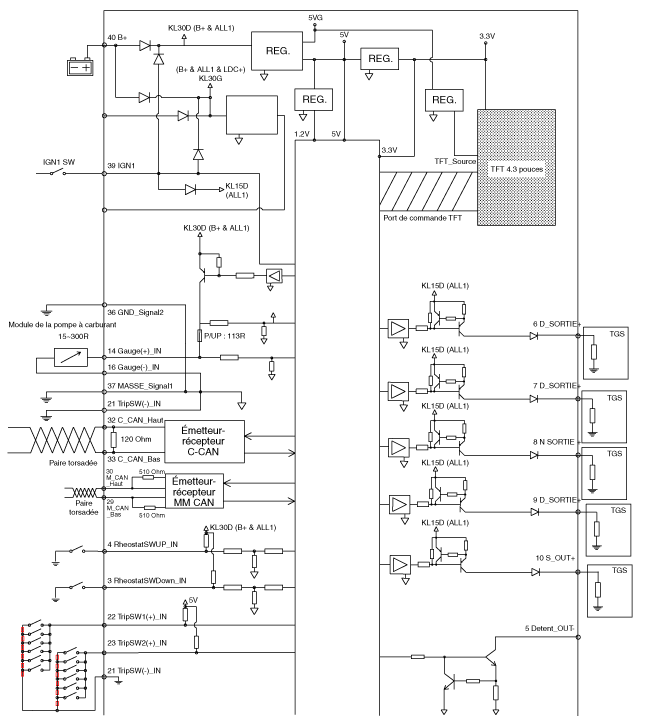
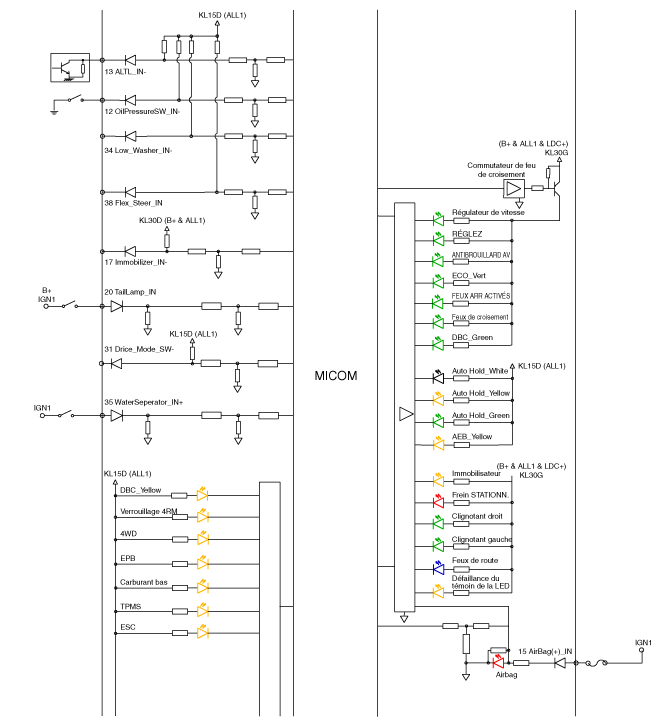
КОМПОНЕНТЫ
[Стандартный тип (3,5 дюйма)]

[Тип Super Vision (4,3 дюйма)]

ИНФОРМАЦИЯ О ШТЫРНОМ РАЗЪЕМЕ
Нет.
Описание
Нет.
Описание
1
МАССА
21
Ежедневный переключатель (-)
2
ОСВЕТИТЕЛЬНЫЕ ПРИБОРЫ (-)
22
Дневной переключатель 1 (+)
3
Входной (низкий) реостатный переключатель
23
Дневной переключатель 2 (+)
4
Входной (высокий) реостатный переключатель
24
-
5
Расслабление
25
Громкоговоритель (-) (только контрольный тип)
6
АТ (положение «Р»)
26
Громкоговоритель (-) (только контрольный тип)
7
АТ (положение «R»)
27
-
8
AT (позиция «N»)
28
-
9
АТ (положение «D»)
29
Мультимедиа CAN (внизу)
10
AT (положение «S»)
30
Мультимедийная шина CAN (вверху)
11
-
31
Переключатель режима драйвера_Input (только AT)
12
Переключатель давления масла_вход (только бензин)
32
Шасси CAN (ВЕРХ)
13
Alternator_Input (только бензин)
33
Шасси CAN (BAS)
14
Вход датчика топлива (-)
34
Низкий уровень сигнала омывателя
15
ПОДУШКА БЕЗОПАСНОСТИ (+)_вход
35
Водоотделитель (только дизель)
16
Вход датчика топлива (-)
36
МАССА
17
Вход иммобилайзера
37
МАССА
18
Выходная скорость автомобиля
38
Flex рулевое колесо (только ТМ)
19
-
39
ВСЕ 1
20
Вход заднего фонаря
40
Батарея (+)

Принципиальные диаграммы

Принципиальная электрическая схема
[Общий стандарт]

[Общий надзор]

Описание и работа

Описание
Схема сети связи

СОКРАЩЕНИЕ
Пояснения
АКУ
Блок управления подушками безопасности
АБС
Антиблокировочная тормозная система
АЕБ
Автономное экстренное торможение
АФЛС
Адаптивная система переднего освещения
Ампер
Бустер
АВН
Блок фар (Аудио/AVN)
B_CAN
Сеть контроллеров тела
млрд кубометров
Модуль управления кузовом
BSD
Система обнаружения слепых зон
C_CAN
Локальная сеть контроллера шасси
ЭМБ
Модуль комбинации приборов
КАМЕРА
Камера заднего вида
ДАТК
Временная команда. двойной автоматический
ESC
Электронная программа стабилизации
ЭПБ
Электронный стояночный тормоз
скорая помощь
Система управления двигателем
ТОПЛИВНЫЙ НАСОС
Топливный насос
LDWS
Система предупреждения о выходе из полосы движения
M_CAN
Сеть зоны медиа-контроллера
ДБДМ
Рулевое управление с электроприводом
P_CAN
Локальная сеть контроллера силового агрегата
ПТГ
ЭЛЕКТРИЧЕСКАЯ ЗАДНЯЯ ДВЕРЬ
SJB
Умный клеммный блок
СМК
смарт-ключ
СПАС
Интеллектуальная система помощи при парковке
UCT
Блок управления коробкой передач
ТМУ
Телематическая система
4WD
система полного привода

Вариантное кодирование комбинации приборов
Поскольку у автомобиля теперь больше опций (ESC, MDPS и т. д.), на приборной панели отображается дополнительная информация в зависимости от выбранные варианты.
Таким образом, необходимо знать, какие варианты есть у автомобиля при замене приборной панели.
Чтобы решить эту проблему, необходимо изучить опции для конкретного автомобиля при замене приборной панели.
Это называется «вариантным кодированием».
Функция
1.
Высокоскоростная связь CAN (C-CAN)
Пользовательская функция: автомобильные сиденья с рычажным механизмом включения/выключения движение, приветственный свет
LDWS: Система предупреждения о выходе из полосы движения
SPAS: умная система помощи при парковке
2.
Низкоскоростная связь CAN (M-CAN)
AV: Мультимедийный аудио/видео информационный дисплей
TBT: Пошаговое отображение навигационной информации
3.
Аудио выход
Воспроизводятся различные сигналы тревоги и звуковые эффекты. внешние динамики, подключенные к приборной панели.
Если применяется внешний AMP, направленная тревога выдается через усилитель

Ее
Описание и функция (приемник данных CAN)
Добро пожаловать
Добро пожаловать (состояние вынутого ключа и открытой/закрытой двери подтверждено млрд кубометров
Пока
До свидания (группа)
предупреждение об открытой двери
Предупреждение о напоминании о ключе (BCM), скорость автомобиля равна или менее 5 км/ч и переключатель ALL в положение ACC или ALL или запуск двигателя и когда скорость автомобиля ниже 5 км/ч или когда дверь со стороны водителя открыта
Предупреждение о ремнях безопасности
Предупреждение о непристегнутом ремне водителя (BCM)
Зуммер системы PAS
Предупреждение об ошибке датчика PAS (BCM)
Скорость R
Предупреждение PAS при переключении R (BCM и SPAS)
РУЧНОЙ ТОРМОЗ
Предупреждение о стояночном тормозе (BCM)
кнопка Пуск
Кнопка предупреждения SSB (SMK)
Информация о светодиодах реостата
Предупреждение реостата при выборе максимальной или минимальной степени (группа)
Вылет смарт-ключа
Предупреждение о ключе Smart Exit (SMK)
Предупреждение о ключе Smart Exit No (SMK)
условная скорость
Изменить обычную передачу
указатель поворота
Предупреждение указателя поворота (BCM)
Индикатор направления (Ток)
Предупреждение указателя поворота (BCM)
Батарея смарт-ключа низкого напряжения
Предупреждение, когда водитель нажимает кнопку SSB при Смарт-ключ с аккумулятором низкого напряжения (SMK)
звуковой сигнал EPB
Зуммер при переключении с автоматического на запирание ЭПБ (ЭПБ)
Аварийный сигнал температуры охлаждающей жидкости
При температуре двигателя выше 120ºC (EMS)

4.
Режим пользовательских настроек (USM)
Настройку можно изменить с помощью переключателей (Меню, Вверх, спуск и кнопку ОК). Есть несколько статей (например, синхронизация вход/выход сиденья, синхронизация входа/выхода маховика, автоматическое запирание дверей, автоматическое отключение запирания дверь, функция сопровождения фар, приветственный свет, приветственный звук, мигающий свет в одно касание, автоматический сброс потребления средний расход топлива, яркость и конфигурация контента), которые можно настроить и настроить. Сигналы светофора во время настройки выглядит следующим образом.
(1)
Настройки UMS определяются и передаются в BCM.
(2)
BCM передает настройки по B_CAN соответствующим модулям.
(3)
Модуль завершает настройку и передает измененную настройку в БМК.
(4)
BCM передает окончательные настройки по C_CAN в группу.
Комбинация приборов взаимодействует напрямую с блоками C-CAN.

Процедуры ремонта

ДЕПОЗИТ
Наденьте перчатки, чтобы защитить руки.
При удалении с помощью съемника или инструмента для головки плоские, оберните инструменты защитной лентой, чтобы предотвратить повредить компоненты.
Приборный щиток
1.
Отсоедините отрицательную (-) клемму аккумуляторной батареи.
2.
Снимите панель комбинации приборов.
(См. Тело — «Нижняя приборная панель»)
3.
Отделите комбинацию приборов (А), ослабив крепежные винты.

4.
Снимите комбинацию приборов после отсоединения разъема комбинации приборов (А).

Динамик комбинации приборов
1.
Отсоедините отрицательную (-) клемму аккумуляторной батареи.
2.
Снимите верхнюю панель комбинации приборов.
(См. Тело — «Нижняя приборная панель»)
3.
Отделите динамик от комбинации приборов (А), ослабив винт.

4.
Снимите динамик с комбинации приборов (A) после отсоединения разъем динамика (В).

СРЕДСТВО
Приборный щиток
1.
Установите динамик после подключения групповых разъемов инструменты.
2.
Установите панель комбинации приборов.
3.
Подсоедините отрицательную (-) клемму аккумуляторной батареи.
Выполнить вариантное кодирование после замены группы инструменты.
Динамик комбинации приборов
1.
Установите динамик комбинации приборов после подключения разъемы комбинации приборов.
2.
Установите верхнюю панель комбинации приборов.
3.
Подсоедините отрицательную (-) клемму аккумуляторной батареи.
Контроль
1.
Контрольно-пропускной пункт (сигнальная лампа)
Для условий ошибки и условий эксплуатации нормально, см. руководство пользователя.
НЕТ
Символ №
Имя
Цвет
Входной сигнал
Сигнальная команда
Контрольно-пропускной пункт
1

Мигающий свет (слева)
ЗЕЛЕНЫЙ
МОЖЕТ
млрд кубометров
(Мост)
1)
С многофункциональным переключателем
2)
млрд кубометров
3)
CAN неисправность
2

Мигающий свет (справа)
ЗЕЛЕНЫЙ
МОЖЕТ
млрд кубометров
(Мост)
1)
С многофункциональным переключателем
2)
млрд кубометров
3)
CAN неисправность
3

Задний свет
ЗЕЛЕНЫЙ
МОЖЕТ
млрд кубометров
(Мост)
1)
С многофункциональным переключателем
2)
млрд кубометров
3)
CAN неисправность
4

ДО
Противотуманные фары
ЗЕЛЕНЫЙ
МОЖЕТ
млрд кубометров
(Мост)
1)
С многофункциональным переключателем
2)
млрд кубометров
3)
CAN неисправность
5

Задний противотуманный фонарь
ЖЕЛТЫЙ
МОЖЕТ
млрд кубометров
(Мост)
1)
С многофункциональным переключателем
2)
млрд кубометров
3)
CAN неисправность
6

Фары
ЗЕЛЕНЫЙ
МОЖЕТ
млрд кубометров
(Мост)
1)
С многофункциональным переключателем
2)
млрд кубометров
3)
CAN неисправность
7

светодиоды
Передняя фара
ЖЕЛТЫЙ
МОЖЕТ
млрд кубометров
(Мост)
1)
млрд кубометров
2)
CAN неисправность
8

Красные огни
СИНИЙ
МОЖЕТ
млрд кубометров
(Мост)
1)
С многофункциональным переключателем
2)
млрд кубометров
3)
CAN неисправность
9

Главный символ
ЖЕЛТЫЙ
МОЖЕТ
BSD
1)
BSD-система
2)
CAN неисправность
СКДП
1)
система TPMS
2)
CAN неисправность
млрд кубометров
1)
Внешнее освещение
2)
млрд кубометров
3)
CAN неисправность
Кабель
датчик топлива
1)
Неисправность датчика топлива
2)
Сбой проводки
НИЖНЯЯ ШАЙБА
1)
Датчик уровня жидкости омывателя ветрового стекла
2)
Сбой проводки
ЦИФРОВОЙ ВХОД
Напоминания во время технического обслуживания
10

Заряд батареи
КРАСНЫЙ
МОЖЕТ
ЕСМ
1)
Система зарядки
2)
CAN неисправность
11

ДАВЛЕНИЕ МАСЛА
КРАСНЫЙ
Кабель
ЕСМ
1)
ECM-система
2)
Кабель
3)
CAN неисправность
12

Проверьте свет двигателя
ЖЕЛТЫЙ
МОЖЕТ
ЕСМ
1)
ECM-система
2)
CAN неисправность
13

иммобилайзер
ЖЕЛТЫЙ
МОЖЕТ
млрд кубометров
(Мост)
1)
система СМК
2)
млрд кубометров
3)
CAN неисправность
4)
Кабель
14

РУЧНОЙ ТОРМОЗ
Тормозная жидкость
ЭБД
ЭПБ
КРАСНЫЙ
МОЖЕТ
млрд кубометров
(Мост)
ЭБД
ЭПБ
АБС
ТКС
1)
млрд кубометров
2)
система АБС
3)
система EPB
4)
CAN неисправность
5)
Выключатель стояночного тормоза
6)
Датчик уровня тормозного масла
15

АБС
ЖЕЛТЫЙ
МОЖЕТ
АБС
1)
система АБС
2)
CAN неисправность
16

ESC
ЖЕЛТЫЙ
МОЖЕТ
ТКС
1)
система АБС
2)
CAN неисправность
17

ВЫКЛ.
ЖЕЛТЫЙ
МОЖЕТ
ТКС
1)
система АБС
2)
CAN неисправность
18

ЭПБ
ЖЕЛТЫЙ
МОЖЕТ
ЭПБ
1)
система EPB
2)
CAN неисправность
19

Автоудержание
БЕЛЫЙ
ЖЕЛТЫЙ
ЗЕЛЕНЫЙ
МОЖЕТ
ТКС
1)
система АБС
2)
CAN неисправность
20

Ремень безопасности
КРАСНЫЙ
МОЖЕТ
млрд кубометров
(Мост)
1)
млрд кубометров
2)
CAN неисправность
21

ВОЗДУШНАЯ ПОДУШКА
КРАСНЫЙ
МОЖЕТ
srscm
1)
система SRSCM
2)
CAN неисправность
22

прибыль на акцию
[МДПС]
КРАСНЫЙ
МОЖЕТ
ДБДМ
1)
Система единиц МСПП
2)
PSDS-движок
3)
CAN неисправность
23

СКДП
ЖЕЛТЫЙ
МОЖЕТ
СКДП
1)
система TPMS
2)
ДАТЧИК СКДШ
3)
CAN неисправность
24

Предупреждение о низком уровне топлива
ЖЕЛТЫЙ
Прямой
(Миком)
топливный сегмент
1)
Неисправность датчика топлива
2)
Сбой проводки
25

ЭКО
ЗЕЛЕНЫЙ
Кабель
ЭКО-режим
1)
ECM-система
2)
CAN неисправность
26

Спорт
ЖЕЛТЫЙ
Кабель
спортивный режим
1)
ECM-система
2)
CAN неисправность
27

РЕГУЛИРОВАНИЕ СКОРОСТИ
ЗЕЛЕНЫЙ
МОЖЕТ
ЕСМ
1)
ECM-система
2)
CAN неисправность
28

набор
ЗЕЛЕНЫЙ
МОЖЕТ
ЕСМ
1)
ECM-система
2)
CAN неисправность
29

4WD
ЖЕЛТЫЙ
МОЖЕТ
ЭБУ полного привода
1)
система полного привода
2)
CAN неисправность
30

4WD-БЛОКИРОВКА
ЖЕЛТЫЙ
МОЖЕТ
ЭБУ полного привода
1)
система полного привода
2)
CAN неисправность
31

Дизельный сажевый фильтр (DPF)
ЖЕЛТЫЙ
МОЖЕТ
ЕСМ
1)
система сажевого фильтра
2)
CAN неисправность
32

УРОВЕНЬ МАСЛА
ЖЕЛТЫЙ
МОЖЕТ
ЕСМ
1)
ЕСМ
2)
CAN неисправность
33

ПОДОГРЕВ
ЖЕЛТЫЙ
МОЖЕТ
ЕСМ
1)
ЕСМ
2)
CAN неисправность
34

СЕПАРАТОР ВОДЫ
КРАСНЫЙ
Кабель
Датчик водоотделителя
1)
Датчик водоотделителя
2)
Сбой проводки
35

Система управления торможением на спуске (DBC)
ЗЕЛЕНЫЙ
ЖЕЛТЫЙ
МОЖЕТ
ТКС
1)
КБР система
2)
CAN неисправность
36

Чрезмерная скорость
ЖЕЛТЫЙ
МОЖЕТ
ЕСМ
1)
ЕСМ
2)
CAN неисправность

2.
Точка поверки (датчик)
НЕТ
Имя
Входной сигнал
Сигнальная команда
(Блок/датчик)
Контрольно-пропускной пункт
1
Спидометр
C_CAN
АБС/ESC
1) Система АБС
2. Неисправность линии CAN
2
Тахометр
C_CAN
ЕСМ
1.ЭБУ
2. Неисправность линии CAN
3
Температура охлаждающей воды
C_CAN
ЕСМ
1.ЭБУ
2. Неисправность линии CAN
4
ТОПЛИВО
жесткая проволока
Топливо
1) Неисправность датчика топлива
2. Неисправность проводки

Диагностика с помощью ГДС
1.
В электрической системе кузова неисправность может быть быстрая диагностика с помощью системы диагностики автомобиля (GDS).
Система диагностики (GDS) предоставляет следующую информацию.
(1)
Самодиагностика: проверка отказа и количества код (код неисправности)
(2)
Текущие данные: проверка состояния входных/выходных данных системный вывод
(3)
Проверка срабатывания: проверка условий эксплуатации системы
(4)
Дополнительная функция: Управление другими функциями, включая дополнительная настройка системы и настройка нулевой точки
2.
Выберите «Модель автомобиля» и «Модуль комбинации приборов». (CLU)" для проверки, чтобы проверить автомобиль с помощью тестера
3.
Выберите меню «Текущие данные», чтобы узнать текущий статус. входные/выходные данные.

4.
Для управления входным усилием модуля, которым нужно управлять, выберите опция «Проверка срабатывания»

КЛУБ вариант кодирования
После замены комбинации приборов на новую выполните процедуру «Вариантное кодирование».
1.
Подключите кабель GDS к разъему канала передачи данных в нижняя обивка для защиты от столкновений со стороны водителя, заглушка ГДС.
2.
Выберите модель и «BCM».
3.
Выберите режим вариантного кодирования, который необходимо выполнить.

4.
Если коды ошибок возникают во время вариантного кодирования, попробуйте еще раз после проверки состояния установки системы CLU.

Индикаторы и датчики
...

Дверные замки с электроприводом
...
Другие материалы:

Средний расход топлива (2)
Средний расход топлива рассчитывается исходя из общего расстояния пройдено и расход топлива с момента последнего сброса средней экономики. - Диапазон экономии топлива: 0,0 ~ 99,9 л/100 км, км/л или миль на галлон Средняя экономия...

Электромагнитный клапан SS-A (ВКЛ/ВЫКЛ)
Описание и работа Описание • Электромагнитный клапан SS-A прикреплен к корпусу клапана и представляет собой электромагнитный клапан. вкл/выкл, который используется для переключения передач. • Электромагнитный клапан SS-A(ON/OFF) установлен ...