| Описание |
| • |
Контролирует условия эксплуатации автомобиля, чтобы определить
оптимальная настройка скорости.
|
| • |
Выполняет переключение передач, если текущая настройка передачи отличается
определена оптимальная настройка скорости.
|
| • |
Определяет необходимость включения демпферной муфты (D/C)
и соответственно включает сцепление.
|
| • |
Рассчитывает оптимальный уровень давления в линии, контролируя
уровень крутящего момента постоянно и соответствующим образом регулирует давление.
|
| • |
Диагностика неисправностей и отказов коробки передач
автоматический.
|
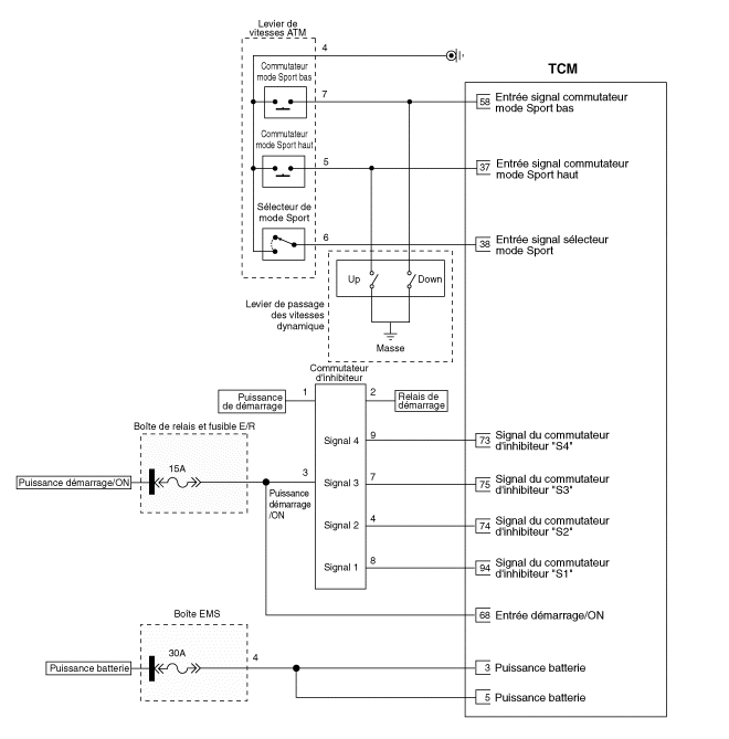
| 1. Разъем TCM и функция Терминал |
| 2. Функция терминала ТСМ |
|
Приколоть
|
Описание
|
Приколоть
|
Описание
|
|
22
|
Электромагнитный клапан управления муфтой повышающей передачи (OD/C_VFS)
|
73
|
Сигнал включения ингибитора (S4)
|
|
23
|
Соленоид контроля давления (VFS-LINE)
|
74
|
Сигнал включения ингибитора (S2)
|
|
26
|
Электромагнитный клапан ВКЛ/ВЫКЛ (SS-B)
|
75
|
Сигнал включения ингибитора (S3)
|
|
37
|
Переключатель высокого спортивного режима
|
87
|
Мощность соленоида 1
|
|
38
|
Переключатель выбора спортивного режима
|
88
|
Соленоид Мощность 2
|
|
39
|
Датчик температуры масла (+)
|
89
|
Электромагнитный клапан ВКЛ/ВЫКЛ A (SS-A)
|
|
43
|
Электромагнитный клапан управления тормозом низкой скорости
(УД/Б_ВФС) |
94
|
Сигнал включения ингибитора (S1)
|
|
44
|
Электромагнитный клапан управления сцеплением 35R (35R/C_VFS)
|
95
|
Выходная мощность датчика скорости
|
|
45
|
Соленоид управления гидротрансформатором (T/CON_VFS)
|
96
|
Входная мощность датчика скорости
|
|
46
|
Электромагнитный клапан 26 управления тормозом (26/B_VFS)
|
99
|
Входной сигнал датчика скорости
|
|
58
|
Низкий переключатель спортивного режима
|
100
|
Сигнал датчика выходной скорости
|
|
59
|
Датчик температуры масла (+)
|
|
|
|
Приколоть
|
Описание
|
Приколоть
|
Описание
|
|
1
|
МАССА (мощность)
|
5
|
VB (напряжение батареи)
|
|
2
|
МАССА (мощность)
|
60
|
CAN Высокий
|
|
3
|
VB (напряжение батареи)
|
68
|
IGN.1 (ключ зажигания)
|
|
4
|
ЗАЗЕМЛЕНИЕ (ПИТАНИЕ)
|
77
|
CAN Низкий
|
| Вход/выход сигнала от Терминалы ТСМ |
|
Приколоть
|
Описание
|
Состояние
|
ВХОДНОЕ/ВЫХОДНОЕ ЗНАЧЕНИЕ
|
|
|
Добрый
|
Уровень
|
|||
|
22
|
Электромагнитный клапан управления муфтой повышающей передачи
(ОД/К_ВФС) |
-
|
Выход
|
Уровень напряжения батареи/0 В
|
|
9В < уровень напряжения батареи < 16В
|
||||
|
23
|
Электромагнитный клапан контроля давления в линии
(LINE_VFS) |
-
|
Выход
|
Уровень напряжения батареи/0 В
|
|
9В < уровень напряжения батареи < 16В
|
||||
|
26
|
Электромагнитный клапан ВКЛ/ВЫКЛ (SS-B)
|
высокий
|
Выход
|
Уровень напряжения батареи/0 В
|
|
Вниз
|
9В < уровень напряжения батареи < 16В
|
|||
|
37
|
Переключатель высокого спортивного режима
|
ВЫСОКИЙ НА
|
вход
|
Уровень напряжения батареи/0 В
|
|
Другой
|
9В < уровень напряжения батареи < 16В
|
|||
|
38
|
Переключатель выбора спортивного режима
|
спортивный режим
|
вход
|
Уровень напряжения батареи/0 В
|
|
Другой
|
9В < уровень напряжения батареи < 16В
|
|||
|
39
|
Датчик температуры масла (+)
|
МЫ
|
вход
|
0 В/3,3 В
|
|
ВЫКЛЮЧЕННЫЙ
|
||||
|
43
|
Электромагнитный клапан управления тормозом низкой скорости
(УД/Б_ВФС) |
-
|
Выход
|
Уровень напряжения батареи/0 В
|
|
9В < уровень напряжения батареи < 16В
|
||||
|
Источник питания: V_SOL2
|
||||
|
44
|
Электромагнитный клапан управления сцеплением 35R
(35R/C_VFS) |
-
|
Выход
|
Уровень напряжения батареи/0 В
|
|
9В < уровень напряжения батареи < 16В
|
||||
|
45
|
Электромагнитный клапан управления гидротрансформатором
(Т/КОН_ВФС) |
-
|
Выход
|
Уровень напряжения батареи/0 В
|
|
9В < уровень напряжения батареи < 16В
|
||||
|
46
|
Электромагнитный клапан управления тормозом 26
(26/Б_ВФС) |
-
|
Выход
|
Уровень напряжения батареи/0 В
|
|
9В < уровень напряжения батареи < 16В
|
||||
|
Источник питания: V_SOL2
|
||||
|
58
|
Низкий переключатель спортивного режима
|
НИЗКИЙ ВКЛ.
|
вход
|
Уровень напряжения батареи/0 В
|
|
Другой
|
9В < уровень напряжения батареи < 16В
|
|||
|
59
|
Датчик температуры масла (+)
|
-
|
масса
|
0В
|
|
73
|
Сигнал включения ингибитора (S4)
|
высокий
|
вход
|
Уровень напряжения батареи/0 В
|
|
Вниз
|
9В < уровень напряжения батареи < 16В
|
|||
|
74
|
Сигнал включения ингибитора (S2)
|
высокий
|
вход
|
Уровень напряжения батареи/0 В
|
|
Вниз
|
9В < уровень напряжения батареи < 16В
|
|||
|
75
|
Сигнал включения ингибитора (S3)
|
высокий
|
вход
|
Уровень напряжения батареи/0 В
|
|
Вниз
|
9В < уровень напряжения батареи < 16В
|
|||
|
89
|
Электромагнитный клапан ВКЛ/ВЫКЛ A (SS-A)
|
высокий
|
Выход
|
Уровень напряжения батареи/0 В
|
|
Вниз
|
9В < уровень напряжения батареи < 16В
|
|||
|
94
|
Сигнал включения ингибитора (S1)
|
высокий
|
вход
|
Уровень напряжения батареи/0 В
|
|
Вниз
|
9В < уровень напряжения батареи < 16В
|
|||
|
95
|
Выходная мощность датчика скорости
|
МЫ
|
Кормить
|
0 В/7,5 В
|
|
ВЫКЛЮЧЕННЫЙ
|
||||
|
96
|
Входная мощность датчика скорости
|
МЫ
|
Кормить
|
0 В/7,5 В
|
|
ВЫКЛЮЧЕННЫЙ
|
||||
|
99
|
Входной сигнал датчика скорости
|
высокий
|
вход
|
0,7 В/1,4 В
|
|
Вниз
|
||||
|
100
|
Сигнал датчика выходной скорости
|
высокий
|
вход
|
0,7 В/1,4 В
|
|
Вниз
|
||||
| Принципиальная электрическая схема |
| Контроль |
| 1. |
ТЕСТ ЦЕПИ МАССА TCM: Измерьте сопротивление между TCM и
заземление шасси с помощью задней части разъема жгута проводов
TCM в качестве контрольно-пропускного пункта на стороне TCM. Удалить любую проблему
возможный.
|
| 2. |
ПРОВЕРКА РАЗЪЕМА TCM: Отсоедините разъем TCM и выполните
визуальный осмотр клемм массы на стороне TCM и на стороне жгута проводов, чтобы
убедитесь, что они не имеют погнутых штекеров или
плохое контактное давление. Устраните любую возможную проблему.
|
| 3. |
Если проблема не обнаружена на шагах 1 и 2, TCM может
быть неполноценным. Если это так, убедитесь, что отсутствуют коды DTC.
перед заменой TCM на новый, затем снова проверьте автомобиль.
Если обнаружены какие-либо коды DTC, проверьте их перед заменой TCM.
|
| 4. |
НОВЫЙ ОРИГИНАЛЬНЫЙ ТЕСТ TCM: установите оригинальный TCM (можно
сломан) на проверенном транспортном средстве и проверьте транспортное средство. Если проблема
снова появится, замените оригинальный TCM на новый. Если нет
проблема не появляется, то это прерывистая проблема (см.
к «Процедуре для периодически возникающих проблем» в «Процедуре
базовая проверка").
|
| ДЕПОЗИТ |
| 1. |
Поверните ключ зажигания в положение OFF.
|
| 2. |
Отсоедините отрицательный (-) кабель аккумуляторной батареи.
|
| 3. |
Снимите воздушный фильтр и воздуховод. (См. Механическая система
двигатель - "Воздушный фильтр")
|
| 4. |
Отсоедините разъем TCM (А).
|
| 5. |
Отсоедините разъем TCM (В).
|
| 6. |
Снимите удерживающую скобу (А) с проводки.
|
| 7. |
Снимите TCM (A), открутив крепежные гайки и болт.
(Б).
|
| СРЕДСТВО |
| 1. |
Для установки выполните процедуру, обратную снятию.
|
| 2. |
Выполните процедуры, связанные с ECM, после замены TCM.
(См. Топливная система/управление двигателем — «Модуль управления
двигателя")
|
| 3. |
Выполнение обучения TCM после замены коробки передач
чтобы избежать вялой реакции передачи, ускорение
и резкий старт.
(См. систему управления автоматической коробкой передач
- "Ремонтные процедуры")
|
Процедуры ремонта
ДАТЧИК температуры масла АКПП
Вытяжка в сборе
Компоненты и расположение компонентов
РАСПОЛОЖЕНИЕ КОМПОНЕНТОВ
1. Капюшон
Процедуры ремонта
ЗАМЕНА
•
Будьте осторожны, чтобы не...
Система иммобилайзера
Система иммобилайзера помогает защитить
свой автомобиль от угона. Если неправильно
используется кодовый ключ (или другое устройство),
топливная система двигателя отключена.
При включении зажигания (или
кнопка запуска/остановки двигателя нажата
во включенное положение), иммобилайзер
системный индикатор ш...